中华人民共和国国家标准
均压屏蔽环 UDC 621.315.6
GB 2339—85
Grading and shielding ring 代替 GB 2339—80
国家标准局1985-01-23发布 1985-12-01实施
1 适用范围
本标准适用于超高压架空电力线路绝缘子串上的均压屏蔽环。
2 型式尺寸
2.1 均压屏蔽环为FJP-330-N型、FJP-330-X型、FJP-330-NB型、FJP-500-N型、FJP-500-XD型、FJP-500-XS型、FJP-500-XL型。
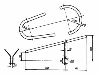
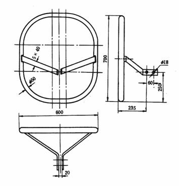
2.2 均压屏蔽环主要尺寸应符合图1~6及表的规定:

图1 FJP-500-XD
mm
|
型 号 |
c |
c1 |
c2 |
d |
h1 |
h2 |
l |
r1 |
r2 |
|
FJP-330-X FJP-330-NB |
18 26 |
145 150 |
220 392 |
32 32 |
270 320 |
350 380 |
800 800 |
100 100 |
270 270 |
表中型号中字母及数字意义为:
F——防护;J——均压环;P——屏蔽环;数字——表示适用电压。
附加字母N——耐张绝缘子串用;X——悬垂绝缘子串用;B——变电;S——双联;L——轮型;D——单联。

图2 FJP-500N

图3 FJP-500-XS

图4 FJP-330-N

图5 FJP-500-XL

图6
3 技术要求
3.1 均压屏蔽环一般技术条件应符合GB2314—85《电力金具通用技术条件》的规定。
3.2 材质与紧固件:
a.均压屏蔽环按YB231—70《无缝钢管》采用10号优质碳素结构钢无缝钢管;
b.环的支撑架按GB700—79《普通碳素结构钢技术条件》,采用抗拉强度不低于372.5N/mm2 (372.5MPa)的钢制造;
c.螺栓按GB 5—76《六角头螺栓(粗制)》;
d.螺母按GB 41—76《六角螺母(粗制)》。
3.3 均压屏蔽环的外侧管表面应无锌刺、锌渣,但环内侧及支杆上的凝锌面积不大于25mm,允许修整。
3.4 均压屏蔽2环表面有直径5mm或相当于20mm2面积的脱锌,允许涂油漆补救。
3.5 焊缝应均整、牢固,并应封口。
4 验收规则及试验方法
均压屏蔽环的验收与试验按GB2317—85《电力金具验收规则、试验方法、标志与包装》进行。
5 标志与包装
均压屏蔽环的标志与包装按GB 2317—85规定进行。
______________________
附加说明:
本标准由中华人民共和国水利电力部提出。
本标准由水利电力部南京电力金具设计研究所起草。
本标准主要起草人董吉谔、周铭泽、易健行、骆忆祖、余天衢、薄通。