中华人民共和国国家标准
远动终端通用技术条件 GB/T 13729—92
General specification for remote terminal unit
国家技术监督局1992-10-06批准 1993-05-01实施
本标准参照采用国际标准IEC 870(1988) 《远动设备和系统》。
1 主题内容与适用范围
本标准规定了远动终端设备(RTU)的技术要求、试验方法、检验规则等。
远动终端设备一般由远动终端主机及调制解调器、远动执行屏、当地功能部件等组成。
本标准适用于微机型远动终端设备。非微机型远动终端设备和微机型转发设备亦应参照使用。
2 引用标准
GB191 包装储运图示标志
GB2421 电工电子产品基本环境试验规程 总则
GB2423.1 电工电子产品基本环境试验规程 试验A:低温试验方法
GB2423.2 电工电子产品基本环境试验规程 试验B:高温试验方法
GB2423.3 电工电子产品基本环境试验规程 试验Ca:恒定湿热试验方法
GB2423.10 电工电子产品基本环境试验规程 试验Fc:振动(正弦)试验方法
GB2887 计算机场地技术条件
GB3047.1 面板、架和柜的基本尺寸系列
JB616 电力系统二次电路用屏(台)通用技术条件
DL451 循环式远动规约
3 技术要求
3.1 环境条件
3.1.1 工作大气条件
a.环境温度:5~40℃;0~45℃;
b.相对湿度:5%~95%(最大绝对湿度28g/m3);
c.大气压力:86~108kPa;66~108kPa。
3.1.2 周围环境要求
a.无爆炸危险,无腐蚀性气体及导电尘埃,无严重霉菌存在,无剧烈振动冲击源;
b.接地电阻应符合GB 2887第8章的规定。
3.2 电源要求
3.2.1 交流电源电压为单相220V,允许偏差-15%~+10%;-10%~+15%。
3.2.2 交流电源频率为50Hz,允许偏差±5%。
3.2.3 交流电源波形为正弦波,谐波含量小于5%。
3.2.4 直流电源电压允许偏差-15%~+10%;-10%~+15%(浮充供电方式)。
3.2.5 直流电源电压纹波系数小于5%。
3.2.6 不间断电源(UPS)在交流失电或电源不符合要求时,维持供电时间不少于20min。
3.3 主要设计要求
3.3.1 硬件
在设计产品时,除应满足第3.4条功能要求外,还应考虑到可靠性,可维护性和可扩性。
3.3.2 软件
软件编制一般按功能划分做到标准化、模块化、便于功能的扩充。对现场的信息参数宜编制独立的参数模块,便于在运行中修改。此外,还应配置诊断软件。
3.3.3 结构尺寸要求
设备的结构尺寸及安装尺寸应符合GB3047和JB616的要求。
3.4 功能要求
3.4.1 基本功能
a.采集并向远方发送状态量,遥信变位优先传送;
b.采集并向远方发送数字量;
c.采集并向远方发送脉冲量;
d.采集并向远方发送模拟量;
e.问答式传输方式下,被测量超越定值传送;
f.设备自调;
g.程序自恢复;
h.设备自诊断(故障诊断到插件级);
i.通道监视。
3.4.2 选配功能
a.数据总加及显示;
b.当地选测、当地功能(CRT显示及打印制表);
c.单端运行;
d.数据转换输出;
e.接收并执行遥控命令及返校;
f.信息编辑转发;
g.当地越限报警;
h.与两个主站通信;
i.事件顺序记录;
j.接收并执行遥调命令;
k.接收并执行校时命令;
l.接收并执行复归命令;
m.主、备通道自动切换。
3.5 基本性能要求
3.5.1 模拟量
a.模拟量标称值见表1;
b.模数转换总误差≤0.5%;
c.数模转换总误差≤0.5%。
3.5.2 状态量
a.输入回路采用光电隔离;
b.闭合对应二进制码“1”,断开对应二进制码“0”(指用一位码表示时);
c.状态量电压标称值见表2;
d.状态量输入电流分级见表3;
e.状态量输出电流分级见表4;
f.事件顺序记录站内分辨率≤10ms。
表1 模拟量标称值
|
模拟量 |
电流源,mA |
电压源,V |
|
优先采用值 |
0~5 |
— |
|
0~10 |
— |
|
|
4~20 |
— |
|
|
-1~0~+1 |
— |
|
|
-5~0~+5 |
— |
|
|
-10~0~+10 |
— |
|
|
非优先采用值 |
0~1 |
0~1 |
|
0~2.5 |
0~5 |
|
|
0~20 |
0~10 |
|
|
-2.5~0~+2.5 |
-1~0~+1 |
|
|
-20~0~+20 |
-5~0~+5 |
|
|
|
-10~0~+10 |
表2 状态量电压标称值 V
|
状态量 |
直流电压 |
交流电压 |
|
优先采用值 |
12 |
— |
|
24 |
— |
|
|
48 |
— |
|
|
60 |
— |
|
|
非优先采用值 |
5 |
24 |
|
110 |
48 |
|
|
220 |
110 |
|
|
|
220 |
表3 状态量输入电流分级 mA
|
电流分级 |
状态量输入直流和交流电流值 |
|
|
最 小 |
最 大 |
|
|
1级 |
1 |
5 |
|
2级 |
5 |
10 |
|
3级 |
10 |
50 |
|
4级 |
50 |
— |
表4 状态量输出电流分级 A
|
电流分级 |
状态量输出 |
|||
|
直 流 |
交 流 |
|||
|
最 小 |
最 大 |
最 小 |
最 大 |
|
|
1级 |
— |
0.1 |
— |
0.2 |
|
2级 |
0.05 |
0.5 |
0.1 |
1 |
|
3级 |
0.10 |
1.0 |
0.2 |
2 |
|
4级 |
0.25 |
2.5 |
0.5 |
5 |
3.5.3 脉冲量
a.输入回路采用光电隔离;
b.脉宽≥10ms;
c.接口电平:0~5V,0~12V,0~24V。
3.5.4 信息通道
a.传输速率:(50),(200),300,600,1200,2400bit/s;
注:括号内数字不推荐。
b.工作方式:单工、半双工、全双工;
c.比特差错差≤1×104;
d.接收电平:-40~0dB;
e.发送电平:0~-20dB。
3.5.5 远动规约
循环式(CDT)远动规约应符合电力行业标准DL 451。
3.5.6 遥控输出接点容量:直流110V、5A或220V、5A,24V、1A。
3.6 绝缘电阻
3.6.1 在正常试验大气条件下绝缘电阻的要求见表5。
3.6.2 湿热条件(温度40±2℃,相对湿度90%~95%,大气压力86~108kPa)下绝缘电阻的要求见表6。
表5
|
额定绝缘电压Ui V |
绝缘电阻要求 MΩ |
|
Ui≤60 |
≥5(用250V兆欧表) |
|
Ui>60 |
>5(用500V兆欧表) |
注:与二次设备及外部回路直接连接的接口回路绝缘电阻采用Ui>60V的要求。
表6
|
额定绝缘电压Ui V |
绝缘电阻要求 MΩ |
|
Ui≤60 |
≥1(用250V兆欧表) |
|
Ui>60 |
≥1(用500V兆欧表) |
注:与二次设备及外部回路直接连接的接口回路绝缘电阻采用Ui>60V的要求。
3.7 绝缘强度
在正常试验大气条件下,设备的被试部分应能承受表7 中规定的50Hz交流电压1min绝缘强度的试验,无击穿与闪络现象。
试验部位为非电气连接的两个独立回路之间,各带电回路与金属外壳之间。
表7 V
|
额定绝缘电压Ui |
试验电压有效值 |
|
Ui≤60 |
500 |
|
60<Ui≤125 |
1000 |
|
125<Ui≤250 |
1500 |
注:与二次设备及外部回路直接连接的接口回路试验电压采用125V<Ui≤250V的要求。
3.8 高频干扰适应能力
在正常工作大气条件下设备处于工作状态时,施加3.8.1条和3.8.2条所规定的高频干扰,由电子逻辑电路组成的回路及软件程序应能正常工作。
3.8.1 高频干扰波特性
波形:衰减振荡波,包络线在3~6周期后衰减到峰值的50%;
频率:1±0.1MHz;
重复率:400次/s。
3.8.2 高频干扰电压值
3.8.2.1 下列回路按共模1kV,串模0.5kV(均指干扰发生器未与被试品连接的空载情况下的第一半波峰值)进行试验;
a.设备接于专用的稳压电源或逆变电源,从电源到设备的引线长度小于50m的电源回路;
b.不直接与电流互感器或电压互感器连接的信号输入回路;
c.引线有较好屏蔽接地的信号输入回路。
3.8.2.2 下列回路按共模2.5kV、串模1kV(均指干扰发生器在未接入被试品的空载情况下的第一半波峰值)进行试验;
a.直接接于站内公用蓄电池的直流电源回路;
b.直接与电流互感器或电压互感器连接的输入回路;
c.引线长度在50m以上又没有采取有效的屏蔽接地的输入信号回路;
d.与负载的连接线长度在50m以上的输出回路。
3.9 连续通电试验
设备完成调试后,在出厂前进行不少于72h连续稳定的通电试验,交直流电压为额定值,各项参数和性能均应符合技术要求。
3.10 振动
设备应能承受频率f≤10Hz时振幅为0.3mm及f>10~150Hz时加速度为1m/sp的振动。
3.11 可靠性
平均无故障工作时间(MTBF)应不低于8760h。
4 试验方法
4.1 试验条件
除非另有规定,试验大气条件下不应超出下列范围:
a.环境温度15~35℃;
b.相对湿度45%~75%;
c.大气压力86~106kPa。
4.2 绝缘电阻试验
按3.6条规定对设备用相应电压的兆欧表测量绝缘电阻,测量时间不小于5s。
在试验整机对地绝缘电阻时,应拔出装有半导体器件(光耦器件除外)的印制板。
4.3 绝缘强度
按3.7条规定用击穿电压测试仪进行绝缘强度试验。试验电压从零起始,在5s内逐渐升到规定值并保持1min,随后迅速平滑地降到零值,测试完毕断电后用接地线对被试品进行安全放电。
对额定电压为60V以下的半导体器件(光耦器件除外),在对整机进行绝缘强度试验时应采取防护措施,如拔出有关插件或短接有关电路等。
4.4 功能试验
4.4.1 基本设备
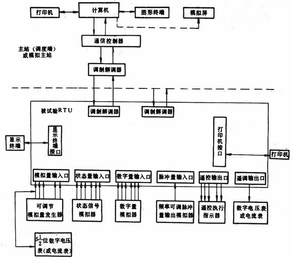
a.主站(调度端)或模拟主站设备应包括以下几部分:
双工调制解调器、通信控制器、计算机、图形终端(CRT)、打印机各一台。模拟屏根据需要配置;
b.模拟量发生器、状态信号模拟器、数字量模拟器各一套;
c.遥控执行指示器一套;
d.频率可调脉冲量输出模拟器一台;
e.512位数字电压表及电流表各一块;
f.被测RTU一套,包括RTU主机、显示终端(CRT)、打印机等。
将上述设备连接成一个一对一数据采集与监控系统,并通电运行,如图1所示。

图1
4.4.2 模数转换总误差测试
在环境温度0℃和40℃时任选一路模拟量输入,调节模拟量发生器使之依次输出-5V,-4V,-3V,-2V,-1V,1V,2V,3V,4V,5V并用
位数字电压表测量,读数记为Vi,同时在RTU的打印机上分别打印出对应的输出值,记为Si,则模数转换误差Ei可由(1)式求出:
(1)
式中 K ——标度系数;
n ——模数转换二进制字长。
当模数转换范围为-5V~+5V时,满刻度值应为5V-(-5V)=10V。
总误差取Ei的最大值。
4.4.3 状态量(开关量)输入测试
在状态信号模拟器上拨动任一路模拟开关,则在CRT屏幕上应观察对应遥信位的变化与拨动的开关状态相一致,重复上述试验10次以上。
4.4.4 事件顺序记录站内事件分辨率的测试
在状态信号模拟器的两路输出信号接至RTU设备任意两路状态量输入端,在状态信号模拟器上设置一个时间定值,使该定值等于3.5.2f条规定的站内分辨率。启动状态信号模拟器工作,这时除在图形终端有正确告警显示外,打印机应打印出这两个状态量的名称、状态及动作时间,其中开关动作所显示和记录的时间应符合站内分辨率的要求。重复上述试验5次以上。
4.4.5 数字量输入测试
利用数字量模拟器设置一组4位十进制数(用BCD码表示),则在显示终端或打印机上能显示或打印出对应的数字遥测量,数值与设置值相同,重复上述试验10次以上。
4.4.6 脉冲量输入测试
启动脉冲量输出模拟器,在RTU的显示终端或打印机上进行核对,该数值应与脉冲量输出模拟器的计数相一致,改变脉冲频率重做上述试验5次以上。
4.4.7 与主机通信正确性测试
RTU及主站计算机系统通电后,在主站图形终端上核对遥测数据及遥信状态。进行4.4.3条至4.4.6条测试时应在主站的图形终端上看到数据的变化及事件记录的告警显示。主站打印出的事件顺序记录应与RTU打印的事件顺序记录一致。
4.4.8 遥控测试
在主站计算机系统键盘上进行遥控操作时,遥控执行指示器应有正确指示。重复上述试验10次以上。
4.4.9 遥调模数转换总误差测试
在主站端改变遥调设置值Ti,在RTU遥调输出端读得Vi,遥调设置值分别取满刻度值的±18,±14,±12及±1,则遥调数模转换误差Ei可由(2)式求出:
(2)
式中 K——设置与输出值的转换系数;
n——数模转换的二进制字长。
总误差取Ei的最大值。
4.4.10 一发两收试验
测试一发两收功能时应有两套主站设备或主站模拟设备。同时在两个主站进行4.4.3~4.4.7各条测试,均应符合功能试验要求。
4.5 低温试验
低温室的温度偏差不大于±2℃,设备在低温室内各表面与相应室内壁之间的最小距离不小于150mm。低温室以不超过1℃/min变化率降温,待温度达到0℃并稳定后开始计时,保温2h,再使设备连续通电2h(交、直流电压均为额定值),检查设备的各种功能应正常。然后将设备断电,以不超过1℃/min的变化率升温,待低温室内温度恢复到正常温度并稳定后,将设备取出低温室进行外观检查。试验细节按GB 2423.1“试验A”进行。
4.6 高温试验
高温室的温度偏差不大于±2℃,相对湿度不超过50%(+35℃),设备在高温室内以不超过1℃/min的变化率升温,待温度达到40℃并稳定后开始计时,保温2h,再使设备连续通电2h(交、直流电压均为额定值),检查设备的各种功能应正常。然后将设备断电,以不超1℃/min变化率降温,待高温室内温度恢复到正常温度并稳定后,将设备取出高温室进行外观检查。试验细节按GB2423.2“试验B”进行。
4.7 湿热试验
试验室的温度偏差不大于±2℃,相对湿度偏差不大于±2%,设备各表面与相应的室内壁之间最小距离不小于150mm,凝结水不得滴落到试验样品上,试验室以不超过1℃/min的变化率升温,待温度达到40℃并稳定后再加湿到90%~95%范围内,保持48h,在试验过程最后1~2h内,按3.6条规定用相应电压的兆欧表测量绝缘电阻,测量时间不小于5s。
试验结束后,先把试验室内的相对湿度在半小时内降到75%±3%,然后在半小时内将试验室内温度恢复到正常温度并稳定后将设备取出试验室进行外观检查。试验细节按GB 2423.3“试验Ca”进行。
注:上述4.5、4.6、4.7条各项试验对不便进行整机试验的大型产品,根据GB2421可按设备技术条件中的规定对关键部件进行相应试验。
4.8 电源影响试验
在正常试验大气条件下,按3.2条规定的参数中任选一项,当该项参数在极限内变化时(其余各项为额定值)设备应可靠工作,性能及参数符合功能要求。
4.9 抗高频干扰试验
按3.8条规定,以高频干扰发生器在被试设备处于工作状态下进行试验:
a.共模干扰试验,将干扰波加在每组输入(或输出)端子与地之间;
b.串模干扰试验,将干扰波加在被试回路端子之间。
试验时间2~2.2s,试验接线见附录A。
4.10 振动试验
根据3.10条要求,按GB2423.10在三个互相垂直的轴线上依次进行扫频试验,每轴线扫频循环20次。
4.11 运输试验
将设备置于卡车上在三级公路作200km的运输试验。
4.12 可靠性测定
对已运行设备进行质量跟踪,可靠性应符合3.11条要求。
5 检验规则
产品检验分出厂检验(交收检验)和型式检验(例行检验)两种。
5.1 出厂检验
5.1.1 每套设备出厂前必须由制造厂技术检验部门在正常试验大气条件下,按以下项目进行成品检验。
a.绝缘电阻;
b.绝缘强度;
c.连续通电;
d.功能检验;
e.性能测试;
f.电源影响试验;
g.外观检验。
5.2 型式检验
在正常试验大气条件下,由制造厂技术检验部门对出厂检验合格的设备进行型式检验。
5.2.1 型式检验周期
a.新产品定型或老产品转厂生产时;
b.大批量生产的设备(每年100台以上)每二年一次;
c.小批量生产的设备每三年一次;
d.正式生产后,如设计、工艺材料、元件有较大改变,可能影响产品性能时;
e.国家质量监督机构提出进行型式检验的要求时;
f.产品长时期停产后,恢复生产时;
g.出厂检验结果与上次型式检验有较大差异时。
5.2.2 型式检验抽样与复验
出厂检验合格产品中任意抽取1~2台进行型式检验。
型式检验各项目全部符合技术要求为合格,发现有不符合技术要求的项目应分析原因,处理缺陷,对产品进行整顿后,再按全部型式检验项目检验。
5.2.3 型式检验项目与顺序
a.外观检验;
b.绝缘电阻;
c.绝缘强度;
d.电源影响;
e.抗高频干扰;
f.低温;
g.高温;
h.湿热;
i.振动;
j.运输;
k.通电试验;
l.可靠性测试。
注:上述e、h、i、l四项检验项目在产品定型时进行。
6 标志、包装、运输、贮存
6.1 标志
6.1.1 每套设备应在屏、台、柜上装铭牌,铭牌上应有下列内容:
a.设备名称;
b.产品型号;
c.制造厂名称和商标;
d.出厂年月、编号。
6.1.2 外包装箱上应以不能洗刷的涂料作以下标记:
a.发货厂名、产品名称、型号及交付托运的包装箱件数;
b.收货单位名称及地址;
c.箱子总重量、外形尺寸;
d.按GB 191在箱子外面加上“防潮”、“向上”等标志。
6.2 包装
6.2.1 产品包装前的检查
a.产品的附件、备品、合格证和有关技术文件是否齐备;
b.产品外包装有无损坏;
c.产品表面有无灰尘。
6.2.2 包装的一般要求
产品应有内包装和外包装箱,插件插箱应锁紧扎牢,包装箱应有防尘、防雨、防震措施,并有吊装设施及标志。
6.3 运输
设备应适于陆运、水运(海运)或空运,运输及装卸按包装箱上的标记进行。
6.4 贮存
包装好的设备应贮存在环境温度-25~65℃,相对湿度不大于85%的库房内,室内无酸、碱、盐及腐蚀性、爆炸性气体,不受灰尘雨雪的侵害。
附录A
抗高频干扰试验电器
(参 考 件)
A1 共模高频干扰试验电路
试验电路如图A1所示,对被试设备施加额定电压的电源,当对某回路进行干扰试验时,应将电感L串入该输入(输出或电源)回路的外回路中。此处所指的外回路,是模拟3.8.2.2所指的外部回路。高频干扰波通过电容C加于设备被试回路与外壳之间,外壳应接地。

图A1 共模高频干扰试验电路
A2 串模高频干扰试验电路
试验电路如图A2所示。电源、外电路的连接与共模干扰试验相同,不同的是,干扰波加于同一组的两条回路之间。

图A2 串模高频干扰试验电路
________________
附加说明:
本标准由中华人民共和国能源部提出。
本标准由全国电力远动通信标准化技术委员会归口。
本标准由能源部南京自动化研究所、南京电力自动化设备厂负责起草,电力科学研究院、华东电力设计院、华东电业管理局参加。
本标准主要起草人赵祖康、陈鼎坤、朱大新、谭文恕、杨雅梁、丁国华。