中华人民共和国电力行业标准
静态零序电流方向保护装置 DL 482—92
技 术 条 件
中华人民共和国能源部1992-07-02批准 1992-10-01实施
1 主题内容与适用范围
本标准规定了静态零序电流方向保护装置的技术要求和试验方法。
本标准适用于110kV及以上中性点直接接地系统的输电线路的静态零序电流方向保护装置(以下简称装置)。
2 引用标准
GB7261 继电器及继电保护装置基本试验方法
GB6162 静态继电器及保护装置的电气干扰试验
DL478 静态继电保护及安全自动装置通用技术条件
SD286 线路继电保护产品动模试验技术条件
本标准未提及的均应符合电力行业标准DL478《静态继电保护及安全自动装置通用技术条件》和其他有关的国家标准提出的要求。
3 产品分类
3.1 装置按构成型式分为分立元件构成的与集成电路构成的两类。
3.2 由产品标准规定出以下内容:
a.产品型式、规格;
b.装置型号的表示方法及其含义。
4 技术要求
4.1 额定数据
4.1.1 输入激励量额定值
交流(有效值):100V,5A或1A,50Hz。
4.1.2 辅助激励量额定值
4.1.2.1 逆变电源输入直流额定电压:220V,110V,48V。
4.1.2.2 逆变电源输出直流额定电压:
a.分立元件的装置:24V,18V,并应有负偏压;
b.集成电路的装置:24V,±15(12)V。
4.1.2.3 逆变电源输入直流电压的允许波动范围为额定电压的80%~110%(115%)。
4.2 过载能力
4.2.1 交流电压回路
1.2倍额定电压下可连续运行。
4.2.2 交流电流回路
2倍额定电流下能连续工作;
10倍额定电流下允许工作16s;
40倍额定电流下允许工作1s。
4.3 功率消耗
4.3.1 交流电压回路
在额定电压下,3U0回路功率消耗不大于2VA。
4.3.2 交流电流回路
a.分立元件的装置:在额定电流下,不大于6VA;
b.集成电路的装置:在额定电流下,不大于2VA。
4.3.3 直流回路
由产品标准规定。
4.4 环境条件
4.4.1 基准环境条件
作为确定装置基本性能及准确度的基准条件及仲裁条件:
a.环境温度:20±2℃;
b.相对湿度:45%~75%;
c.大气压力:86~106kPa。
4.4.2 装置适用的正常工作条件
a.额定环境温度范围:-5~40℃,-10~55(50)℃;
b.相对湿度:45%~90%;
c.大气压力:80~110kPa。
4.5 整套装置的主要技术要求
4.5.1 装置有五个零序电流元件,四个阶段时间元件,可实现:
a.四段式保护;
b.有两个Ⅰ段(或两个Ⅱ段)的三段式保护;
c.最末段时限在重合闸启动后可以缩短Δt。
4.5.2 跳闸出口:
4.5.2.1 装置的各段有独立的出口继电器。
4.5.2.2 跳闸出口方式可选择:
a.自备选相元件及相应的逻辑回路,实现分相跳闸或三相跳闸;
b.直接三相跳闸或通过综合重合闸等装置实现分相或三相跳闸。
4.5.3 设有一个零序功率方向元件,根据需要可任意选择控制某一段或段的运行方式。当装置接于线路电压互感器时,在单相重合闸过程中可取消方向元件的控制。
4.5.4 装置中的一个灵敏电流元件,有单独的电流接线端子。必要时可以接至相邻的电流互感器零序回路,实现电流回路断线闭锁,或启动发信用。
4.5.5 应设下列后加速回路:
重合闸后加速及手合后加速,并应考虑三相重合闸时断路器三相不同期问题。
4.5.6 整组动作时间:
在1.5倍电流整定值下,第Ⅰ段整组动作时间不大于25ms。
在20倍额定电流下各段整组返回时间不大于30ms。
4.5.7 装置应设有下列动作信号指示:
a.各保护段及后加速段动作;
b.零序功率方向元件动作。
4.5.8 装置应能与通道配合,构成方向比较式纵联保护。
4.5.9 装置中应具有监视报警回路。当任一元件损坏时,装置不应误发跳闸命令,而应发出报警信号。
4.5.10 装置具有“装置动作”、“装置故障”及“直流消失”等由非电量保持的信号指示,并同时起动中央信号,必须手动复归。
4.5.11 由装置外引入的触点或电信号必须经过重动继电器或光电隔离器转换,以减少外部对装置的干扰,提高装置工作的可靠性。
4.6 基本元件的主要技术要求
以下出现的电流值均为对应额定电流5A的数据,当额定电流为1A时缩小5倍。
4.6.1 电流元件
4.6.1.1 电流元件的整定范围推荐于表 1。
表 1 A
|
电 流 元 件 |
定 值 整 定 范 围 |
级 差 |
|
一 |
2.5~50 |
0.1 |
|
二 |
2.5~50 |
0.1 |
|
三 |
1~25 |
0.05 |
|
四 |
0.5~12.5 |
0.05 |
|
五 |
0.5~12.5 |
0.05 |
4.6.1.2 刻度值误差及温度变差:
a.在基准环境温度下,刻度值误差不大于3%;
b.在额定环境温度范围内,实测值与基准环境温度下实测值比较,变差不于5%。
4.6.1.3 动作时间:
1.5倍整定值下不大于15ms。
4.6.1.4 返回时间:
各段电流元件在20倍额定电流下返回时间不大于25ms。
4.6.1.5 暂态误差:
对瞬时段的暂态误差,在模拟线路(含线路对地电容)阻抗角为86°和各种短路角下小于5%。
暂态误差计算公式
4.6.1.6 返回系数应大于0.9。
4.6.1.7 高次谐波的动作电流值应大于基波的动作值(高次谐波指2,3,5,7次谐波)。
4.6.2 零序功率方向元件
4.6.2.1 最大灵敏角100°±5°(电压滞后电流)。
4.6.2.2 灵敏度:
在最大灵敏角下,最小动作伏安不大于1VA,最小动作电流不大于0.5A,最小动作电压不小于0.5V。
4.6.2.3 动作时间:
在最大灵敏角、5倍最小动作伏安和电压为5V时,不大于25ms。
4.6.2.4 返回时间。
在额定电压、10倍额定电流及最大灵敏角下,断电返回时间不大于40ms;在功率倒向时,反向功率为5倍最小动作伏安的返回时间不大于20ms。
4.6.2.5 动作范围:
动作范围是指方向元件通入不同的电流、电压值时,能使其动作的电压滞后电流的角度范围。
a.在20%额定电流和20V电压下,不小于130°且不大于180°。
b.在10倍额定电流和100V电压下,不大于180°。
c.不明确动作区不大于5°。
4.6.2.6 应无电流和电压的潜动。
4.6.2.7 电压为100V、电流为10倍额定电流时,模拟反方向故障及反方向故障切除时方向元件应可靠不动作。
4.6.2.8 电流回路通入基波电流0.5A、电压回路通入三次谐波电压15V时,方向元件应可靠不动作。
4.6.3 时间元件
4.6.3.1 整定范围:
推荐采用表 2所示的整定范围。
表 2 s
|
时 间 元 件 |
整 定 范 围 |
级 差 |
|
一 |
0.25~1.1 |
0.05 |
|
二 |
0.25~2.9 |
0.05 |
|
三 |
0.25~2.9 |
0.05 |
|
四 |
1~9 |
0.1 |
4.6.3.2 刻度值误差及温度变差:
a.在基准环境温度下,刻度值误差不大于3%;
b.在额定环境温度范围内,实测值与基准环境温度下实测值比较,变差不大于5%。
5 试验方法
本标准仅提出整套装置及其基本元件的技术性能试验项目和可供选用的试验线路。有关通用试验项目和试验方法可参照GB6162—85《静态继电器及保护装置的电气干扰试验》;DL478—92;GB7261《继电器及继电保护装置基本试验方法》及SD286—88《线路继电保护产品动模试验技术条件》等有关颁布的标准。

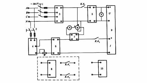
图 1
1—三相控制开关;2—单相控制开关;3—移相设备(输出电压
波形中应不含有明显的谐波分量);4—单相调压器;5—单相调压器;
6—升流器;7—标准电流互感器;8—合闸角控制器(KA1、KA2系其
触点);9—被试装置;10—毫秒计;
—电压表;
—电流表;
—相位表
5.1 试验的环境条件
装置的技术性能试验可在基准环境条件下或正常工作条件下进行。
5.2 技术性能试验
5.2.1 刻度值试验。
电流元件可采用第5.4条所示试验线路进行。
5.2.2 时间元件试验。
5.2.3 零序功率方向元件、电流元件的性能可按第5.4条试验线路进行测试。
5.2.4 装置整组动作时间、整组返回时间试验。
可在电力系统动(静)态模拟系统或第5.4条所示试验线路上进行。
5.2.5 电流元件暂态误差(超越)试验,可在电力系统动(静)态模拟系统或按相应的试验线路进行。
5.2.6 装置的整组试验:
整组试验宜在模拟系统上进行。模拟故障发生时,出口继电器应动作跳开模拟系统的断路器,装置的信号应指示正确。
a.区内单相、两相接地故障的动作行为;
b.正反方向的区外单相、两相接地故障的动作行为;
c.装置与保护通道配合,在发生接地故障及区外故障功率倒向时的动作行为;
d.装置与综合重合闸配合工作时,在永久性和瞬时性故障的动作行为;
e.电流回路断线时装置的动作行为。
5.3 动态模拟试验
按照DL478—92及SD286—88《线路继电保护产品动模试验技术条件》的有关规定。
5.4 装置的试验线路(供参考)
试验线路见图1。
试验线路的电源技术条件应符合GB 7261和DL 478—92的有关规定。
___________________
附加说明:
本标准由全国继电保护标准化技术委员会静态继电保护分技术委员会提出和归口。
本标准由能源部南京电力自动化设备厂负责起草。
本标准主要起草人:夏盛铭、乔旭梅。