中华人民共和国电力行业标准
DL 480—92
静态电流相位比较式纵联保护装置
技术条件(继电部分)
中华人民共和国能源部1992-07-02批准 1992-10-01实施
1 主题内容与适应范围
本标准规定了静态电流相位比较式纵联保护装置(继电部分)的分类原则、技术要求、试验方法、检验规则及标志、包装、贮运等要求。
本标准适用于110kV及以上中性点直接接地系统的静态电流相位比较式纵联保护装置(以下简称装置或装置)。
由半导体分立元件或集成电路构成的相差纵联保护装置均应符合本标准。本标准对相差纵联保护装置提出了最低限度的技术条件,作为设计、制造、检查及验收的依据。
本标准为相差纵联保护装置的专业标准。
2 引用标准
GB7261 继电器及继电保护装置基本试验方法
GB6162 静态继电器及保护装置的电气干扰试验
SD286 线路继电保护产品动模试验技术条件
3 名词术语
3.1 一次比相(Single measurement of the phase comparison)
相位比较回路一次动作即发出跳闸命令。
3.2 二次比相(Duplex measurement of the phase comparison)
相位比较回路连续两次动作后发出跳闸命令。
3.3 闭锁角(Blocking range limiting angle)
相位比较回路比相过程中不动作的最大极限角度。
4 产品分类
4.1 型式及分类
4.1.1 本装置的构成原理为静态型。
4.1.2 本装置的安装方式为嵌入式安装。
4.1.3 本装置的结构为插件式结构,接线方式为背后接线方式。
4.2 型号及含义
本装置可分为带有及不带独立选相跳闸功能的两类。装置的型号及其含义由产品标准规定。
4.3 额定参数
a.交流电压额定值:100V,100/3V;
b.交流电流额定值:5A,1A;
c.直流电压额定值:110V,220V;
d.跳闸回路自保持电流额定值:0.5A,1.0A,2.0A,4.0A;
e.交流频率额定值:50Hz。
4.4 外形及安装尺寸
装置的外形尺寸和安装尺寸应符合IEC国际标准的有关规定,由产品标准确定。
4.5 重量
由产品标准规定。
5 技术要求
5.1 工作环境条件
a.环境温度:-10~+50℃;
b.相对湿度:45%~90%(25℃);
c.大气压力:80~106kPa。
装置在工作环境条件下应可靠工作。
5.2 基准环境条件
基准环境条件是指确定产品基本性能及准确度或作为仲裁试验的环境条件。
a.环境温度:20±2℃;
b.相对湿度:45%~75%;
c.大气压力:86~106kPa。
5.3 正常试验环境条件
a.环境温度:15~35℃;
b.相对湿度:45%~75%;
c.大气压力:86~106kPa。
5.4 贮存、运输极限环境温度
装置的贮存、运输、安装允许的极限环境温度为-25~70℃,在不施加激励量的条件下,不出现不可逆变化,温度恢复后,装置性能符合本标准的有关规定。
5.5 周围环境
使用地点无爆炸危险,无腐蚀性气体及导电尘埃,无严重霉菌,无剧烈冲击振动源;有防御雨、雪、风、砂、尘及静电措施。
5.6 直流电源
5.6.1 输入电压
a.额定电压:110V,220V;
b.允许电压偏差:+15%~-20%;
c.纹波系数小于:5%。
5.6.2 输出电压
逆变电源输出额定电压:24V,±15V;±12V。
5.7 功率消耗
交流电压回路在额定电压下每相功率消耗不大于:5VA,1VA。
5.7.1 交流电流回路在额定电流下每相(包括零线回路)功率消耗不大于:5VA,2VA。
5.7.2 直流电源回路在额定电压下的功率消耗不大于:60W,40W。
5.8 装置整组性能要求
5.8.1 在全相运行状态下应能反应各种短路故障,包括同时性三相对称短路。选相元件相继动作时,亦能正确动作。
5.8.2 系统发生全相或非全相振荡以及非全相运行中不应误动。
5.8.3 在保护装置允许的使用范围内,应考虑非工频电流分量和电容性电流对保护装置的不利影响,并采取必要的对策。任何情况下区外故障、区外故障切除以及空载合闸时,不应误动。
5.8.4 相位比较的构成方式可选择:
a.分相电流操作(调制)的分相式相位比较纵联保护;
b.对称分量综合电流操作(调制)的综合量相位比较纵联保护。
5.8.5 操作电流输入回路施加0.3~20倍对称三相额定电流时,输出操作电压相位变化不大于15°。
两台保护装置在同一电流作用下,输出电压相角差不大于4°。
5.8.6 起动元件和操作元件所反应的电气量应相互配合,不论发生何种短路故障,应保证起动元件起动时,操作元件正确操作。
5.8.7 起动元件宜设灵敏度不同的高定值和低定值两组整定值。
5.8.8 起动元件可配套选用以下几种元件构成:
a.负序电流元件或负序电流增量元件(应保证同时性三相短路可靠动作);
b.电流突变量元件;
c.零序电流元件;
d.相电流元件或带偏移特性的阻抗元件。
5.8.9 相位比较回路正常运行时受起动元件闭锁,仅当故障电流超过整定值起动元件起动后,略带延时投入工作。
5.8.10 相位比较回路的构成方式可选择:
a.工频操作电流半波比相的相位比较回路;
b.工频操作电流正负半波都进行相位比较的双向相位比较回路。
5.8.11 相位比较元件宜采用二次比相式,即实现连续二次成功的工频比相后,发出跳闸命令。
5.8.12 综合量相差纵联保护装置的跳闸出口方式可选择:
a.自备选相元件和相应的跳闸逻辑回路,实现分相或三相跳闸。
b.直接三相跳闸或通过综合重合闸等装置实现分相或三相跳闸。
5.8.13 装置跳闸出口回路应按两个断路器接线的需要配置。
5.8.14 2倍起动元件整定值(高定值)下,二次工频比相的整组动作时间不大于60ms。
5.8.15 设有断路器三相跳闸后立即闭锁发信的回路,但该闭锁回路不影响断路器在断开位置通道对试手动起动发信。在闭锁状态下,远方起动发信带有100~200ms延时。
5.8.16 应具有监视报警回路。当任一元件损坏时,闭锁跳闸回路,并发出报警信号,必须手动复归。
5.8.17 交流电流回路断线,保护装置不应误动。
5.8.18 应具有反应“装置动作”、“装置故障”、“直流消失”等由非电气量自保持的信号指示,并同时启动中央信号,必须手动复归。
5.8.19 装置与外部联系的接口回路必须经过重动继电器或光电耦合器转换。
5.9 基本元件的主要技术要求
5.9.1 起动元件
5.9.1.1 负序电流起动元件
a.整定范围:
低定值:0.1IN ,0.15IN ,0.2IN ;
高定值:0.2IN ,0.3IN ,0.4IN 。
IN 为额定电流,下同。
b.三相同时性短路相电流为负序电流动作值的4倍时能可靠动作。
c.整定值刻度误差不大于5%。
d.1.5倍整定值下,各种短路合闸相角下的动作时间不大于15ms,两相短路6倍额定电流下,返回时间不大于20ms。
e.施加三相对称电流为2倍额定电流时,不应饱和。
5.9.1.2 电流突变量元件和负序电流增量元件
a.整定范围:
低定值:0.1 IN ,0.15 IN ,0.2 IN ;
高定值:0.2 IN ,0.3 IN ,0.4 IN 。
b.动作值与整定值刻度离散范围受短路合闸相角影响,在±30%以内。
5.9.1.3 零序电流元件(3I0)
a.整定范围:
低定值:0.1IN ,0.15IN ,0.2IN ;
高定值:0.2IN ,0.3IN ,0.4IN 。
b.整定值刻度误差不大于5%。
c.在1.5倍整定值,各种短路合闸相角下,动作时间不大于15ms,6倍额定电流下返回时间不大于20ms。
5.9.1.4 相电流元件
a.整定值范围:0.4IN~2IN ,级差为0.2IN 。
b.整定值刻度误差不大于5%。
c.在1.5倍整定值下,动作时间不大于15ms。返回系数不小于0.9,6倍额定电流下返回时间不大于20ms。
5.9.1.5 阻抗元件
a.阻抗整定范围:
5A制:0.4~20Ω/相。
1A制:2.0~100Ω/相。
b.动作阻抗与整定阻抗之比小于或等于0.7,2倍精工电流下的动作时间不大于15ms,返回时间不大于20ms,返回系数不大于1.15。
c.模拟阻抗角为75°~85°。
d.第三象限偏移度为10%~15%。
e.最小精确工作电压不大于1V。
5.9.2 操作元件
5.9.2.1 选用I1±KI2为操作量时,K值等于6,误差不大于5%。
5.9.2.2 起动元件低定值起动时,操作元件输出电压保证方波形成器输出正负半周方波角度比优于210°/150°。
5.9.3 相位比较元件
相位比较元件的闭锁角整定范围为60°~80°。
5.10 温升
当周围介质温度为40℃时,装置长期施加1.1倍额定值时,相应变量器绕组温升不超过65℃,且无绝缘或其他元件损坏现象发生。
5.11 过载试验
5.11.1 短时热稳定试验
装置的交流电流回路应能承受20倍额定电流,历时1s的短时过电流冲击,应无绝缘损坏、烧损等现象出现。装置恢复正常后,其性能符合本标准的有关规定。
5.11.2 极限动稳定试验
装置的交流电流回路应能承受峰值为本标准第5.11.1条规定的短时热稳定极限电流的2.5倍的电流,持续时间为10ms,装置应无绝缘损坏、线圈及结构零件无永久机械变形。装置恢复后,其性能符合本标准的有关规定。
5.12 振动承受能力
5.12.1 装置应能承受GB7261第16.2条规定的严酷等级为1级的振动响应试验。
5.12.2 装置应能承受GB7261第16.3条规定的严酷等级为1级的振动耐久能力试验。
5.13 冲击承受能力
5.13.1 装置应能承受GB7261第17.4条规定的严酷等级为1级的冲击响应试验。
5.13.2 装置应能承受GB7261第17.5条规定的严酷等级为1级的冲击耐受能力试验。
5.14 碰撞承受能力。
装置应能承受GB7261第18条的规定的严酷等级为1级的碰撞试验。
5.15 绝缘性能要求
5.15.1 绝缘电阻
装置的带电部分和非带电金属部分及外壳之间,以及电气上无联系的各带电电路之间,用开路电压500V的兆欧表测得的绝缘电阻值应不小于100MΩ。
5.15.2 工频耐压承受能力
装置的带电部分和非带电金属部分及外壳之间,以及电气上无联系的各带电回路之间(指交流输入回路之间和交流输入回路与直流输入回路之间),应能承受频率为50Hz、有效值为2000V的交流电压,历时1min的工频耐压试验,应无绝缘击穿或闪络现象。
5.15.3 冲击电压承受能力
装置的各带电电路对非带电金属部分及外壳之间,以及在电气上无联系的各交流电路之间,应能承受1.2/50μs的标准雷电波的短时冲击电压试验,开路试验电压峰值为5kV,装置应无绝缘损坏。装置恢复后,其性能指标应符合本标准的有关规定。
5.16 耐湿热性能
装置在最高温度为40℃,经试验周期为2周期(48h)的交变湿热试验,在试验结束前2h内,用开路电压为500V的兆欧表测量装置各导电电路对外露非带电金属零件及外壳之间,电气上不联系的交流输入电路之间以及交流输入电路与直流输入电路之间的绝缘电阻值,应不小于1.5MΩ;各带电电路与外露的非带电金属零件及外壳之间的介质耐压强度为本标准第5.15.2条规定的工频耐压试验电压幅值的75%以上。
5.17 承受高频电气干扰能力
装置应能承受GB6162规定的高频干扰试验,试验电源频率为1MHz和100kHz,试验电压幅值共模为2500V、差模为1000V,波形为衰减振荡波。按标准规定,对被试继电器预先施加激励量,在规定的临界动作条件下,叠加干扰波试验电压,继电器不应误动或拒动,装置内各元件不应损坏,其性能符合本标准规定。
5.18 结构外观及其他要求
5.18.1 装置应有外壳防护并有防尘措施,面罩应透明,以便运行人员清楚地观察整定刻度值及各种信号指示。
5.18.2 装置机箱应采取必要的防静电及电磁干扰的防护措施,机箱的不带电金属部分应在电气上连成一体,并可靠接地。
5.18.3 装置面罩设置铅封,启封后方可进行调试或整定。
5.18.4 装置的模件应拨插灵活,接触可靠,接插件插拨力,接触电阻、额定电流、寿命等应符合有关接插件标准的规定。
5.18.5 印刷电路板的设计、制造应符合有关标准规定,元器件布局合理,焊接牢固可靠,接触良好,无假焊虚焊,不允许使用有腐蚀性的助焊剂。
5.18.6 装置中采用的各类继电器及外购电器元件应符合有关标准规定,除满足装置提出的要求外,还应按有关规定进行老化筛选。
6 试验方法
6.1 试验条件
试验在本标准第5.1条规定的基准试验条件下进行,并符合GB7261第3章的有关规定。
6.2 结构及外观检查
根据本标准第5.17条的要求,按GB7261第4章规定,逐项进行检查。
6.3 技术性能试验
6.3.1 试验项目
6.3.1.1 基本元件特性试验
a.负序电流元件、负序电流增量元件、电流突变量元件、零序电流元件、相电流元件的特性试验(使用图1所示试验线路)以及阻抗元件的特性试验(采用图2所示试验线路)。
b.各电流元件和阻抗元件的刻度值试验,阻抗元件的模拟阻抗角和反向偏移度试验。
c.各电流元件和阻抗元件动作和返回时间试验。
d.在阻抗元件的动作阻抗与短路电流的关系曲线Z=f(I)上求取最大、最小精工电流和动作阻抗与相角φ的关系曲线Z=f(Φ)。
e.操作滤过器的K值试验。
6.3.1.2 配合收发信机的整组性能试验
a.保护装置起动发信、停信试验。
b.保护装置操作方波调制收发信机的性能试验。
c.保护装置相位比较特性试验。
d.正方向和反方向短路特性试验。
e.整组动作和整组返回时间特性试验。
f.选相跳闸性能试验。
6.3.2 装置的试验线路(供参考)
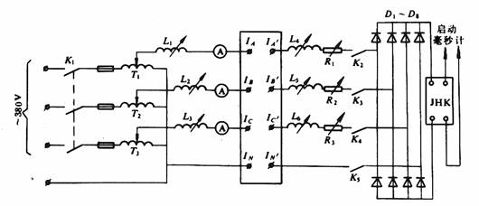
6.3.2.1 三相电流模拟试验线路三相电流模拟试验线路如图1所示。

图 1 三相电流模拟试验线路
试验设备及仪表规格如下:
T1、T2 、T3——3~5kVA单相调压器;
L1~L6——可变电感器(0~25Ω,阻抗角85°);
R1、R2 、R3——滑线电阻(0~10Ω,电流10A);
D1~D8——整流二极管(额定电流50A,反向击穿电压800V);
JHK——合闸相角控制器;
K1——三极开关;
K2~K5——单极开关;
A——交流电流表(0~5A,0.5级)。
6.3.2.2 单相短路模拟试验线路
单相短路模拟试验线路如图2所示。

图 2 单相短路模拟试验线路
试验设备及仪表规格如下:
T1——3~9kVA三相调压器;
T2——5kVA单相调压器;
T3 ——1kVA单相调压器;
SH——移相设备;
R1——滑线电阻(100~200Ω,1A);
L——可调电感器(0~25Ω);
TT——仪用电流互感器(0~50A,0.2级);
K1、K2——三极、单极开关。
6.4 静态和动态模拟试验
这是检验保护装置的最后程序,试验宜在静态或动态模拟系统上进行。模拟系统应满足SD286的规定。试验项目如下。
6.4.1 区内单相接地、两相短路接地、两相短路和三相短路的动作行为。
6.4.2 区外单相接地、两相短路接地、两相短路和三相短路时的动作行为。
6.4.3 转换性故障时的行为。
6.4.4 全相和非全相振荡中的行为以及振荡过程中再故障时的行为。
6.4.5 选相跳闸功能。
6.4.6 手动合闸于空载线上或永久性故障线路时的行为。
6.4.7 保护装置与综合重合闸等装置配合工作在各种短路故障情况下的行为。
6.4.8 电流回路断线或装置内部故障时的行为。
6.5 温升试验
本标准第5.10条温升按GB7261第11条规定的方法进行试验。
6.6 过载试验
本标准第5.11条过载能力试验按GB7261第23条规定的方法分别进行短时热稳定试验和极限动稳定试验。
6.7 振动试验
本标准第5.12条振动承受能力按GB7261第16条的规定分别进行振动响应试验和振动耐久试验。
6.8 冲击试验
本标准第5.13条冲击承受能力按GB7261第17条的规定和方法分别进行冲击响应试验和冲击耐久试验。
6.9 碰撞试验
本标准第5.14条碰撞承受能力按GB7261第18条的规定和方法进行碰撞试验。
6.10 绝缘试验
本标准第5.15条绝缘性能要求按GB7261第20条的规定和方法分别进行介质强度试验、绝缘电阻测量和冲击电压试验。
6.11 潮湿试验
本标准第5.16条耐湿热性能按GB7261第21条的规定和方法进行潮湿试验。
6.12 电气干扰试验
本标准第5.17条承受高频电气干扰能力试验按GB6162规定的方法进行电气干扰试验。
7 检验规则
7.1 出厂检验
每台保护装置出厂前必须由制造厂技术检验部门在正常试验大气条件下,按以下项目进行成品检验。
a.外观检验;
b.功能检验;
c.绝缘电阻试验;
d.绝缘强度试验;
e.连续通电试验。
7.2 型式检验
在正常试验大气条件下,由制造厂技术检验部门对出厂检验合格的装置进行型式检验。
7.2.1 型式检验周期
在下列情况下进行型式检验:
a.新产品定型鉴定前;
b.产品转厂生产定型鉴定前;
c.批量生产的装置每2~3年一次;
d.正式投产后,如设计、工艺材料、元器件有较大改变,可能影响产品性能时;
e.产品停产1年以上又恢复生产时;
f.国家技术监督机构提出型式检验要求时;
g.出厂检验结果与上次检验有较大差异时。
7.2.2 型式检验抽样与判定
从出厂检验合格的产品中任意抽取1~2台样品进行型式检验。
型式检验各项目全部符合技术要求为合格,发现不符合技术要求的项目应分析原因,处理缺陷,对产品进行整顿后,再按全部型式检验项目重复检验。检验合格后方可继续生产。
7.2.3 型式检验项目与顺序
a.外观检查;
b.功能检验;
c.功率消耗;
d.静动模试验;
e.抗干扰试验;
f.高低温试验;
g.温升试验;
h.湿热试验;
i.过载能力;
j.振动试验;
k.碰撞试验。
上述检验项目中的e、h、i、j、k五项具有破坏性,在产品定型时进行,在一般型式检验中慎做。
8 标志、包装、运输、贮存
8.1 标志
8.1.1 每台装置必须有持久清晰的标志或铭牌,标志下列内容:
a.装置型号、名称;
b.制造厂名全称及商标;
c.额定参数;
d.对外端子接线图;
e.出厂年月及编号。
8.1.2 外包装箱上应以不易洗刷的涂料作如下标记:
a.发货厂名、产品名称、型号;
b.收货单位名称及地址;
c.箱子毛重及外形尺寸(长×宽×高);
d.箱子外面加上“防潮”、“向上”、“小心轻放”等标志。
8.2 包装
8.2.1 产品包装前的检查
a.产品的附件、备品、合格证和有关技术文件是否齐全;
b.产品外观有无损伤;
c.产品表面有无灰尘。
8.2.2 包装的一般要求
产品应有内包装和外包装,插件、插箱应锁紧、扎牢,包装应有防尘、防雨、防震措施。
8.3 运输
装置应适于陆运、水运(海运),运输装卸按包装箱上的标志进行操作。
8.4 贮存
包装好的装置应贮存在环境温度为-25~65℃、相对湿度不大于85%的库房内,室内无酸、碱、盐及腐蚀性、爆炸性气体,不受灰尘雨雪侵害。
___________________
附加说明:
本标准由全国继电器、继电保护及安全自动装置标准化技术委员会归口。
本标准由静态继电保护标准化分技术委员会提出。
本标准由南京自动化研究所负责起草。
本标准主要起草人:田守常。