中华人民共和国电力行业标准
DL 479—92
静态距离保护装置技术条件
中华人民共和国能源部1992-07-02批准 1992-10-01实施
1 主题内容与适用范围
本标准规定了静态距离保护装置的分类原则、技术要求、试验方法。
本标准适用于静态距离保护装置(以下简称装置),该装置适用于110kV及以上电压等级中性点直接接地的输电线路。
本标准作为装置设计、制造、检查及验收的依据。
2 引用标准
GB2900.1 电工名词术语 基本名词术语
GB2900.17 电工名词术语 继电器及继电保护装置
GB7261 继电器及继电保护基本试验方法
GB6162 静态继电器及保护装置的电气干扰试验
GB11287 继电器、继电保护装置的振动(正弦)试验
DL478—92 静态继电保护及安全自动装置通用技术条件
3 名词术语
本标准采用的名词术语,均按照GB2900.1及GB2900.17的规定。
4 产品分类
4.1 型式及分类
4.1.1 装置的构成原理为静态型。
4.1.2 装置的安装方式为嵌入式安装。
4.1.3 装置结构为插件式结构。
4.1.4 装置接线方式为后接线方式。
4.2 型号及含义
装置的型号及含义由产品标准规定。
4.3 外形及安装尺寸
装置的外形尺寸及安装尺寸由产品标准规定。
4.4 重量
装置的重量由产品标准规定。
5 技术要求
5.1 一般要求
装置应符合本标准要求,并应按照经规定程序批准的图纸及技术文件制造,各部件、组件均应符合生产图纸的要求。用于湿热带的装置除符合本标准规定外,还应符合JB4259《热带保护继电器及保护装置》的规定。
5.2 影响量和影响因素的基准值和试验允差
影响量和影响因素的基准值和试验允差见表1。
表1
|
影响量和影响因素 |
基 准 值 |
试 验 允 差 |
|
环境温度(℃) |
20 |
±2 |
|
大气压力(kPa) |
96 |
±10 |
|
相对湿度 |
65% |
-20%,+10% |
|
工作位置 |
垂直于安装垂直面 |
任一方向倾斜不超过2° |
|
交流中的直流分量(稳态) |
0 |
不大于峰值的2% |
|
直流中的交流分量(纹波) |
0 |
≤6% |
|
电源频率(Hz) |
0 |
不超过±0.5% |
5.3 影响量和影响因素标称范围的标准极限值
影响量和影响因素标称范围的极限值见表2。
表2
|
影响量和影响因素 |
标称范围的极限值 |
|
环境温度(℃) |
0~40,-10~50 |
|
大气压力(kPa) |
80~110 |
|
相对湿度 |
最湿月的月平均最大相对湿度为90%,同时最湿月的月平均最低温度为25℃ |
|
工作位置 |
偏离基准位置任一方向5° |
|
电源频率(Hz) |
不超过额定值的±2% |
|
交流电源波形 |
畸变因素不大于5% |
|
交流中的直流分量(稳态) |
不大于峰值的5% |
|
直流中的交流分量(纹波) |
0~12% |
|
辅助激励量 |
80%~115%额定值(额定值为110V,220V) |
5.4 对使用场所的其它要求
a.使用地点不允许有较强的振动与冲击;
b.使用地点不得存在有爆炸危险的介质,不允许充满水蒸气及有较严重的霉菌存在;
c.使用地点应具有防御雨、雪、风、沙的设施;
d.使用地点不允许有较强的外磁感应强度。
5.5 贮存、运输极限环境温度
装置的贮存、运输允许的极限环境温度为-25~70℃,在不施加激励量的条件下,不出现不可逆变化,温度恢复后,装置性能仍应符合本标准的要求。
5.6 主要技术参数
5.6.1 额定数据
5.6.1.1 交流电压
,100V。
5.6.1.2 交流电流
5A,1A。
5.6.1.3 频率
50Hz。
5.6.1.4 直流电压
逆变电源输入额定电压为220V、110V,输入电压的允许波动范围为额定电压的80%~115%。对于逆变电源输出额定电压,分立元件的保护装置采用24V、18V,并应有负偏压:集成电路的保护装置采用24V、±15V、±12V。
5.6.2 过载能力
5.6.2.1 交流电压回路
1.2倍额定电压下可连续运行。
5.6.2.2 交流电流回路
2倍额定电流下能连续运行,10倍额定电流下允许10s。
5.6.3 功率消耗
5.6.3.1 交流电压回路
额定电压下每相功率消耗:分立元件的保护装置不大于15VA,集成电路的保护装置不大于3VA。
5.6.3.2 交流电流回路
在额定电流下每相(包括零线回路)功率消耗:分立元件的保护装置不大于6VA,集成电路的保护装置不大于1VA。
5.6.3.3 直流回路
在额定电压下应不大于60W。
5.7 主要技术性能
5.7.1 整套保护可根据需要反应下列短路故障;
a.相间短路;
b.接地短路;
c.相间和接地短路。
5.7.2 保护装置的阻抗元件可采用切换式或不切换方式构成。
5.7.3 在全相运行方式下,按保护装置选相跳闸的规定程序,有选择性地切除相应的各种类型故障。
5.7.4 在非全相运行过程中,应可靠闭锁可能误动的保护段,当非全相过程再发生故障,允许保护装置不动作或无选择性加速动作,或有选择性地延时动作。
5.7.5 对于保护接地短路的距离保护,要求阻抗元件应有较好保护过渡电阻的能力。
5.7.6 在保证原有保护性能的前提下能和专用或复用载波、微波、特高频、光纤等通道设备配合工作,实现下列功能中一种或几种:
a.允许式;
b.闭锁式;
c.混合式;
d.解除闭锁式。
为方便实现上述a、b、c功能,保护装置的Ⅰ、Ⅱ、Ⅲ段都应具有方向性。
5.7.7 整套保护装置宜采用电流元件启动,推荐选择下列元件:
a.三相式负序电流或负序电流增量元件;
b.电流突变量元件;
c.零序电流或零序电流增量元件。
5.7.8 接地距离保护装置应能独立选相跳闸或能通过选相装置实现分相跳闸。
5.7.9 保护装置应设两个独立出口回路,距离Ⅰ、Ⅱ段共用一个出口,和通道设备配合构成的全线速动保护部分可通过该出口跳闸或另设出口回路,距离Ⅲ段用另一个出口。对于220kV及以上线路的保护,出口继电器的触点数目应按能跳开双断路器配置。对能独立选相跳闸的保护装置,应有两副启动断路器失灵保护的专用触点。
5.7.10 保护装置必须具备振荡闭锁措施,当全相振荡发生区内短路时,允许保护延时动作。
5.7.11 保护装置应能适用于接在母线上或线路上的电磁式和电容式电压互感器。
5.7.12 保护装置背后发生各种类型的金属性短路或经电阻短路时,不应误动。
5.7.13 交流电压二次回路发生断线或短路故障时,应能闭锁保护装置,保证不误动。
5.7.14 保护装置应有可供选择的下列重合闸后加速方式:
a.瞬时加速第Ⅱ段或第Ⅲ段;
b.瞬时恢复第Ⅰ、Ⅱ段;
c.第Ⅲ段带可躲过振荡的短延时;
d.对能独立选相跳闸的保护装置,应能实现按相加速。
5.7.15 保护装置应有手合加速跳三相回路。
5.7.16 在由分布电容、并联电抗器和变压器(励磁涌流)等所产生的谐波分量和直流分量的稳态和暂态的影响下,保护装置不应误动或拒动。
5.7.17 保护装置的整组动作时间,应满足下列条件之一:
a.在短路阻抗与整定阻抗之比小于或等于0.7时,2倍精工电流下的动作时间均应不大于40ms,5倍精工电流下的动作时间均应不大于30ms;
b.在最小整定阻抗档,短路阻抗与整定阻抗之比小于或等于0.7,系统阻抗比为0.1~20时,动作时间均应不大于40ms。
5.7.18 接用母线电压互感器条件下,保护装置返回时间应不大于30ms。
5.7.19 保护装置的振荡闭锁回路必须在系统振荡停息后才允许复归。
5.7.20 当任一元器件故障时,不应引起保护装置跳闸,并发出信号。
5.7.21 保护装置应设闭锁回路,在下列情况下闭锁保护装置并给出异常信号,闭锁回路启动后应自保持,手动复归。
a.交流电压二次回路发生各种故障;
b.在正常情况下,任一阻抗元件误动作或能导致保护装置误动作的元器件损坏。
5.7.22 保护装置应有反映保护动作或异常的信号指示,信号继电器动作后必须手动才能复归,并应至少有2付独立的输出触点。装置各回路的继电器应备有1付触点启动事件记录器。
5.7.23 在反方向三相短路记忆消失后,不应因残余不平衡电压而误动。
5.8 主要元件的技术条件
5.8.1 阻抗元件
5.8.1.1 阻抗整定范围(以下为额定电流5A的数据,当电流为1A时,阻抗整定值应增大5倍)相间和接地阻抗元件的整定范围相同,并要求能分开整定。
对于分立元件保护可选择下列3种规格之一:
a.0.1~1Ω,0.2~2Ω,0.4~4Ω;
b.0.25~0.25Ω,0.5~5Ω,1~10Ω;
c.0.5~5Ω,1~10Ω,2~20Ω。
对于集成电路保护,可选择下列2种规格之一:
a.0.1~10Ω;
b.0.5~20Ω。
整定阻抗的电压调节级差应不大于该额定值的0.5%。
5.8.1.2 阻抗刻度值误差
在正常条件下应不大于±5%(电压互感器、电抗互感器用最大抽头)。
5.8.1.3 模拟阻抗角(转移阻抗角)
设置70°、75°、80°三档,每档误差不大于±5°。
5.8.1.4 零序补偿系数、整定范围和调整级差
零序补偿系数为
整定范围为0.4~1。
调整级差为0.05。
5.8.1.5 最小精工电压(按三相短路)
对于定值为0.5Ω及以上的应不大于1V。对集成电路保护装置,在定值为0.5Ω以下时应不大于0.5V;对于分立元件保护装置,在定值为0.5Ω以下时应不大于0.8V。
5.8.1.6 最大精工电流
额定电流5A时,应不小于25A。
5.8.1.7 记忆时间
在2倍精工电流以上时应不小于50ms。
5.8.1.8 暂态超越
由于短路暂态过程和直流分量的影响造成阻抗元件动作值的增加,电压互感器、电抗互感器用最大抽头时阻抗元件Ⅰ段的暂态超越应不大于5%。暂态超越量的计算公式和说明如下:
稳态动作值:指在被试线路的故障点造成稳态金属性短路,调整被试阻抗元件的整定值使其刚好动作的数值。
暂态动作值:指在金属性短路过程,因暂态分量造成被试阻抗元件产生抖动的整定值;当暂态过程消失,阻抗元件也返回。
5.8.1.9 返回系数
电压互感器、电抗互感器用最大抽头时,应不大于1.15。
5.8.1.10 最小稳态动作电压
为保证在反方向故障时不致因残余电压引起保护误动,要求在最大模拟阻抗角下,元件的最小稳态动作电压不低于0.5V。
5.8.2 电流启动元件
5.8.2.1 整定范围
a.电流突变量元件(按一个线圈通电流);对于1A保护装置,最大起动值不大于0.2A;对于5A保护装置,最大起动值不大于1.0A。
b.负序、零序电流增量元件:对于1A保护装置,最小起动值不大于0.1A;对于5A保护装置,最小起动值不大于0.5A。
5.8.2.2 整定值刻度离散范围受短路合闸角等影响的离散范围不大于±30%。
5.8.2.3 动作时间
两倍动作值下应不大于12ms。
5.8.2.4 电流起动元件还应满足的要求
a.系统正常运行情况下不应起动;
b.线路空载合闸时,即使起动,应能可靠返回;
c.应具有良好的抗系统振荡性能,在大于和等于0.1s内三相电流由零上升到4倍额定电流时,应可靠不动作。
5.8.3 电压断线闭锁元件
5.8.3.1 整定范围(以3倍零序电压表示)
3V,5V,7V均可。
5.8.3.2 刻度值误差
应不大于+10%。
5.8.4 启动振荡闭锁回路的电流元件
5.8.4.1 整定范围
a.对于5A保护装置为2.5~10A;b.对于1A保护装置为0.5~2A。
5.8.4.2 返回系数
应不小于0.85。
5.8.5 时间元件
5.8.5.1 整定范围
a.Ⅱ段时间元件为0.1~2s,调整级差0.05s。
b.Ⅲ段时间元件为0.5~9s,调整级差0.1s。
5.8.5.2 刻度值误差
在正常工作条件下应不大于±5%。
5.9 温升
当周围介质温度为40℃,装置长期施加1.1倍额定值时,其线圈温升不超过65℃,且无绝缘或其他元件损坏现象。
5.10 振动响应承受能力
该装置应能承受GB11287第4.3.1.2条规定的严酷等级为Ⅰ级的振动响应试验。
5.11 振动耐久承受能力
该装置应能承受GB11287第4.3.3条规定的严酷等级为1级的振动耐久能力试验。
5.12 冲击响应承受能力
该装置应能承受ZBK45019《继电器、继电保护装置的冲击碰撞试验》第4.8.1条规定的严酷等级为1级的振动响应试验。
5.13 冲击耐受承受能力
该装置应能承受GB7261第17.5条规定的严酷等级为1级的冲击耐受试验。
5.14 绝缘性能
5.14.1 绝缘电阻
装置的带电电路对非带电金属部分及外壳之间,以及电气上无联系的各带电电路之间,在基准条件下,用开路电压为500V的兆欧表测定其绝缘电阻时,其绝缘电阻值应不小于100MΩ。
5.14.2 介质强度
装置的带电电路对非带电金属部分及外壳之间,以及电气上无联系的各带电电路之间(指交流电路与交流电路之间,交流电路与直流电路之间),应能承受50Hz交流试验电压2000V(有效值)历时1min的试验,应无绝缘击穿或闪络现象。
5.14.3 冲击电压装置的各带电电路对外露的非带电金属零件及外壳之间,以及在电气上无联系的各交流电路之间,应能承受标准雷电波的短时冲击电压试验,试验电压峰值为5kV。试验后装置应无绝缘损坏或闪络现象,装置恢复后,其性能应符合本标准的要求。
5.15 耐湿热性能
装置在最高温度为40℃,经试验周期为2个周期(48h)的交变湿热试验,在试验结束前2h内用开路电压为500V的兆欧表测量装置各导电电路对外露非带电金属零件及外壳之间、电气上不联系的交流输入电路之间以及交流输入电路与直流输入电路之间的绝缘电阻值,应不小于1.5MΩ;各带电电路与外露的非带电金属零件及外壳之间的介质强度为本标准第5.14.2条规定的工频耐压试验电压幅值的75%以上。
5.16 碰撞承受能力
装置应能承受GB7261第18.4条规定的严酷等级为1级的碰撞试验。
5.17 机械寿命
如果电路采用的电磁式继电器已经证明,满足机械寿命要求,则装置可不进行机械寿命试验。
5.18 高频电气干扰承受能力
装置应能承受GB6162规定的高频干扰试验,试验电源频率为1MHz和100kHz,试验电压幅值共模为2500V,差模为1000V,波形为衰减振荡波。按标准规定,对被试继电器预先施加激励量,在规定的临界动作条件下叠加干扰波试验电压,继电器不应误动或拒动,装置内部无元件损坏,其性能符合本标准的规定。
5.19 结构外观及其他要求
应符合DL480《静态电流相位比较式纵联保护装置技术条件(继电部分)》第5.18条的规定。
5.20 结构及外观的要求
符合产品技术条件。
6 试验方法
本标准提出静态距离保护装置和其主要元件的特殊试验项目和方法,凡DL478和GB7261中已包括的部分(诸如温升、振动、冲击、碰撞、绝缘耐压、功率消耗试验、时间元件刻度值试验,单输入量元件刻度值和特性试验、极限温度影响试验、电寿命试验等),本标准中仅提出试验项目和引用相应标准的章、条序号,详细试验方法可参照执行。
6.1 试验环境条件
6.1.1 保护装置各元件刻度值的误差试验应在基准条件下进行。
6.1.2 保护装置基本性能的试验可在基准条件或正常工作条件下进行。
6.2 试验电路
6.2.1 电力系统动态、静态模拟系统
模拟系统应满足的基本技术要求,参见SD286《线路继电保护产品动模试验技术条件》。
6.2.2 三相式简易模拟式试验电路
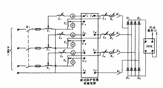
图1所示电路为三相式简易模拟试验电路,其中设备名称和参数如下:
T1、T2 、T3——三个单相5kVA调压器或一个三相15kVA调压器;
T4、T5、T6——三个单相调压器;
L1~L6——可调电感线圈0~50Ω,阻抗角最大应达80°;
R1~R3——可调电阻0~10Ω;
D1~D8——高反压二极管50A,800V
JHK——合闸控制器,有启动毫秒计的同步输出触点;
K1~K5——三极和单极开关;
V、A——电压、电流表。

图1 三相式简易模拟试验电路
该试验电路具有模拟三相、二相、二相接地和单相接地短路的功能,且能控制短路合闸角,适宜于测试电流元件、阻抗元件受直流分量影响的暂态超越,电流突变量元件、负序零序电流增量元件、阻抗元件和整套保护装置的刻度值、动作特性和动作时间。
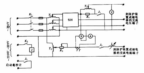
6.2.3 模拟单相短路特性试验电路

图2 模拟单相短路特性试验电路
图2所示电路为模拟单相短路特性试验电路,其中设备的名称和参数如下:
T1——三相3~9kVA调压器;
T2——单相5kVA调压器;
T3——单相1kVA调压器;
SH——三相移相器,1~3kVA;
R1——电阻器 100~200Ω,1A;
R2——可调电阻器0~10Ω;
L——可调电感线圈0~50Ω;
T T——电流互感器 0~50A,0.2级;
φ、V、A——相位表、电压表、电流表;
J ——交流或直流接触器(继电器)或用合闸角控制器代替;
K1、K2——三相、单相开关。
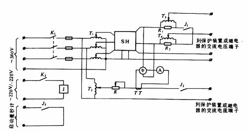
6.2.4 模拟相间短路特性试验电路
图3所示电路为模拟相间短路特性试验电路,其中设备的参数和第6.2.3条试验电路要求相同。

图3 模拟相间短路特性试验电路
6.2.5 对试验设备的基本要求
a.试验仪表的准确度不应低于0.5级;
b.表计用电流、电压互感器的准确度不应低于0.2级;
c.应考虑交、直流电压表的内阻对测试对象特性的影响;
d.电子仪表应注意外壳不应带电,必要时应将外壳接地,特别应防止干扰电压通过示波器和毫秒计等仪器外壳或其他途径进到保护装置内部,以免造成半导体器件损坏;
e.经试验电路通入保护装置的电流、电压波形的畸变不应超过规定。
6.3 试验项目和方法
6.3.1 刻度值试验
阻抗元件、电流元件、电压元件、功率元件、电压断线元件采用第6.2.3或6.2.4条的试验电路进行。
电流突变量元件、负序零序电流增量元件采用第6.2.2条的试验电路进行。
6.3.2 动作时间特性试验
6.3.2.1 阻抗元件
可以采用下述两种方法进行试验,并分别以特性曲线形式表示其动作时间特性。
a.以短路阻抗与整定阻抗之比为横坐标,阻抗元件的动作时间为纵坐标表示时间特性曲线。试验可采用第6.2.3或6.2.4条的试验电路,在不同短路阻抗下,逐点测量阻抗元件的动作时间,通入电流应大于或等于2倍精工电流,电流电压相角应等于模拟阻抗角,还应计及触点J1、J2、J3的动作时间引起的误差。
b.以系统阻抗与整定阻抗之比为横坐标,短路阻抗与整定阻抗之比为纵坐标表示恒定动作时间特性曲线组。在不同的恒定系统阻抗下,变换短路阻抗为不同数值,分组逐点测量阻抗元件的动作时间。试验可采用第6.2.2条的试验电路,电感线圈L1、L3、L5模拟系统阻抗,L2、L4、L6、R1、R2、R3模拟线路阻抗,要求模拟线路的阻抗角等于阻抗元件的模拟阻抗角。
6.3.2.2 电流元件、电压元件、功率元件和电流突变量或增量元件
这些元件的动作时间测量可根据技术要求选择第6.2条中的试验电路进行试验。
6.3.2.3 保护装置整组动作、返回时间试验
可在电力系统动态模拟系统或第6.2.2条三相式简易模拟试验电路上进行。
6.3.3 动作特性试验
6.3.3.1 阻抗元件
a.录取Z=f(I)特性,并求取最小精工电流,试验应在电压电流相角等于模拟阻抗角的条件下进行;
b.录取Z=f(φ)特性,试验应在通入电流等于或大于2倍最小精工电流的条件下进行;
c.动作和返回阻抗试验。
以上试验采用第6.2.3或6.2.4条的试验电路进行。
6.3.3.2 电流突变量元件
采用第6.2.2条的试验电路录取零序电流制动特性曲线。
6.3.4 阻抗元件记忆时间测试
根据不同原理选用第6.2条中试验电路进行测试,要求试验时阻抗元件电压端子上的残压不大于50mV。
6.3.5 阻抗元件暂态超越试验
对于用在220kV及以下电压等级,线路长度不超过100km,以及220kV以上电压等级,线路长度不超过50km的保护装置,可采用第6.2.2条的试验电路进行。其他情况均应在电力系统静态模拟系统上进行试验,要求试验电路的阻抗角等于阻抗元件的模拟阻抗角,对使用电容式互感器的保护装置应在相应的条件下进行试验。
6.3.6 保护装置反向短路的方向性试验
在电力系统静态、动态模拟系统上进行试验时,要求两侧电势角摆开,模拟送受不同的负荷的条件下进行。
6.3.7 保护装置选相性能的试验
试验条件同第6.3.6条。
6.3.8 保护装置在振荡过程的性能试验
该试验在电力系统动态模拟系统上进行。在静稳定破坏和动稳定破坏导致系统振荡的过程中,检验保护装置的振荡闭锁措施应能可靠防止整套保护误动;并检验振荡过程内部故障时保护的行为,检验非全相振荡过程保护的行为。
6.3.9 保护装置的整组试验
这是检验保护装置的最后程序,试验宜在静态模拟系统上进行,要求出口继电器动作跳模拟系统的开关,检查保护装置的信号指示是否正确,逻辑回路的工作是否正常。试验项目如下(对于被试保护装置不具有的性能的项目从略)。
6.3.9.1 区内单相接地,两相短路接地,两相短路和三相短路时的动作行为。
6.3.9.2 区外和反向单相接地,两相短路接地、两相短路和三相短路时的动作行为。
6.3.9.3 区内转换性故障时的动作行为。
6.3.9.4 非全相运行过程中再故障的动作行为。
6.3.9.5 试验允许式或闭锁式全线速动保护回路在各种类型故障以及区外故障功率倒向时的动作行为。
6.3.9.6 手合在空载线路上时保护的行为。
6.3.9.7 手合在永久性故障上保护的行为。
6.3.9.8 保护装置和综合重合闸配合工作时,在永久性和瞬时性故障条件下的动作行为。
6.3.9.9 电压回路断线或短路对保护装置的影响。
6.3.9.10 在接人线路电压互感器条件下,线路两侧开关跳开后以及合闸时,保护装置的行为。
6.3.10 温升试验。
本标准第5.9.1条温升按GB7261第11条的规定进行试验。
6.3.11 振动响应试验
按本标准第5.10条执行。
6.3.12 振动耐久试验
按本标准第5.11条执行。
6.3.13 冲击响应试验
按本标准第5.12条执行。
6.3.14 冲击试验
按本标准第5.13条执行。
6.3.15 绝缘性能试验
本标准第5.14条绝缘性能要求按GB7261第20章的规定分别进行绝缘电量、介质强度试验如冲击电压试验。
6.3.16 潮湿试验
本标准第5.15条耐湿热性能按GB7261第21条的规定进行潮湿试验。
6.3.17 碰撞试验
按本标准第5.16条执行。
6.3.18 电气干扰试验
本标准第5.18条承受高频电气干扰能力按GB6152的规定进行电气干扰试验。
7 检验规则
应符合DL480第7章的规定。
__________________
附加说明:
本标准由全国继电器、继电保护及自动装置标准化委员会归口。
本标准由静态继电保护标准化分技术委员会提出。
本标准由能源部南京自动化研究所负责起草。
本标准主要起草人:丁功华、刘彦才。