中华人民共和国电力行业标准
DL 426—91
SZH型数字频率继电器检验规程
中华人民共和国能源部1991-12-03批准 1992-04-01实施
1 总则
1.1 SZH型数字低频率继电器(以下简称继电器)必须按本规程的要求进行检验。在确认继电器特性良好、回路接线及整定值正确后,才能投入运行。
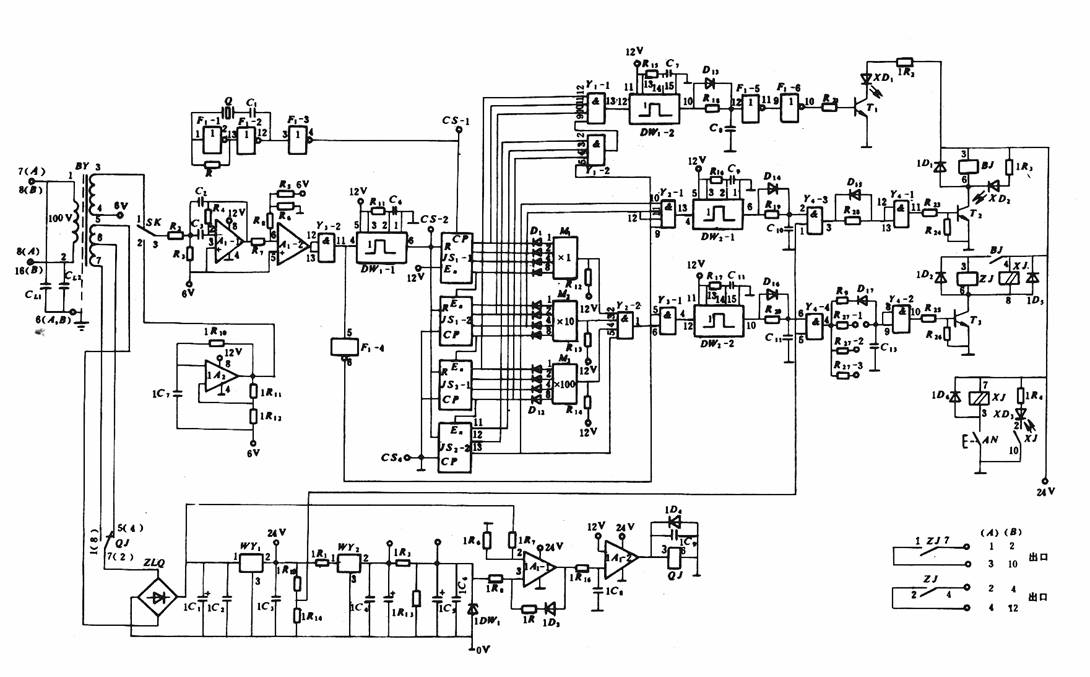
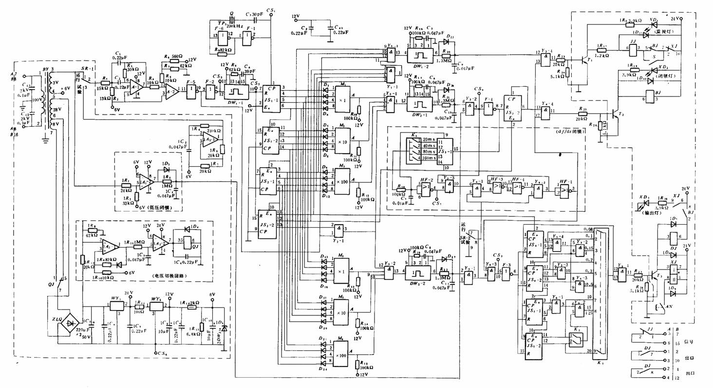
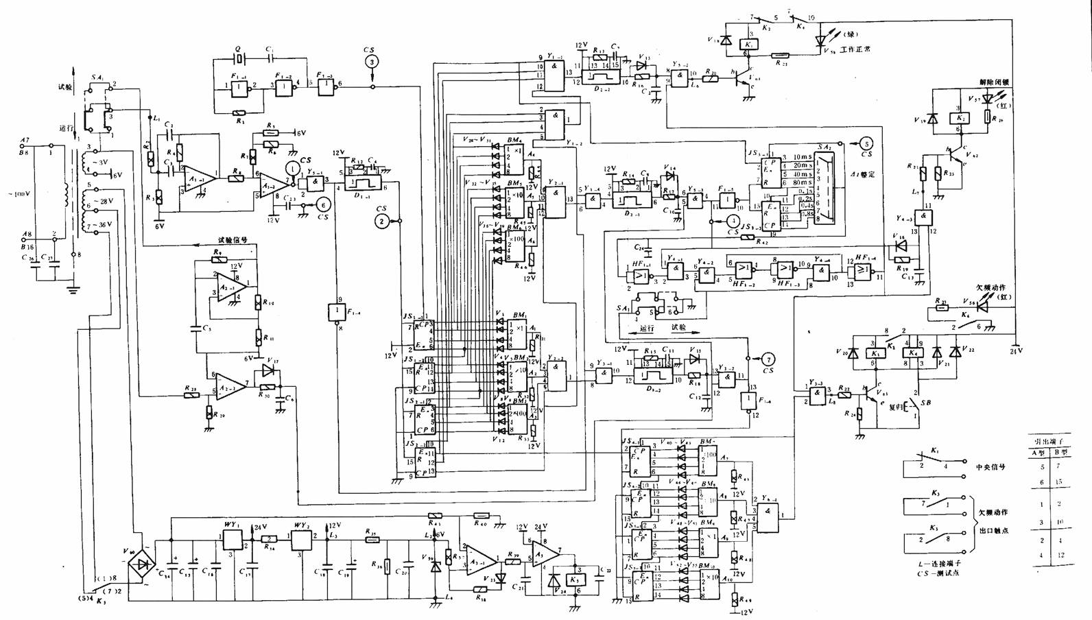
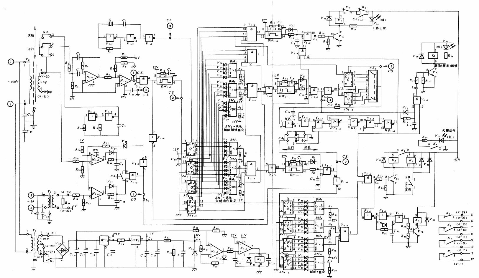
1.2 本规程适用对象是SZH-1、SZH-2型继电器。其中SZH-1型的原理结线(包括元、器件编号)见图1。SZH-2型的原理结线,则随制造厂家及派生的型号不同而异,其中SZH-2A(B)型继电器的原理结线见图2、图3。SZH-2E型继电器原理结线见图4。
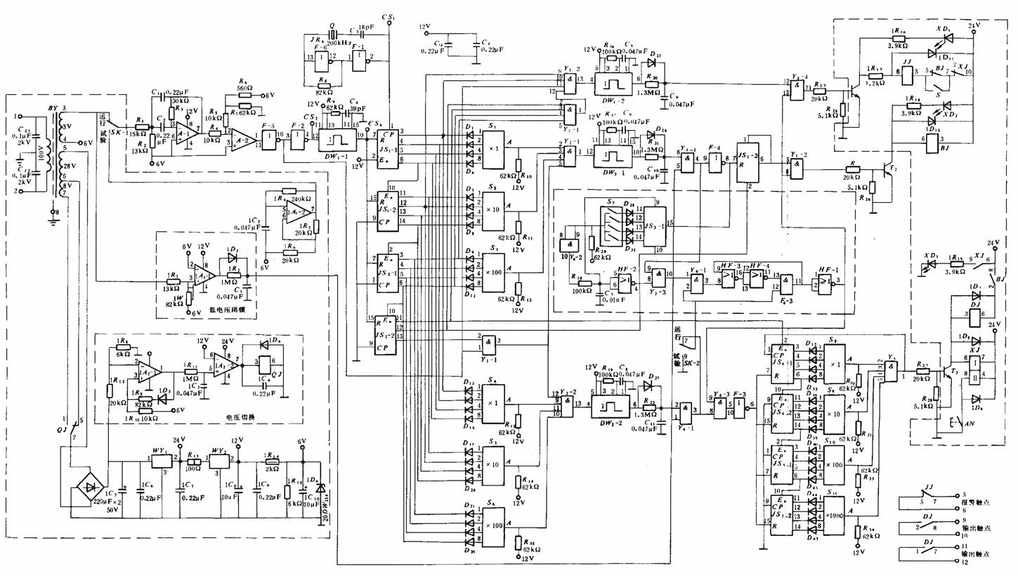
SZH-2C型继电器原理结线见图5(图2~图5见文末插页)。
为简明阐述本规程的检验条文,在没有特殊说明的情况下,条文中出现的继电器内部元、器件的编号均对应于图1和图2,其他厂家产品或不同派生型号继电器,可参照本条文执行。

图1 SZH-1型继电器原理结线

图2 SZH-2A型继电器原理结线

图3 SZH-2B型继电器原理结线

图4 SZH-2E型继电器原理结线

图5 SZH-2C型继电器原理结线
1.3 本规程推荐使用的主要试验仪器是微机型工频试验仪。由于生产厂家不同,该仪器的使用操作方法和步骤也不相同,本规程收集了目前仅有的两个厂家的仪器资料,并统一编制了其使用的简要说明,见附录D。为简明起见,本规程仅阐述使用GPS-1型微机工频电源试验仪检验继电器的操作原理、方法和步骤,使用其他型号的试验仪进行检验时,可参照本条文。
2 检验种类、项目及期限
2.1 检验种类
2.1.1 新装继电器的验收检验。
2.1.2 运行中继电器的定期检验。
2.1.3 运行中继电器的补充检验。
2.2 新装继电器的验收检验项目
2.2.1 继电器的外部检查。
2.2.2 继电器的内部检查。
2.2.3 绝缘耐压检验。
2.2.4 继电器电气性能的检验。
2.2.5 整组试验。
2.3 运行中继电器的定期检验
按“继电保护及电网安全自动装置检验条例”的规定,新投入运行的继电器,第一年内需进行一次全面的检验。以后每3~5年进行一次全部检验,每年进行一次部分检验。定期检验的项目如下:
2.3.1 继电器的外部检查。
2.3.2 绝缘耐压检验。
2.3.3 使用继电器内部的试验开关检查继电器。
2.3.4 整组试验。
2.4 运行中继电器的补充检验
2.4.1 运行中发现异常情况后的检验。
2.4.2 事故后的检验。
2.4.3 继电器检修或更换电器元件后的检验。
2.4.4 继电器改进后的检验。
运行中的继电器的补充检验、可根据工作需要,按新装继电器的验收检验的全部或部分项目进行。
3 检验前的准备工作
3.1 熟识并严格遵守《电网继电保护现场保安规程》及本规程的规定。
3.2 熟识现场情况,并必须使用正确的原理结线,停用被检装置的所有跳闸压板。
3.3 必须逐个记录因检验需要的临时断开或短接的端子或连接线。
3.4 准备并检查调试仪器的可用性。必需的仪器如下:
a.微机工频电源试验仪一台。
b.万用表一台。
若检验C型继电器尚需下列设备:
c.1kVA调压器一台。
d.5A线绕滑线电阻一只。
e.2.5A/5A交流电流表一只。
f.电源闸刀开关(250V,5A以上)。
若无a项仪器、可使用下述仪器之一代替:
a.工频电源发生器(45Hz、功率≥10W)一台。
b.通用计数器(例如E312A型)一台。
c.数字毫秒表一台。
4 检验注意事项
4.1 调试中应力求避免使用电烙铁。必要时,应使用可靠接地的,功率不超过30W的电烙铁,并且在断开继电器交流电源的情况下,才能进行焊接,以防损伤集成器件。
4.2 力求避免手触集成器件及其回路,如需接触时,必须有良好接地和防静电等安全措施,以防损伤集成器件。
4.3 修理继电器时,必须断开其交流电源。严禁带电拔插内部元、器件。
4.4 拨动印刷板上的整定时间的微型多路ON-OFF开关时,应先断开继电器的交流电源,检查并确定只有一路开关处在“ON”位置时,才能恢复其交流电源。否则可能损坏集成器件。
5 继电器的外部检查
5.1 检查继电器外部应无机械损伤。
5.2 检查继电器罩壳与底座应严密无缝。
5.3 检查继电器外部连接螺丝应紧固并接触可靠。
6 继电器的内部检查
6.1 印刷电路板的元、器件安装应整齐、清洁,无漏焊、虚焊、断线、短路、机械损伤或烧伤等现象。
6.2 对集成块采用插座方式的继电器,其集成块插脚与底座连接应插稳,接触可靠。对新装SZH-2型继电器,检查其插座与印刷板之间应有1~2mm的间隙,以防长期运行绝缘低落。
6.3 检查拨轮开关、微型数码开关、微型多路ON-OFF开关组及复归按钮等应操作灵活。
6.4 微型多路ON-OFF开关组应只有一路开关处于ON位置。
7 绝缘耐压检验
继电器装设在保护屏上时,应与保护屏一起进行绝缘耐压检验。
7.1 对新装设备,在保护屏的端子排或单个继电器的端子板处,将所有由外部引入的电缆或连接线全部断开,使用1kV摇表测量各回路的绝缘电阻,其阻值应大于10MΩ(对整块保护屏)或50MΩ(对单个继电器)。测量的回路如下:
7.1.1 交流电压回路对地及其他回路(将除交流电压回路以外的各回路,如交流电流、直流电流等回路也接地,下同)。
7.1.2 交流电流回路(对C型继电器而言)对地及其他回路。
7.1.3 直流回路对地及其他回路。
7.1.4 出口继电器的触点(图1的ZJ、图2的DJ)之间。
7.2 运行中继电器的定期检验。在保护屏的端子排处,将所有由外部引入的电缆或连接线全部断开,再将所有回路连接在一起,使用1kV摇表测量所有回路对地的绝缘电阻,其阻值应大于1MΩ。
7.3 交流耐压试验
绝缘检验合格后,拆除继电器在电压及电流(对C型继电器)输入回路上的抗干扰电容器(图1或图2中的CL1、CL2,图5中的C28、CL29)的公共接地点,然后才能进行交流耐压试验。
7.3.1 新装继电器,应对其全部回路进行1kV、1min的交流耐压试验。
7.3.2 运行中的继电器,对其全部回路每5年进行一次1kV、1min的交流耐压试验。当绝缘电阻高于1MΩ时,允许暂用2.5kV摇表测量1min的绝缘电阻的方法代替上述交流耐压试验。
交流耐压试验中,应无放电现象,且耐压试验后的绝缘电阻与耐压前比较无明显降低时,方能确认交流耐压试验合格。
交流耐压试验合格后,将上述耐压前已被拆除的抗干扰电容器的接地点接入大地。
8 新装继电器电气性能的检验
8.1 新装继电器初步测试时设置的整定值:
输出级动作频率fs:48.5Hz(整定数码为124)。
闭锁级动作频率fB:SZH-1型继电器为固定值,无须整定,SZH-2型继电器为48.9Hz(整定数码为090)。
输出级动作时延:80ms。
SZH-2型继电器的Δt:0.08s,即df/dt=(48.9-48.5)/0.08=5(Hz/s)。
8.2 初步测试1)
将新装继电器交流电压回路的两个输入端接至微机工频电源试验仪GPS-1的两个工频输出端,出口继电器输出触点(图1的ZJ,图2中的DJ触点)接至GPS-1的输入Ⅱ的两端(参阅图D1)接通GPS-1试验仪电源、并按如下步骤测试继电器:
8.2.1 调整工频试验仪到100V、50Hz状态,此时继电器面板上应仅有一只监视级绿灯点亮。
注:1)被检验的继电器是C型时,为调试方便,进行本项试验前,先合上继电器内部的SA4开关(见图5),以暂时解除电流闭锁。
8.2.2 保持试验仪的输出电压为100V,逐步降低试验仪的频率,当其值略低于闭锁级整定频率(fB-0.1)Hz时,继电器面板的监视级绿灯及闭锁级(北京继电器厂产品标名为“解除闭锁”,以下同)红灯应点亮。
8.2.3 仍保持试验仪的输出电压为100V,继续降低试验仪的频率,直至其值略低于输出级整定频率(即f=48.5-0.1=48.4Hz)时,继电器面板上三个指示灯应全部点亮,出口继电器的输出触点应闭合,试验仪的蜂鸣器响。如蜂鸣器不响,则需检查试验仪背板上的蜂鸣器开关位置是否正确,必要时使用万用表测量输出触点是否闭合。
8.2.4 仍维持输出电压100V不变,逐步升高试验仪的频率,当其值略高于48.5Hz时,蜂鸣器音止;当频率上升到51.2Hz时,监视级绿灯熄,再按一下继电器内的复归按钮,则三只指示灯应全部熄灭。
8.2.5 将试验仪回复到100V、50Hz状态,使用继电器内的试验开关的手柄,将其从“运行”位置改为“试验”位置,此时三只指示灯应全亮,出口继电器应动作1),蜂鸣器响。试验结束后再将手柄板回“运行”位置,此时出口继电器返回,蜂鸣器停叫。按一下继电器的复置按钮,此时应仅有一只监视级绿灯点亮。
注:1)对早期出厂的SZH-1型继电器,其试验开关在“试验”位置下,具有联锁解除ZJ继电器的功能,此时ZJ继电器不会动作。
8.2.6 对SZH-2型继电器,应检验df/dt闭锁的正确性。
8.2.6.1 试验仪参数设置如下:
初始频率 50Hz
终止频率 48.3Hz
频率变化率df/dt值为4.0
操作试验仪回复到100V、50Hz初始状态。复归继电器的指示灯,然后再操作试验仪的有关琴键开关(可参考制造厂的说明书或附录D),使试验仪的输出频率按已设置的参数变化,并最终频率停止在48.3Hz上,此时继电器的三只指示灯应全亮,ZJ继电器动作、蜂鸣器应响。
具体操作步骤如下:
a.在试验仪标有“f(Hz)”字样的三位拨轮数码开关上设置终止频率数值,即把拨轮数码开关的数码拨为483(最后一位数为小数位),亦即整定f=48.3Hz。
b.在试验仪标有“df/dt”字样的三位拨轮数码开关上设置频率变化率df/dt值,即把拨轮数码开关的数码拨为:040(最后一位是小数位),亦即整定df/dt=4.0Hz/s。
c.调节试验仪电压旋钮,使之为100V输出。
d.掀一下“电压启动键”,此时屏幕显示出50.0000Hz。它表示目前试验仪的输出为50Hz,即为本试验项目的初始频率。
e.连掀三次“df/dt”键,每掀三次,其频率值不断降低,并停止在设置的终止频率上。每掀一次“df/dt”键,试验仪屏幕上显示的内容说明如下:
第一次显示48.3000Hz——即读出已整定的终止频率值。
第二次显示4.0000——即读出已整定的df/dt值。
第三次显示频率值不断下降,最后停止在48.3000上——即已到达终止频率。
8.2.6.2 将第8.2.6.1条中的df/dt值改为6,其余不变。操作试验仪“电压启动”键,使它回复到100V、50Hz状态,再掀三下“df/dt”键,此时试验仪的输出频率由50Hz开始,以df/dt=6速率下降至48.3Hz。此时继电器不应动作,监视级绿灯一闪而灭,三只指示灯全部熄灭、JJ继电器(见图2)返回,其触点闭合,发出报警信号。
8.3 稳压电源电压切换回路检验
检验方法有如下两种:
8.3.1 直接测量法。将万用表接在三端集成稳压管WY1的1、3号脚两端。试验仪先调到100V、50Hz状态。逐步调低试验仪的输出电压,并观察万用表上直流电压读数,它随着试验仪输出电压的下降而下降,直到万用表上读数约为26V,电压切换继电器QJ动作(耳朵贴近继电器时,可听到其动作时发出的微小清脆的声音)为止,此时万用表上的读数回升到高于26V,再读出试验仪的输出电压应为80~70V之间,这说明电压切换回路工作正常。若试验仪输出电压低于70V,而切换继电器仍未动作,此时应检查电压切换回路的运放器(图1中的1A1-1、1A1-2,图2中的1A2-1、1A2-2)及其回路,如运放器工作正常,则对SZH-1型继电器,可调换采样分压电阻1R6、1R7阻值;对SZH-2型继电器,可调换1R8、1R12的阻值,以满足上述要求。
8.3.2 综合测量法。将万用表一端接在12V稳压电源,另一端接0V,测量其间直流电压。改变试验仪的输出电压,使之在55~100V范围内变化,此时若电压切换回路工作正常,则12V稳压电源电压应保持不变。
8.4 低电压闭锁回路的动作电压检验
使试验仪回复到100V、50Hz状态,然后逐步降低其输出频率,直至继电器动作为止,此时继电器面板上三只指示灯全亮,蜂鸣器响,再逐步降低试验仪的输出电压,直至继电器返回,蜂鸣器音止,此时试验仪上电压表上的读数即为低电压闭锁的动作电压值,此值应在55~60V之间。若不满足要求,则对SZH-1型继电器,可改变1R13的阻值(见图1);对SZH-2型继电器,可改变1R1的阻值。

图6 整组试验结线图
(a)采用微机工频试验仪的结线;(b)采用常规试验设备的结线
注:1.SZH-1型继电器无JJ继电器。
2.对非C型继电器,电流回路应省去。
3.图(b)结线对中间继电器K有严格要求,三付触点在动作时最大时差小于等于1ms。
4.对图(b),在动作时间检验时,低频发生器的输出频率调整到fs-0.2Hz。
8.5 低电流(仅对C型电器)闭锁回路的动作电流检验
此项试验前先检查继电器内部开关SA4(见图5)应在断开位置,然后按图6结线,调节试验电流,使电流表上的读数大于低电流闭锁动作电流的1.2倍,调节工频电源试验仪的输出为100V、50Hz,此时检查继电器的监视级绿灯应点亮。逐步降低通入继电器的电流,直至绿灯熄灭为止,此时电流表上的读数即为低电流闭锁的动作电流。此电流应与制造厂的标称动作电流一致,其误差不应超过±5%。
8.6 监视级动作及返回频率的检验
调节试验仪在100V、52Hz状态,此时继电器面板上三只指示灯全部熄灭。掀一下“连续↓”键,此时试验仪的输出频率连续不断下降当监视级绿灯点亮时,立即再掀一下“连续↓”键,此时试验仪输出频率停止下降,即固定在某一频率。再掀“单步↑”键,每掀一次,其频率上升0.00125Hz,直到继电器的绿灯可靠熄灭为止,此时在试验仪屏幕上显示的频率值即为监视级的返回频率。对SZH-2型继电器尚应使用万用表确认JJ继电器触点闭合。再一步步地掀“单步↑键”,直到继电器的绿灯可靠1)点亮为止。此时试验仪上的频率读数即为监视级的动作频率。
监视级的动作频率应在51±0.05Hz范围内。返回与动作之间差频应不大于0.06Hz。
注:1)实践证明,使用微机工频试验仪试验SZH型继电器时,在动作频率附近可能出现继电器抖动现象。若抖动的频率范围超过0.05Hz,应着重检查试验仪的频率稳定性。若试验仪频率稳定,宜更换继电器。
8.7 闭锁级的动作频率检验
检验方法同第8.6条,不同的是现在观察的是闭锁级的红灯,该红灯亮,表示闭锁级动作。试验从100V、50Hz的初始状态开始:
对SZH-1型继电器,其动作频率固定,有49.5Hz、49.26Hz及49.01Hz三种。其实测误差应不大于0.05Hz。
对SZH-2型继电器,其动作频率可任意调整。为了验证刻度正确性,至少选五个测试点进行检验,建议选择表1提供的五个测试点。
表1
|
测试点顺序 |
数码开关的位置 |
标准动作频率 Hz |
允许动作频率变化范围 Hz |
||
|
百 位 |
十 位 |
个 位 |
|||
|
1 2 3 4 5 |
0 1 2 3 1 |
0 3 5 7 9 |
0 3 5 7 9 |
50.000 48.391 47.004 45.693 47.630 |
49.985~50.019 48.376~48.410 46.988~47.022 45.679~45.712 47.615~47.649 |
8.8 输出级的动作及返回频率检验
检验方法同第8.6条,不同的是现在观察的是输出级的红灯及出口继电器的触点。该红灯亮或出口继电器触点闭合,表示输出级动作。由于输出级动作带时延,因此检验时应缓慢改变试验仪的频率,其步进的时间间隔应大于输出级的动作时延。对数码开关刻度正确性的检验建议按表1给出的程序进行。
由于出口继电器有两付输出触点,在其动作及返回频率检验中,应使用万用表分别验证两付输出触点动作的正确性。
8.9 输出级的动作及返回时间检验
由于微机试验仪内设有专用时间检验程序,试验时,只需先设置开始计时的频率值,即可进行时间的测量工作。步骤如下:
a.在GPS-1试验仪面板上,拨动标有f(Hz)字样的三位数码开关,使之与输出级动作频率值一致,这就是设置试验仪的起动计时的频率值,其值选48.5Hz。
b.按“电压启动”键,再按“测时复原”键,此时试验仪屏幕上显示50.0000Hz。其意是,试验仪的微机系统已进入时间测量程序,并且初始状态为 50Hz。注意试验仪的输出电压可按需要任意调整,本项检验电压值调到100V。
c.按一下“测时”键,试验仪立即显示48.5000Hz。其意是,将设置在数码开关的起动计时频率读入微机系统。
d.再掀一下“测时”键,此时试验执行频率下降,当频率小于等于起动计时频率时,起动计时电路,在继电器动作,其触点闭合时停止计时,并自动显示出动作时间,因此可读出继电器的动作时间。
e.掀下测时控制键中Ⅱ回路的“触点开/负跳变”琴键(图D1中第10号键),再掀“测时”键,此时试验仪执行频率上升任务,当频率大于起动计时频率时,计时电路起动,待继电器返回,其触点断开的瞬间停止计时,并在试验仪的屏幕显示出返回时间。
f.断开试验仪的电源输出开关,改变继电器与试验仪电压回路连接的相互极性,再推上输出开关,重做动作时间测量。操作步骤:弹出(e)项所掀下的“触点开/负跳变”琴键(即迭触点合正跳变的方式),再掀一下“测时”键,即可在试验仪上读出动作时间。
g.比较e、f两项的试验数据,两项数据之差恰为10ms,继电器正确的动作时间应选较小的数据,继电器与试验仪之间正确连接的极性应选动作时间较小的试验结线。
h.确认正确连线后,不断重复f、g条操作,进行多次动作与返回时间测量。
动作与返回时间的测量至少进行三次,其平均动作时间与标称值的误差:
SZH-1型,应不大于±5%
SZH-2型,应不大于
式中 fs—输出级动作频率,Hz。
继电器的平均返回时间应在60±10ms范围,但对SZH-1型,且动作时间整定在0.2s以内的继电器,宜缩短在42~45ms范围内1)。返回时间不符合要求,可改变图1或图2的DW2-2单稳触发器的外部电阻、电容(图1为R17、C11,图2R19、C8)参数,使之满足要求。更改参数后,须验明继电器动作可靠且无抖动现象。对缩短到42~45ms的工作,宜由制造厂进行。
注:1)系根据华北电管局经验,缩短继电器返回时间,可防止电压互感器熔丝熔断过程的误动作。
8.10 df/dt频率滑差闭锁
检验方法同第8.2.6条,通过试验反复求出继电器在5次连续试验下能可靠动作和可靠闭锁的df/dt值。若继电器的df/dt整定值为KZD,则试验的结果应满足:可靠动作的df/dt试验值大于等于0.8KZD;可靠闭锁的df/dt试验值小于等于1.2KZD 。
8.11 继电器内部参数测量
当继电器交流电压回路输入100V、50Hz试验电源时,可测量出继电器内部如下的有关参数及其允许的变化范围:
a.电源变压器次级电压:
b.直流稳压电源电压:
c.晶体振荡脉冲CS1-CS6:
波形:方波
频率:![]()
振幅:≥8V
d.清零脉冲CS2-CS6:
波形:方波
脉宽:4μs
周期:20ms
幅值:≥8V
e.试验信号源SR-13-CS6:
波形:方波
频率:39~42Hz
幅值:≥8V
注:① 一般不进行此项检验。只有在继电器异常、有熟识电子修理技术人员并有必要的仪器(如记忆双迹示波器)时,方能进行此项试验。本条所指的测试点系对图2而言。
② 下角s表示输出级,B表示闭锁级。
9 整组试验
整组试验结线如图6所示。其中图6(a)是采用微机工频试验仪的结线;图6(b)是采用常规试验设备的结线。由于常规试验设备测出动作、返回时间离散值较大,又不能定量检验df/dt闭锁,因此推荐使用图6(a)所示结线。
9.1 继电器整定值的设置
9.1.1 输出级动作频率的整定
根据继电保护整定通知单给出的输出级的动作频率fs,按下式计算出对应的输出级动作脉冲数
(1)
式中 fs——输出级动作频率,Hz;
Ns——输出级动作脉冲数。
将计算值的小数位四舍五入取整数,然后再舍去千位数,得出一个三位数字,这就是频率整定的数码位置,继电器面板上的拨轮数码开关按此数码设置,即完成输出级的频率整定。常用的动作频率与数码开关整定位置关系如表2。
表2
|
动作频率Hz |
49.5 |
49.2 |
49.0 |
48.75 |
48.5 |
48.25 |
|
数码开关位置 |
040 |
065 |
082 |
103 |
124 |
145 |
|
动作频率Hz |
48.0 |
47.75 |
47.50 |
47.25 |
47.0 |
|
|
数码开关位置 |
167 |
188 |
211 |
233 |
255 |
|
9.1.2 d f /d t频率滑差闭锁值的整定
根据继电保护整定通知单给定的输出级动作频率fs及df/dt闭锁值K的整定值,按表3选择一个合适的Δt1)值,再按下式求出闭锁级的整定的动作频率fB
(2)
式中 K——整定的df/dt闭锁值,Hz/s;
fB——闭锁级的动作频率,Hz;
fs——输出级的动作频率,Hz。
表3
|
|
Δt(s) |
|||||||
|
北继厂产品 |
0.01 |
0.02 |
0.04 |
0.08 |
0.10 |
0.20 |
0.40 |
0.80 |
|
滁州厂产品 |
0.02 |
0.04 |
0.08 |
0.16 |
— |
— |
— |
— |
如果计算出的fB值超过电力系统运行中可能出现的最低运行频率(一般宜选fB≤49.26Hz),则再选取较小的Δt以满足之。将最后决定的fB值按9.1.1条方法计算出闭锁级动作频率的整定数码,并在继电器内部的印刷电路板上,对应于fB的微型数码开关上设置整定数码,以及在K1(见图2)多路ON-OFF开关上设置整定的Δt值。df/dt频率滑差的闭锁值即整定完成。
注:SZH-1型继电器无此项整定。
1)Δt尽可能选择较大数值,以减少K值误差,Δt一般不宜小于0.04s。
9.1.3 输出级动作时间的整定
按继电保护整定通知单的要求,在对应输出级时间整定开关上设置整定值,但对长延时(>0.5s)整定的继电器,为了减少频率测量误差或缩短检验时间,输出级动作时间先设在最小位置,待动作频率检验结束后,再按整定要求设置动作时间。
输出级动作时间整定范围如下:
9.1.3.1 对SZH-1型继电器为:0.15、0.5s及20s。
9.1.3.2 对SZH-2型继电器为:
a.对SZH-A(B)型继电器(滁州厂产品)为0.08、0.1、0.15、0.2、0.3、0.5、10、15、20、25s等10档,北继厂产品为0.08~99.9s中的任意值,调节级差为10ms。
b.对SZH-2E型继电器,为0.08~99.9s中的任意值,调节级差为10ms。
9.2 监视级动作频率的检验
方法、步骤和要求同第8.6条。若检验的是SZH-C型继电器,则从第9.2~第9.11条各项检验,均要求先通入继电器以足够大的试验电流,其值大于1.2倍继电器的动作电流,方能进行检验,否则继电器被闭锁。
9.3 闭锁级动作及返回频率的检验
试验方法同第8.7条。动作及返回频率检验至少进行三次,其动作频率与整定要求值的偏差应不大于±0.05Hz,返回与动作频率之间的差频应不大于0.06Hz。
9.4 输出级动作与返回频率的检验
试验方法同第8.8条,要求同9.3条。
9.5 df/dt频率滑差闭锁值的检验
方法、步骤及要求同第8.10条。
9.6 动作频率的电压特性检验
调节试验仪的输出电压分别为110、100、80、70、60V及55V,检验出级的动作频率值。要求电压从110~60V范围内变化时,其动作频率变化不大于0.05Hz;电压在55V及以下时,继电器应不动作。
9.7 继电器的动作及返回时间校验
采用微机工频试验仪(图6,a)的试验方法,其步骤和要求同8.9条。
采用常规试验设备的整组结线(图6,b)时,工频振荡器的输出频率调节到fs—0.2)Hz。采用此种试验结线的试验结果离散值较大,可达2个周波,并且不能检验SZH-2型继电器。
9.8 低电流闭锁的动作电流校验
该项校验仅用于C型继电器,其方法、步骤及要求同8.5条。
9.9 交流电压回路功耗的测量
在继电器电压输入回路串入交流毫安表,开启试验仪电源,并将电源电压调节到100V、50Hz的输出状态,记录毫安表的读数,此电流不应大于40mA。
9.10 拉合交流电压电源的检验
在继电器的电压回路内接入试验闸刀,并在输入电压为100V、50Hz状态下拉合试验闸刀10次,继电器的闭锁级及输出级的指示(红)灯应无闪亮现象。
9.11 整组模拟检验
9.11.1 使用继电器内部试验开关(图1或图2的SK)检验继电器
调节试验仪到100V、50Hz输出状态:检查继电器应仅绿灯亮(正常状态)。将试验开关SK的手柄扳到“试验”位置,此时三只指示灯应全亮,出口继电器动作1),JJ继电器返回,有中央报警信号。然后将试验开关SK手柄扳回“运行”位置,并复归按钮,此时应仅有一只绿灯点亮。
注:1)同第8.2.5条注。
9.11.2 调节试验仪的输出频率为51.2Hz,此时继电器的监视级绿灯熄灭,JJ继电器返回,发中央报警信号。
9.11.3缓慢调节试验仪的输出频率到(fB—0.2)Hz(但在fs之上),此时继电器的闭锁级红灯应点亮,JJ继电器返回,发中央报警信号。
9.11.4调节试验仪的输出电压到100V,设置微机试验的参数:初始频率为50Hz、终止频率为(fs—0.2)Hz及df/dt=1.2KZD。按照第8.2.6.1条的操作步骤检验继电器,此时继电器应被df/dt可靠闭锁。三只指示灯全熄灭,JJ电器返回并有中央报警信号,检查出口继电器应不动作。
采用图6(b)的试验结线时,调节低频发生器的频率到(fs—0.2)Hz,合上试验闸刀S3,即可模拟上述情况,其结果亦应相同。
9.11.5 修改微机试验仪的df/dt参数,使df/dt=0.8KZD,其余同第9.11.4条,再按相同的方法检验继电器。此时继电器应可靠动作,面板上三只指示灯应全亮,出口继电器触点应闭合,JJ继电器应返回,并有中央报警信号。
采用图6(b)的试验结线时,先合上试验闸刀S3,调节低频发生器的输出频率,使之从50Hz缓慢地下降到(fs—0.2)Hz,以模拟上述缓慢频率下降的情况,继电器的动作情况亦应相同。
9.11.6 调节试验仪的输出电压到50V,重复第9.11.5条试验,此时继电器应可靠被低电压闭锁。闭锁级及输出级的指示红灯应熄灭。
9.11.7 调节试验仪的输出电压到60V,重复第9.11.5条试验,此时继电器应可靠动作,试验结果与第9.11.5条相同。如所检验是C型继电器,再将试验电流降低,其值略低于继电器的动作电流值,此时继电器立即因被低电流闭锁而返回,监视级及闭锁级指示灯熄灭,手掀复归按钮后,输出级指示灯亦应熄灭。出口继电器及JJ继电器均返回,并有中央报警信号。
9.11.8 断路器的联动跳闸检验
根据需要和可能决定投入一路或几路的跳闸,并认真核对所投入的跳闸,其应不会引起运行设备的误跳闸,然后重复第9.11.5条的试验,继电器动作,断路器可靠跳闸。
检验结束后,立即断开所投入的跳闸压板。
注:运行条件不许可时,此项检验可不进行。
10 检验后的结尾工作
10.1 拆除全部试验结线。
10.2 观察并确认继电器面板上试验开关的手柄放在“运行”位置上,然后盖好外壳并铅封。
10.3 恢复第3.3条中记录的临时断开或短接的端子或连接线。
10.4 将继电器的电压及电流回路投入运行。
10.5 上述工作结束后,使用高内阻电压表测量跳闸压板的继电器触点端至大地间的电压,确认无正电源存在时,方可认为现场检验工作结束,并通知值班人员可以投用。
附 录 A
SZH型数字频率继电器概述
(补 充 件)
SZH型数字频率继电器是一种高精度反映频率变化的静态型继电器,是我国频率继电器的更新换代产品。
SZH型数字频率继电器系列产品有1及2型之分,SZH-1型是前期产品(1985~1988年间生产)、SZH-2型继电器为1989年之后改进产品,而在两种型号中又有A,B,C及D之别。A型取代是GDZ型感应式频率继电器,其端子结线图见图A1。B型是取代BDZ-1A或1B型晶体管式低频率继电器,其端子排图见图A2,这两种分型号继电器的外壳、安装尺寸和接线端子均与被取代产品完全相同。C型是新开发的嵌入式兼有低电流闭锁功能的低频率继电器,其端子接线图如图A3所示。D型是过频率继电器。

图A1 SZH-1A、SZH-2A型继电器端子结线图
(a)SZH-1A型继电器;(b)SZH-2A型继电器
注:CL1,CL2为抗干扰电容:2000V、0.47μF。

图A2 SZH-2B型继电器端子图
注:1.SZH-1B继电器无JJ继电器;
2.CL1,CL2为抗干扰电容器:2000V、0.47μF。

图A3 SZH-1(2)C型继电器端子图
SZH型数字频率继电器内设有三个频率测量回路,分别称为监视级、闭锁和输出级。监视级动作频率固定为51(49.5)**括号内数字为高频率继电器的参数,下同。Hz,故在50Hz正常运行时,它处在动作状态,用以监视频率测量回路,特别是晶振回路是否正常,是提高继电器可靠性的一项措施。闭锁级要比输出级灵敏,当电力系统低频率运行,输出级动作时,闭锁级肯定动作,因此将此两级频率测量输出回路与门方式起动出口继电器,是提高继电器安全性的重要措施,防止一个元、器件损坏引起继电器误动作。SZH-1型继电器的闭锁级原固定在49.5Hz,后曾因我国出现过能源短缺历时较长的低频率运行,运行部门为提高安全性要求,将其值降低到49.26或49.01Hz。随后SZH-2型继电器出现,为配合df/dt的精确整定,将闭锁级动作频率改为可以任意整定,不过闭锁级频率整定的数码开关设在印刷电路板上,而输出级则放在继电器面板上。继电器面板上设有三只发光二极管指示灯,分别监视上述三个频率测量级的工作状况。灯亮表示动作。监视级指示灯是正常运行时点亮,所以配为绿色指示灯。闭锁级灯亮并不表示继电器被闭锁,而表示闭锁级动作,是为输出级准备跳闸的条件。此灯亮表示“解除闭锁”是合理和确切的。
为防止输入电压过低引起继电器不正常工作和部分情况的电动反馈误动作,继电器内设有低电压闭锁,闭锁电压固定在60V以下,一般约55V以下继电器被闭锁。为防止电动机反馈的另一措施是设置低电流闭锁(C型继电器),其电流取自变电所的主变压器,当上级电源因故中断时,主变压器的低电流将频率继电器闭锁,防止了电动机反馈误动作。到SZH-2型继电器问世,df/dt闭锁的应用更有效地解决了电动机反馈问题。
为了便于在运行中检查继电器,设有42(或55)Hz试验信号电源及专用试验开关SK(装在面板上)。试验开关有两位置,频率继电器运行时应放在“运行”位置;当放在“试验”位置时,试验信号电源被切换到继电器的频率测量回路,用以检查三个频率测量级是否能动作,继电器正常时,三个测量级均应动作,即三只指示灯应全亮。对SZH-1型继电器的前期产品,当试验开关放在“试验”位置时,出口回路自动被断开。随后,考虑到此方案不安全和触点接触不良会造成保护拒动等原因,将试验开关的闭锁触点拆除。因此运行过程中使用试验开关进行试验之前,务必先停用跳闸压板。
1989年后,由于SZH-1型继电器存在某些不完善因素,经改进形成SZH-2型继电器。SZH-1型产品已停产。SZH-2型与SZH-1型产品相比有如下优点:
a.增加了df/dt频率滑差闭锁功能。正确整定时,能有效防止负荷反馈以及装置中三个频率级的公共部分——清零回路内,任一器件损坏或接触不良等引起的保护误动作。
b.完善了报警系统,三个频率测量级中任一回路异常,都能立即发中央报警信号。
c.闭锁级的动作频率可以任意整定。
d.输出级的动作延时用数字型时间元件,相对精度高。
e.合理布置印刷电路板,如增大了集成器件引脚之间的绝缘距离,输出级与闭锁级合理安排在不同集成块上,从而提高了装置的安全性。
附 录 B
SZH型数字频率继电器的主要技术参数
(补 充 件)
SZH型数字频率继电器的主要技术参数如下:
额定交流电压:100V。
额定交流电流(C型):5A。
额定电源频率:50Hz。
频率整定范围:45~49.5Hz(50.4~55)**括号内数字为高频率继电器的参数下同。
最小整定级差:0.0125Hz。
频率测量精度:综合误差≤±0.015Hz。
频率返回系数:1.002(0.998)。
电压工作范围:60~120V。
频率滑差闭锁误差:<±20%。
Δt整定范围:
0.01/0.02/0.04/0.08/0.1/0.2/0.4/0.8s(北继厂);
0.02/0.04/0.08/0.16s(滁州厂)。
动作时间整定范围:
SZH-1型为 0.15/0.5/20s;
SZH-2型为
0.08~99.99s级差10ms(北继厂);
0.08/0.1/0.15/0.2/0.3/0.5/10/15/20/25s(滁州厂)。
时间元件误差:
SZH-1型为≤±5%;
SZH-2型为
;
输出级返回时间:(60±10)ms。
闭锁级动作频率:
SZH-1型为49.5/49.26/49.01(50.4)Hz;
SZH-2型为任意整定值;
电压回路功耗:≤4VA。
低电流闭锁(C型):
整定电流为0.5/1/1.5A;
整定电流误差为≤±5%;
额定电流下功耗为≤0.5VA。
允许过载能力:
电压回路为1.2倍额定电压长期;
电流回路为2倍额定电流长期;
10倍额定电流10s;
20倍额定电流1s。
输出触点容量:
SZH-2型继电器出口及报警触点为DC220V、0.5A、有感容量30W。
抗干扰能力:符合国家标准GB6162—85《静态继电器及保护装置的电气干扰试验标准》的要求。
绝缘耐压:交流输入回路及输出触点对外壳,能承受2kV、1min试验。
使用环境温度范围:-25~+50℃。
附 录 C
SZH型数字频率继电器的工作原理
(补 充 件)
图C1、图C2分别为SZH-1、SZH-2型数字频率继电器的原理框图。其电路可分为电源回路和频率测量回路。现分别说明如下。

图C1 SZH-1型数字频率继电器的原理框图

图C2 SZH-2型数字频率继电器的原理框图
C1 电源回路
继电器的辅助直流电源取自被测量的交流电压回路,由变压、整流和稳压等环节构成。设有24V、12V和6V三级稳压电源,电源电路结线如图C3所示。图C3中BY为隔离变压器,它有两个次级绕组,其中一绕组供频率测量回路使用;另一绕组供整流电源使用。ZLQ为全波整流桥,WY1及WY2为三端集成电路稳压块,DW为6V稳压管,C1~C5为滤波电容器。接在24V电源两端的R1、R2是SZH-1A、SZH-1B型的低电压闭锁回路,R1、R2分压后,以合适电平直接供给闭锁级和输出级的与门YB2、YS2。SZH-2型继电器的低电压闭锁已改进为用峰值比较电路,详见第2.7条。

图C3 电源回路结线图
为使继电器的功耗减少,并且又要保证电压下降到60V仍能正常工作,因此装设了自动改变变压器分接头的自动电压切换回路,其工作原理叙述如下。
电压切换回路由双运算放大器、继电器QJ及其回路组成,见图C3,其中运放器A1-1构成电源电压的鉴幅器,A1-2是放大器,继电器QJ是执行继电器。A1-1的 反相输入端经R6、R7组成的分压器接在整流桥ZLQ的输出端,它直接反映电压输入回路的电压。而A1-1的同相输入端接在6V稳压电源上。由于6V电源是经 三级稳压电路而形成的,能保证在继电器的电压应用范围(50~120V)内恒定不变,因此A1-1的同相输入端构成稳定的参考电压。当交流电压于75V时,稳压电源保证稳定,只要合理选择R6、R7的阻值,使A1-1的反相输入端电压高于其同相输入端,则A1-1的输出为低电位,从图C3可见,A1-2输出亦为低电位,故QJ继电器处于失电状态,此时整流器ZLQ接在变压器次级绕组较低电压的抽头(#6)上。当交流输入电压低于75V左右时,A1-1的反相输入端电压低于其同相输入端,则A1-1的输出为高电位。经R16、C8的小延时电路后,A1-2同相输入端电压升高且大于其反相输入端的12V时,A1-2输出状态反转变为高电位(24V),使QJ继电器动作,QJ的切换触点改变位置,将整流器接在变压器次级绕组的较高电压的抽头(#7)上,以维持稳压电源的电压不变。设计时应保证输入电压为50V时,电源电压能维持稳压不变。D3和R9组成A1-1正反馈电路,使切换电路具有必须的返回系数,避免输入电压在起动值附近时,QJ继电器频繁动作。当交流电压回升到80V左右时,幅值比较器A1-1的反相输入端电压大于其同相端,于是A1-1输状态反转为低电平,继而A1-2输出亦为低电平,QJ继电器返回,回到原来正常态。
C2 频率测量回路
频率测量回路由下列回路组成:
C2.1 晶体振荡回路

图C4 晶体振荡器原理结线图
晶体振荡器是频率测量回路的基准时钟发生器。基准时钟的参数及稳定度决定整个继电器的精度。因此选用性能稳定的晶体振荡电路,并选择其工作频率比被测频率高得多。本继电器选用的晶体振荡频率为200kHz,即5μs发出一个计数脉冲。晶体振荡电路原理结线如图C4所示,图中F1~F3均为倒相放大器。经F1、F2两级倒相后,其输入、输出相位相同,再经电容器C1和晶体振荡器Q,提供频率为200kHz的正反馈,而其他频率被晶体振荡器Q阻断,故形成频率为200kHz的振荡器。电容器C1为频率微调电容。F1为高增益倒相放大器,电阻R1为调整F1的工作点的调节电阻。振荡器的频率误差由晶体振荡器Q所决定,采用JD5-200kHz的晶体振荡器,其频率误差在基准频率的十万分之一以内。
C2.2 计数器及其电路
采用二—十进制同步加法计数器进行计数。使用MC14518BE型计数器的原理框图和真值表如图C5(a)所示。图中CP端为时钟脉冲输入端,EN为使能端,R为清零端,Q0~Q3为输出端。计数器工作时各端点的脉冲波形如图C5(b)所示。

图C5 二—十进制计数器
(a)原理框图及真值表图;(b)工作脉冲波形图
计数电路结线如图C6所示。每5μs来一次的基准时钟脉冲,从JS1计数器的CP端输入,每个脉冲到来时,计数器JS1反转一次,IS1每反转10次后,向JS2计数器的EN端输出一个进位脉冲,JS2计数器每反转10次,又向下一JS3计数器输出一个进位脉冲,如此类推。由此可见,计数器JS1~JS4分别为个位、十位、百位和千位的计数器,每一位计数器又有8、4、2、1码的输出端。因此,从此四位计数器的8、4、2、1码的不同输出状态的组合,可获得0~9999个脉冲数。但低频继电器的应用范围内,其最大使用脉冲数不满5000个。例如从JS4的Q2、JS3的Q0、JS2的Q1、JS1的Q2和Q1等5个端出状态组成的与门,其计数器的读数为4123。

图C6 计数电路结线图
计数器采用同步清零方式,即清零脉冲到来时,所有计数器均置0。

图C7 工频滤波器及方波形成器电路
C2.3 工频滤波器及方波形成器
工频滤波器及方波形成器的电路如图C7所示。图中R2、R3、R4、C3、C4及运放器A1-1组成工频带通有源滤波器。它的作用是滤掉输入电压信号中的谐波分量、直流分量和干扰信号,以还原出被测电压基频,并获得平滑的正弦电压。运放器A1-2及R5~R8组成方波形成器。放大器A1-2无负反馈电阻,工作于开环状。由于运放器的开环增益甚大(≥105),因此可将正弦波变成较理想的方波。为进一步提高方波的质量,A1-2的输出加装一级与门Y3,利用CMOS电路的转移性,使方波的前后沿变得极为陡峭。图中R5、R6电阻用于调节运放器A1-2的正常工作点,以保证在无输入电压时,A1-2输出高电平。
C2.4 单稳触发器
图C8给出本装置使用的单稳触发器(型号为MC14098BE)的原理框图及其值表。图中TR为上升沿触发端,-TR为下降沿触发端,R为清零端,
为正、反向输出端。外接电阻Rx及电容Cx用以调整输出脉冲的宽度。本继电器使用的单稳触发器都是将输入脉冲的前沿起产生固定宽度的脉冲输出。当它用于计算器的清零回路时,要求输出的脉冲宽度很窄,约4μs,以保证继电器的频率测量精度。当它用于频率测量回路中的动作脉冲展宽回路(第一级展宽)时,要求有较宽的脉冲输出,以保证1~2μs输入脉冲到来时,能展宽到2ms以上,以期使下述第2级脉冲展宽电路可靠工作:

图C8 单稳触发器原理框及真值表图
(a)原理框图; (b)真值表
C2.5 脉冲展宽电路
图C9给出第2级脉冲展宽电路的原理结线及其工作脉冲波形图。当输入方波电压ui来临时,经二极管D向电容器C迅速充电,电压以极快速度上升,以致与门Y的高电平输出几乎在输入电压加入的同时发生。但当输入电压消失后,由于与门Y系CMOS器件,其输入阻抗极高,储存在电容器C上的电压只能通过电阻R向输入源的内阻放电,电压uc随时间增大而降低。当uc<uz (uz为CMOS的转折电平)时,与门Y输出才反转变为低电平。图C9(b)中t1至t2的时间差即为此电路的脉冲展宽时间。改变电阻R或电容器C的参数即可改变脉冲的展宽时间。此电路要求在2ms宽的方波输入电压作用下,能将脉冲展宽到60±10ms。

图C9 脉冲展宽电路的原理结线及工作脉冲波形图
(a)原理结线图;(b)工作脉冲波形图

图C10 数字时间元件的原理结线图
C2.6 数字时间元件
图C10示出数字时间元件的原理结线。它由一个反相器、一个或多个计数器(视整定范围而定)、一个或多个多路ON-OFF开关K等组成。计数器的时基脉冲取自频率测量回路中的某一分频输出端。多路ON-OFF开关用作选择计数器,也就是用于动作的时间整定。反相器输入端作为数字时间元件的启动控制端,只有在它的输入为高电平时,所有计数器的R端为低电平,计数器才可能实现计数工作。当计数器已达到整定所需脉冲数时,多路ON-OFF开关K输出高电平,此高电平立即施加到第一级计数器CP端,以停止计数器再计数,并进而保证输出可靠保持高电平状态,直至启动控制端信号变为低电平为止。
C2.7 鉴幅电路
鉴幅电路用于低电压或低电流闭锁回路的测量判断。随着数字频率继电器的发展,在生产SZH-2型继电器时才开始使用这种性能优越的鉴幅电路。这个电路实质是一种峰值电压鉴幅器,其原理结线及工作脉冲波形如图C11所示。图中运放器A的反相输入端接到6V稳压电源上,这是鉴幅电路的参考电压。运放器A的同相输入端,经分压器(由电阻R1、R2组成)接到被测的交流电压回路。当a点电压ua的幅值大于6V时,运放器输出高电平,通过二极管D向电容器C迅速充电,当ua幅值低于6V时,运放器输出变为低电平,电容器C经电阻R3及运放器A的内阻放电,其电容器C上的电压uc,随时间增大而减小,但只要uc的幅值大于与门Y的CMOS器件的转折电压,与门Y就不会被闭锁。合理选择电容器的放电时间参数,当被测电压足够大,每一周期内能出现一次ua的幅值>6V时,与门Y能输出高电平。只有当被测电压过低时,任何时间内ua幅值不可能超过6V时,与门Y才输出低电平,从而实行闭锁。这就是峰值电压鉴幅器的工作原理。

图C11 峰值鉴幅器原理结线及工作脉冲波形图
(a)原理结线图;(b)工作脉冲波形图
C型继电器的低电流闭锁亦采用此种鉴幅器。通过电抗变换器将电流变成电压,然后进入鉴幅器输入端,这就构成了低电流闭锁回路。
频率测量回路的工作原理参见图C1(SZH-1型继电器)或图C2(SZH-2型继电器),现简述如下。
被测频率的交流电压经工频带通滤波器LB及方波形成器FB后,变成等频率的方波电压。正方波周期与交流电压的正半波周期对应,而负方波周期则与交流电压的负半波周期对应。在方波电压从负方波向正方波突变的瞬间,单稳触发器DW1输出一个宽度为4μs的清零脉冲,使计数器JS置0,清零脉冲消失后,计数器以晶体振荡器ZD1发出的每5μs一次的时钟脉冲进行累加计数,直到下一周期的清零脉冲到来为止。也就是说,在被测频率的每一个周期内,计数器累加标准时钟的脉冲数。被测频率愈低,则两次清零脉冲之间间隔愈长,故计数器的时钟脉冲数愈多,反之亦然。因此已知计数器的脉冲数N可由下式求出被测电压的频率
(C1)
式中 T——被测电压的周期,s;
T0——标准时钟脉冲周期,T0=5μs;
N——计数器的累加脉冲数。
例如,若已知N=4123个脉冲,则被测电压的频率为f=2×105/4123=48.508(Hz)。
PZ为脉冲数整定环节也就是动作频率的整定器件。监视级及SZH-1型继电器的闭锁级的整定频率是固定值,使用一、两个与门则可完成,输出级及SZH-2型继电器的闭锁级的动作频率是任意调节的,则需要设置数码整定开关才能实现。从式(C1)式计算出4位脉冲数,理应用4位数码开关。可幸的是继电器的工作频率范围不大,其千位数是不变的(低频率继电器的千位数字为4,而高频率继电器为3),故可省去千位数码开关,而由三个数码开关构成。输出级PZ为拨轮数码开关,装在继电器面板上。当被测频率低于整定值时,PZ输出一个或数个时钟脉冲给与门Y1(指YJ1,YB1或YS,下同)的第一个输入端。
设置反相器F的目的是提高继电器的安全性。其一在正方波期间(清零脉冲后的半个周期),计数器不可能达到整定值,此时反相器F输出低电平,将与门Y1关闭,不仅不会影响继电器正常工作,而且减少了因脉冲干扰引起的误动作几率。其次,如被测电压因某种原因(如试验开关触点接触不良或DW1单稳触发器之前的电路元器件损坏等),输入电压为零,因此不再产生周而往复的清零脉冲,此时计数器累加的脉冲数必定达到整定值。但是,此时方波形成器输出为高电平,故反相器F输出低电平,从而闭锁了与门Y1 以后的输出电路。防止了继电器误动作。
当被测电压的频率低于整定值时,PZ输出一个5μs短脉冲,经与门Y1起动单稳触发器,继而又起动展宽电路ZK,这两级脉冲展宽电路使动作脉冲从5μs展宽到60ms左右,从而保证动作信号连续可靠地发出。
与门Y2是为实现低电压闭锁而设置的,它起防止电压过低或某些系统因电源中断、电动机反馈等引起继电器误动作的作用。
输出级动作延时回路的作用是:
a.满足系统整定的需要,实现动作时间配合。例如特殊轮的低频率继电器要求具有10~20s动作时间。
b.防止暂态干扰引起的误动作。如继电器无动作时间配合要求,特别是SZH-1型继电器一般选0.5s动作延时,以防止电压回路异常等原因引起的误动作。
图C12示出了继电器动作时各环节电压波形图,以助于进一步了解频率测量回路的工作原理。

图C12 SZH型数字频率继电器动作时各主要环节的电压波形图
SZH-2型继电器设有df/dt频率滑差闭锁回路,其工作原理框图如图C2的虚线框内部分所示。工作原理说明如下:
当被测电压的频率正常时,监视级频率测量回路输出(fJ)高电平,而闭锁及输出级的频率测量回路fB、fS输出均为低电平。此时或非门HF1-4及与门Y3-1的输出均为高电平,三极管T1导通,而T2及T3截止,因此只有继电器JJ处于动作状态,发光二极管XD1(绿灯)点亮。
当被测电压的频率降低时,视继电器频率下降速度的不同,则其可能出现如下两种工作状况:
a.频率下降速度快时:fB先动作,并起动时间元件Δt,Δt还未来得及动作,fS动作,此时与门Y4-1的输出仍维持1态(Δt未动作),因此与门Y4-2输出1态,通过HF1-2,HF1-3及Y4-4使HF1-4的输出变为0态。HF1-4的0态输出通过Y3-1、Y4-3及Y3-4,将三个频率测量级回路闭锁。这就是df/dt频率滑差(过大)的闭锁。Y4-4的1态输出,又使与门Y4-4通过fS 自保持,以防止Δt元件动作后,中止了df/dt闭锁。
b.频率下降速度较慢时:fB先动作并起动时间元件Δt,Δt动作后使HF1-1输出变为0态,从而禁止了与门Y4-1高电平输出可能。在此时刻以后,系统频率继续下降,fS动作,但此时由于Y4-1的0态输出使Y4-2不可能被fS起动,也就是不可能起动df/dt闭锁,于是允许输出级动作跳闸。
从上述工作原理,可根据闭锁级、输出级的整定频率及Δt整定时间三者的关系按下式计算出继电器df/dt频率滑差闭锁值K
当系统的频率下降速率大于等于K时,继电器被闭锁,只有系统的频率下降速率小于K时,继电器才能允许动作,这就是df/dt频率滑差闭锁概念。
一般电力系统因有功功率缺额引起的频率下降速率是较低的,而在上级电源因故中断,由电动机反馈引起的频率下降,其速率较高。正确选择继电器的df/dt闭锁值,既能保证系统低频率时可靠切负荷,又能防止电动机反馈所招致的误动作。顺便指出,由单稳触发器DW1(见图C1)故障引起的清零脉冲消失,三级频率测量回路均动作,对SZH-1型继电器来说,误动作是不可避免的,但对SZH-2型继电器来说,由于有df/dt闭锁,可靠地防止了这种元器件损坏引起的误动作。
使用内部试验开关检验继电器时,fB、fS均同时动作,为避免误被df/dt闭锁,故设有SK试验开关,当其在“试验”位置时,解除df/dt闭锁电路,其电路详见图C2。
C3 跳闸输出回路
跳闸输出回路的原理结线图如图C13所示。图中三极管T3的输入端来自频率测量回路的与门YS3(图C1)或者与门YS4(图C2)。XJ为输出级动作的信号继电器,它动作后,其触点闭合,使输出级指示(红)灯亮,并使JJ继电器线圈回路(对SZH-2型继电器而言)断开,JJ继电器返回后,发中央报警信号XJ为磁保持继电器,动作后需按复归按钮才能返回。ZJ为出口继电器,只有在闭锁级,其输出级均动作时,才能动作,保证任一三极管损坏,也不误跳闸。SZH-1型继电器的早期产品在ZJ继电器的线圈串入试验开关SK的常闭触点,当SK放在“试验”位置时,能自动断开出口继电器回路,但后来的产品都取消了此回路。因此使用试验开关检验继电器前,务必先断开跳闸压板。

图C13 跳闸输出回路原理结线图
C4 试验用的工频电源发生器
为了能方便地检验本装置能否正确动作,故设有试验用频率发生器,其原理结线如图C14所示。它是由一只运算放大器和RC充放电路等组成的方波发生器。其中1R11、1R12组成正反馈电路。如果由于某种原因(外界干扰、开启电源等瞬态激发),使输出变正,则由正反馈的作用,使输出电压在瞬间即达到并保持于高电平,此时输出端通过1R10向电容器1C7充电,故运放器反相输入端电压逐步上升,且当反相输入端电压高于同相输入端时,运算放大器翻转,其输出变为低电平。此时电容器C7经电阻1R10向输出端放电,于是运放器的反相输入端电压又逐渐下降,当运放器反相输入端电压低于同相输入端时,运放器又翻转,如此来回往复形成电压方波发生器。

图C14 试验用工频电源发生器原理结线图
改变电阻1R10,即改变充放电时间常数,以及改变1R11/1R12的值,即改变运放器的翻转门槛电平,均可调整振荡器的工作频率。对低频率继电器,其试验用工频电源发生器的频率选定在42±3Hz。对高频率继电器则选定在55Hz。
试验切换开关SK有两个位置,当放在“运行”位置时,频率测量回路经SK触点接在隔离变压器次级绕组上,即测量交流输入电压回路的频率。在放在“试验”位置时,将频率测量回路改接到试验用工频电源发生器的输出端,此时三个测量级均应动作。对SZH-2型继电器SK还有另外一付转换触点,在“试验”位置时,断开频率输出级至df/dt闭锁电路,并将与门Y4-2及Y4-4的一个输入端接地,从而把df/dt闭锁回路解除。
附 录 D
数字频率继电器的专用试验仪
(参 考 件)
GPS-1型及FPZ-1型微机工频电源及频率时间综合测试仪(以下简称试验仪)是为检验SZH型数字频率继电器开发的新仪器,具有精度高,使用方便和便于携带等特点,是检验SZH型数字频率继电器必不可少的工具。上述两种型号试验仪大同小异各有特色。本附录扼要说明这两种试验仪的使用方法,并略加些原理说明,以助读者理解掌握。
GPS-1型微机工频电源及频率时间测量仪的使用简要说明。
D1.1 主要用途
D1.1.1 作为SZH-1、SZH-2型数字频率继电器的专用校验仪。
D1.1.2 用于工频频率的测量。
D1.1.3 用作电子毫秒表使用。
D1.2 主要操作件说明
仪器的面板和后板布置如图D1所示。兹将主要操作件说明如下:

图D1 GPS-1型试验仪的面板及后板布置图
(a)面板布置图; (b)后板布置图
D1.2.1 “电源开关”:作为本仪器的总电源投入和切断的控制。电源开关合上时其旁边的电源指示灯亮。
D1.2.2 “输出开关”:位于工频输出端子的左侧,作为输出通断的控制开关。当此开关断开时,输出电压表指示应为零。
D1.2.3 “测时控制键”:位于面板中部的11个键。1~5号键为“输入Ⅰ”的方式选择,6~10号键为“输入Ⅱ”的方式选择。11号键是内部或外部起动方式的选择。
11号键在弹出位置时,用作频率继电器的时间测量(内部起动计时方式):在掀下位置时,作为常规电子毫秒表使用,其外部起动计时经“输入Ⅰ”引入。
“输入Ⅰ”及“输入Ⅱ”分别作为起动及停止电子毫秒表的输入连接口。起或停电子毫秒表可以是空触点(不带电位)状态变化或电位突变,这两种变化通过4号或9号键来选择。当选用电位突变时,还需选择合适的电平,选择电平用1~3号或6~8号键。5或10号键用以选择电子毫秒表的起、停状态,如“触点合正跳变”表示仅当触点闭合或电平发生正跳变的瞬间是有效的,相反状态试验仪拒不执行。
D1.2.4 频率整定数码拨轮开关f (Hz)的作用有二:
a.在测量SZH型数字频率继电器的动作或返回时间时,作为决定起动电子毫秒表的整定频率数。
b.在测量SZH型数字频率继电器的df/dt闭锁值时,作为决定试验仪频率变化的最终频率的整定值。
频率整定开关为三位数码开关,其中一位是小数位。如果被测继电器的动作频率是48.75Hz,它只能整定为48.8Hz,测出动作时间略带微小误差。
D1.2.5 频率滑差整定数码拨轮开关df/dt:用于控制工频试验仪频率变化速率的整定。该开关也是三位数码开关,其中一位是小数位。
D1.2.6 “电压调节”旋钮:它带动多圈调节的电位器,可以准确平滑调节工频电源电压到所需数值。调节范围0~120V,输出电压可在左上角的四位数码管显示出来。
a.“复位”键:用作控制微机程序回到原始准备状态。如遇试验仪异常,可掀一下此键,微机可回复到原始准备状态。
b.“电压启动”键:用作启动工频电源,建立工频输出。按下此键后使工频电源恢复到50Hz正常频率。
c.“测时复原”键:按一下此键,使微机进入测量时间功能的原始状态。
d.“测时”键:测量时间的执行键。对外部起动的时间测量,只需按一或两下即可。但对SZH数字频率继电器时间测量,需按两或三次,第一次执行起动电子秒表是频率(从f数码拨轮开关所整定数值读进),第二次执行频率下降任务。频率下降到整定值且电压从负到正的过零瞬间起动电子秒表,为防止继电器刚动作时,触点抖动影响测时准确度,在起动电子秒表的同时把电源频率再减少0.2Hz。按第三次时,执行使电源频率回升到高于整定频率的任务,达到整定频率自动增加0.2Hz保证继电器可靠返回、且在电压从负到正变化的过零瞬间起动秒表,只要当时测时控制的10号键在掀下位置——触点开位置,就可自动测量出继电器返回时间。由此可见,使用GPS-1试验仪测量SZH的动作及返回时间都非常稳定、准确而且操作简单,是常规试验设备所无法比拟的。
电压从负变正的瞬间,GPS-1产生起动电子秒表的信号脉冲,而在SZH型数字频率继电器产生一个清零脉冲。因此起动信号与清零脉冲之间有同极性。如果两者同极性输入,即秒表起动信号脉冲与继电器清零脉冲同时产生,则仪表上读数是真正的数据。否则,如清零脉冲晚半个周波出现,仪表上显示的读数将偏大半个周波,即约10ms左右。此时,应更换工频输出的相对连接极性,并选取动作时间及返回时间中较少的一个测量数据为试验结果。
D1.2.7 “df/dt”键:是用于使工频电源从50Hz按整定的df/dt频率滑差值变化,以达到预定的终止频率的操作键。
进行df/dt检验时,需连续掀“df/dt”键三次。第一次读入变化终止时的整定频率,第二次读入df/dt变化率的整定参数,第三次执行操作。
D1.2.8 “测频”键:按一下此键,可将频率表切换到测频信号输入端(插头位于背板)。
D1.2.9 “单步↑”或“单步↓”键:每按一下此键,输出频率上升或下降0.00125Hz。
D1.2.10 “连续↑”或“连续↓”键。按第一次此键,使输出频率连续不断步进上升或下降,按第二次,则停止频率变化。如此循环往复。
由于输出频率步进一级仅0.00125Hz,因此若所需频率很低,例如校验动作频率为47Hz,则从50Hz下降至47Hz需花较长时间,为节省时间,可使用df/dt程序将输出频率快速下降,此时可在f(Hz)开关上整定47.2Hz:在“df/dt”开关上整定50.0Hz,然后连续掀三次“df/dt”键,则工频电源频率快速降低到47.2Hz,然后按“单步↓”或“连续↓”键,可迅速测出动作频率。
D1.3 仪器的开机及其检验
当仪器开机后,经简单检验证明,仪器正常时,才能用仪器校验继电器。开机校验步骤如下:
a.插入电源工频输出端不接线并按下电源琴键开关,此时其旁边的电源指示灯点亮、而电压表、频率表均显示为0。
b.按下“电压启动”键,此时V灯Hz灯亮,频率显示应为50.0000Hz。
c.按下输出琴键开关,调节电压到100V状态。
d.检查“单步↑”、“单步↓”,“连续↑”,“连续↓”键工作正常。
e.再掀一下输出开关使其关断,此时电压表指示为零,将背后测频信号连接线与输出端两两相连,再掀一下输出开关使其输出接通。掀一下“电压启动”键使工频电源输出为50Hz,再掀一下“测频”键,此时频率表显示非常接近50Hz的一个略有微小变化的频率,证明微机设置频率50Hz,实测频率也是50Hz。
f.如遇异常可按“复位”键,再重复上述操作,经以上5项试验,证明仪器可使用。
D2 FPZ-1型频率继电器微机综合测量仪使用简要说明。
D2.1 主要用途
D2.1.1 用于数字频率继电器的专用试验。
D2.1.2 用于工频频率或周期的测量。
D2.1.3 用作电子毫秒表。
D2.1.4 用于100、150及250Hz的谐波电源发生器。
D2.2 主要操作件说明
本仪器的正面板与后面板图如图D2所示。兹将主要操作件说明如下:

图D2 FPZ-1型试验仪前后面板布置图
(a)前面板; (b)后面板
D2.2.1 “电源”:为本仪器的总开关,装设在后面板上。
D2.2.2 频率或周期测量切换开关:装设在后面板上。当其放在“~220”位置时,是从本仪器220V电源测量出被测电压的频率或周期。当放在“~100”位置时,为外测频率或周期,此时被测信号从“输入Ⅱ”输入,输入电压应在3~100V范围之内。
D2.2.3 “复位”键:用作控制微机程序回到原始状态。一种测量程序过渡到另一种测量程序时,必须先按此键,但单升、单降操作可插入任意程序而不必先按此键。如遇异常亦可按此键。
D2.2.4 “定值”键:为方便用户校验设置一连串特定频率,每按一次此键,可按预定输出频率:50→49.5→49.26→49→48.7→49.5→50.4→50.7→51Hz输出。
D2.2.5 “任意”键:控制输出频率的操作键。其操作步骤如下:
a.先按“任意”键,然后按45~65Hz范围内的五位数码,再按“任意”键,则输出所需的频率。数码未按满五位不执行下一步任务。
b.按“任意”+“单降”+“任意”键时,输出100Hz谐波电源,作为调谐滤波器使用。
c.按“任意”+“单升”+“任意”键时,输出150Hz谐波电源,作调谐滤波器使用。
d.按“任意”+“定值”+“任意”键时,输出250Hz谐波电源,作调谐滤波器使用。
D2.2.6 “单升”、“单降”键:微调输出频率的控制键。每按一次,输出频率上升、下降0.005Hz。与“任意”键配合使用,可改变谐波电源频率。
D2.2.7 “滑差”键:使工频电源从某一起始频率按所需要频率滑差df/dt值,线性变化地达到预置的终止频率的操作键。操作步骤说明如下:
a.第一次按此键,使微机进入df/dt试验状态(如仪器从其它测量程序转入df/dt程序,则在第一次按此键前,应先按“复位”键),并显示50.000Hz,这就是原设定的起始频率值,如同意50.000Hz为起始频率,则不需再操作,如需从某一频率时,则用“定值”键修改并显示设定频率起始值。数字一定要送足5位,否则不执行下一步。
b.第二次按此键,微机读取起始频率值,并显示dF□□□□(□为空格),意是请你把所需要df/dt值写入,此时你应送入三位数字码。小数位一位小数点自动加入的不必操作。如果送错数字,可继续操作数码键,把原送入数码顶掉,直到显示数码与你所需要的数相同,再进行下一步操作。
c.第三次按此键,则将df/dt设置值读入微机。并显示45.000Hz,这是原设定的终止频率值。如需修改终止频率可使用定值键,将你所需频率值写入,需送满五位数,小数点也是自动给出的。
d.第四次按此键才执行操作命令。此时工频试验仪从设定的起始频率按预置df/dt变化,达到规定的终止频率变化。最后显示出终止频率值。经过5s后,又自动将工频试验仪的频率自动返回到起始频率。
如果不改变上述整定微机参数,而重复校验继电器,可连续按四次此键即可。如果想修改其中一项,则可在按“滑差”键到你需修改定值的那一步时,进行修改参数,不需修改的项就按“滑差”键即可。按满四次此键就能进行一次df/dt的检验。
D2.2.8 “测时”键:执行测量时间的操作键。当掀“复位”+“测时”键后,仪器进入测量时间的程序。测量时间有如下几种:
D2.2.8.1 测量数字频率继电器动作和返回时间:继电器触点由“输入Ⅱ”输入。Ⅱ路选择键按下“动合”键,操作如下:
a.第一次按“测时”键时,显示屏显示aT ,表示仪器已进入测时程序,请求送入你所测量继电器的动作频率的实际值,此时你必须送足五位数字码,否则不执行以下任务。
b.第二次按“测时”键时,仪器输出的频率为动作频率+0.3Hz。故频率继电器闭锁级应动作。
c.第三次按“测时”键,仪器输出频率下降,当频率到整定值时,秒表起动。当继电器动作后,秒表停止,并显示出继电器动作时间。
d.第四次按“测时”键,又使仪器输出频率上升,并高于动作频率,并记下其返回时间。
如不改变参数,反复试验继电器动作及返回时间。继续反复掀“测时”键,每两次为一组数据,第一个为动作时间、第二个为返回时间。
D2.2.8.2 测量按df/dt频率滑差减载继电器的动作时间:被测继电器的触点从“输入Ⅱ”接入,操作步骤如下:
按“测时”+“滑差”键,则试验仪进入“df/dt减载测时程序”,再采用第2.2.7项操作步骤,则可得到按df/dt减载继电器的动作和返回时间。不过要注意,此项试验所设置试验仪的df/dt值。应该是被测继电器的df/dt动作值。
D2.2.8.3 作电子秒表使用。“输入Ⅰ”接起表的触点或电平,“输入Ⅱ”接停表的触点或电平。如果采用电平将“电平”键掀下,弹出时为空触点输入方式。当需触点闭合瞬间起动或停止秒表时掀下“动合”键,弹出位置为触点断开瞬间起或停秒表。当采用电平输入方式,可根据正跃变或负跃变起停秒表选择“正跃”或“负跃”键。
第一次按“测时”键,秒表进入测量动作时间状态。随着外部信号的输入,记下动作时间。第二次按“测时”键,进入测返回时间状态,秒表随外部信号的输入,记下返回时间。
D2.2.9 “测频”键:使仪器作为测量频率的功能。
D2.2.10 “周期”键:使仪器作为测量周期时间功能。
D2.2.11 “自校”键:作为检查仪器是否正常,当掀下此键如显示为050.000说明仪器正常。
____________________
附加说明:
本标准由能源部继电保护标准技术委员会提出。
本标准由能源部继电保护标准技术委员会起草。
本标准主要起草人苏宇铿、陈良保、孙光辉。