中华人民共和国电力行业标准
DL 486—92
交流高压隔离开关订货技术条件
中华人民共和国能源部1992-08-12批准 1993-02-01实施
第一篇 适 用 范 围
1 适用范围和引用标准
1.1 适用范围
本标准适用于额定电压3~500kV、频率50Hz的户内和户外用隔离开关和接地开关,也适用于它们的操动机构和辅助装置。
注:超出本标准的要求由用户和制造厂协商解决。气体绝缘金属封闭电器、金属封闭开关设备及矿用配电装置中使用的隔离开关超过本标准的要求,在相应的专门标准中加以规定。
本标准不适用于有火灾、爆炸危险、化学腐蚀及频繁的剧烈振动的场所。
1.2 引用标准
GB2900.1 电工名词术语 基本名词术语
GB2900.20电工术语 高压开关设备
GB11022高压开关设备通用技术条件
IEC-129交流隔离开关和接地开关
GB2706交流高压电器动、热稳定试验方法
GB3309高压开关设备常温下的机械试验
GB763交流高压电器在长期工作时的发热
GB5582高压电力设备外绝缘污秽等级
DL402交流高压断路器订货技术条件
DL40310~35kV户内高压真空断路器订货技术条件
DL404户内交流高压开关柜订货技术条件
DL405进口220~500kV高压断路器和隔离开关技术规范
2 使用环境条件
2.1 周围空气温度:
户外分级:+40~-45℃;
+40~-35℃。
户内分级:+40~-15℃;
+40~-25℃。
注:户内隔离开关允许-35℃时储运。
日温差:日变化范围分级:25K;
32K。
2.2 海拔高度:
1000m及以下地区;
1000~3000m地区;
3000m以上个别考虑。
2.3 户外产品风速:不大于35m/s。
2.4 户内产品环境的相对湿度:日平均不大于95%;月平均不大于90%。
2.5 耐受地震的能力:
耐震水平分级:水平加速度为0.15g和0.3g。
试验方法:共振、正弦拍波试验法,激振5次,每次持续时间5Hz,各次之间间隙2s。
对具体产品的机械强度,应根据上述耐受能力所要求的加速度导致的动态负荷全动态法进行计算和试验,并应考虑其端部连接导线振荡和导线张力的影响。
2.6 爬电比距:
外绝缘爬电比距为外绝缘爬电距离与其最高电压之比,mm/kV;
Ⅰ级污秽地区的对地爬电比距不得小于16;
Ⅱ级污秽地区的对地爬电比距不得小于20;
Ⅲ级污秽地区的对地爬电比距不得小于25;
Ⅳ级污秽地区的对地爬电比距不得小于31。
3~63kV级隔离开关绝缘的爬电比距一般可按Ⅱ、Ⅲ、Ⅳ级选取。
2.7 覆冰:户外产品的覆冰厚度一般地区不超过1mm;重冰区覆冰厚度分为10、20mm两级。
2.8 产品应考虑凝露、雨、温度骤变及日照等的影响;操动机构箱应能防寒、防潮、防热、防尘、防雨和防止异物进入。
2.9 当上述诸环境条件不能满足使用要求时,由用户与制造厂协商解决。
第二篇 基本分类和额定参数
3 基本分类
隔离开关的分类如表1所示。
表1
|
特 性 |
结 构 型 式 |
|
装置地点 |
1.户内;2.户外 |
|
有无接地闸刀 |
1.无接地闸刀;2.每相上有一把接地闸刀;3.每相进、出线端上各有一把接地闸刀 |
|
操作方式 |
1.操作勾棒;2.手力式操动机构;3.动力式操动机构;电动机、液压、气动、弹簧贮能 |
|
用 途 |
1.一般用;2.快速分闸用;3.变压器中性点接地用;4.快速接地用 |
4 额定参数
额定电压及最高电压(对进、出口产品的额定电压以最高电压表示,不需要再列最高电压);
额定绝缘水平;
额定频率;
额定电流;
额定短路关合电流(仅对具有额定短路关合能力的接地开关而言);
额定热稳定电流和额定热稳定电流的持续时间;
额定动稳定电流;
分、合闸控制装置及辅助回路的额定电压和频率;
操作用气(液)体的额定表压力;
开断母线转移电流的额定值;
开、合容性小电流、感性小电流以及感应电流(在GIS中)的额定值;
接线端的机械负荷;
分、合闸时间;
分、合闸的平均速度。
4.1 额定电压。额定电压值如表2所示。
表 2
|
额定电压 (kV) |
3 |
6 |
10 |
20 (15) |
35 |
63 |
110 |
220 |
330 |
500 |
|
最高电压 (kV) |
3.5 |
6.9 |
11.5 |
23 (17.5) |
40.5 |
72.5 |
126 |
252 |
363 |
550 |
4.2 额定绝缘水平。产品在本标准所指定的环境条件下均应能保证所要求的绝缘水平。对10~35kV产品的绝缘试验要求为:
额定电压为10kV时,1min工频耐受电压为:对地42kV;断口间48kV;
额定电压为35kV时,1min工频耐受电压为:对地95kV;断口间115kV;
额定电压为63kV时,1min工频耐受电压为:对地155kV;断口间190kV;
额定电压为10kV时,额定冲击耐受电压峰值为:对地75kV;断口间85kV;
额定电压为35kV时,额定冲击耐受电压峰值为:对地185kV;断口间215kV;
额定电压为63kV时,额定冲击耐受电压峰值为:对地325kV;断口间380kV。
其它电压等级对地绝缘应符合GB311.1《高压输变电设备的绝缘配合》的规定。
隔离开关断口间应能耐受GB311.1《高压输变电设备的绝缘配合》所规定的工频、雷电冲击水平和工频反相最高相电压峰值的联合作用。当电压为220kV及以下时,允许将电压加在一个端子上,另一个端子接地,但电压值为规定耐压水平与工频反相最高相电压峰值之和。当电压为330kV及以上时,隔离开关的操作冲击水平是在一个端子上施加避雷器操作波放电电压上限值(简称操放上限),而在另一端施加工频反相最高相电压峰值,其断口间的试验电压如表3所示。
表3
|
试验电压幅值 (kV) |
电 压 等 级 (kV) |
|
|
330 |
500 |
|
|
操作波试验电压 |
避雷器操作冲击放电电压上限 +296 |
避雷器操作冲击放电电压上限 +450 |
对相间绝缘水平也应提出相应的要求,其耐压值另定。
4.3 额定电流。额定电流值为200、400、630、1000*、1250、1600(1500)、2000、2500、3150、4000、5000、6300、8000、12500、16000、20000、25000A。
注:带*号者尽量少用。
4.4 额定热稳定电流和额定热稳定电流的持续时间。
4.4.1 额定热稳定时间是指在合闸状态下能够通过额定热稳定电流的时间。
a.对隔离开关而言:
110kV及以下的额定热稳定时间为4s;
220kV的额定热稳定时间为3s;
330~500kV的额定热稳定时间为2s。
b.对接地开关而言,各电压等级的热稳定时间为上述值的12。
4.4.2 额定热稳定电流是指处于合闸位置的隔离开关在上述额定热稳定时间内所能承载的电流最大交流分量有效值,其值应按表6选取。
注:超出100kA按R10系列延伸。
当接地开关与隔离开关组装在一起时,除另有规定外,接地开关的热稳定电流应等于隔离开关的热稳定电流。
4.5 额定动稳定电流。隔离开关的额定动稳定电流(峰值)为其额定热稳定电流周期分量有效值的2.5倍。当接地开关与隔离开关组装在一起时,除另有规定外,接地开关的动稳定电流应等于隔离开关的动稳定电流值。
4.6 户外隔离开关接线端的机械负荷。户外隔离开关接线端的机械负荷(静态)如表4所示。静态安全系数不小于3.5;动态下的安全系数不小于1.7。
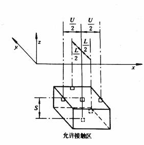
4.7 单柱式隔离开关的允许接触区(见图1)。单柱式隔离开关的静触头固定在软母线或硬母线上的接触区变化范围推荐值如表5所示。

图 1
L—y方向的活动范围;U—x方向的活动范围;S—z方向的活动范围
注:导线走向为x向。
4.8 额定参数配合。隔离开关优先采用的额定电压、额定电流及额定热稳定电流的配合见表6。
表 4
|
额定电压 (kV) |
额定电流 (A) |
水平拉力 (N) |
垂直力(向上、下)Ftd(N) |
||
|
纵向FthA |
横向FthB |
||||
|
10 |
|
500 |
250 |
300 |
|
|
35~63 |
≤1250 ≥1600 |
750 750 |
400 500 |
500 750 |
|
|
110 |
≤2000 ≥3150 |
1000 1250 |
750 750 |
750 1000 |
|
|
220~330 |
单柱式 |
1250~3150 |
2000 |
1500 |
1000 |
|
多柱式 |
1250~3150 |
1500 |
1000 |
1000 |
|
|
500 |
单柱式 |
2500~4000 |
3000 |
2000 |
1500 |
|
多柱式 |
2500~4000 |
2000 |
1500 |
1500 |
|
注:用户的要求超过本表规定值时可由制造与使用双方另定。
表 5
|
额定电压 (kV) |
L (m) |
S (m) |
U (m) |
|||
|
软母线 |
硬母线 |
软母线 |
硬母线 |
软母线 |
硬母线 |
|
|
63 |
0.3 |
0.1 |
0.2 |
0.1 |
0.2 |
0.1 |
|
110 |
0.35 |
0.1 |
0.2 |
0.1 |
0.25 |
0.1 |
|
220 |
0.5 |
0.15 |
0.25 |
0.15 |
0.3 |
0.2 |
|
330 |
0.5 |
0.15 |
0.3 |
0.15 |
0.35 |
0.2 |
|
500 |
0.6 |
0.2 |
0.4 |
0.2 |
0.5 |
0.25 |
表 6
|
E |
额定热稳定电流 (kA) |
额 定 电 流 (A) |
||||||||
|
3、6、10 |
(1.6) 3.15 (6.3) 8 12.5 16 (20) 25 (31.5) 40 50 |
200 200 — — — — — — — — — |
400 400 400 400 400 — — — — — — |
— 630 630 630 630 630 630 — — — — |
— — 1250 1250 1250 1250 1250 1250 1250 1250 1250 |
— — — — — — — — — — — |
— — — — — — — 2000 2000 2000 2000 |
— — — — — — — — — — — |
— — — — — — — — 3150 3150 3150 |
— — — — — — — — — 4000 4000 |
|
35~63 |
3.15 (6.3) 8 16 25 (31.5) 40 |
200 — — — — — — |
400 400 — — — — — |
— 630 630 630 — — — |
— — — 1250 1250 1250 1250 |
— — — 1600 1600 1600 1600 |
— — — — 2000 2000 2000 |
— — — — — — 2500 |
— — — — — 3150 3150 |
— — — — — — 4000 |
|
110~220 |
(16) 20 25 31.5 40 50 |
— — — — — — |
— — — — — — |
— — — — — — |
1250 1250 1250 1250 1250 — |
— 1600 1600 1600 1600 1600 |
— 2000 2000 2000 2000 2000 |
— — — — — — |
— — — 3150 3150 3150 |
— — — — — — |
|
330 |
20 25 31.5 40 50 |
— — — — — |
— — — — — |
— — — — — |
1250 1250 1250 — — |
1600 1600 1600 1600 1600 |
2000 2000 2000 2000 2000 |
— — — — — |
— — 3150 3150 3150 |
— — — — — |
|
500 |
31.5 40 50 63 |
— — — — |
— — — — |
— — — — |
— — — — |
— — — — |
— — — — |
2500 2500 2500 2500 |
3150 3150 3150 3150 |
4000 4000 4000 4000 |
注:①发电机回路的隔离开关参数配合另有规定;
②括号内为备用参数配合;
③本表数值不适用于变压器中性点接地用的隔离开关。
第三篇 设计和结构
5 一般结构要求
5.1 隔离开关应结构简单、性能可靠、安装调整容易、维护检修安全方便,金属制造的零件包括联锁元件均应防锈、防腐蚀,各螺纹连接部分应防止松动,接地闸刀应拆装方便。对铁制件(铸件除外)应采用热镀锌或热喷锌等处理。
5.2 隔离开关的主闸刀和接地闸刀之间应有可靠的机械联锁,并应具有实现电气联锁的条件。不带接地闸刀的隔离开关应具有与携带型接地线联锁的机构。
隔离开关与相应的断路器之间应有可靠的联锁装置。固定式开关柜和手车式开关柜,应具有防止带负荷分(合)隔离开关、拉(合)手车、防止带电挂地线、防止带接地线合隔离开关的联锁装置。
在风压、重力、地震或操动机构与隔离开关本体之间的联杆被外力撞击时,隔离开关的结构应能防止从合闸位置脱开或从分闸位置合闸。
5.3 接地螺钉应符合如下规定:
a.户外隔离开关本体或单独供货的接地闸刀(接地器)的底座上,应装设不小于φ12mm的接地螺钉;户内隔离开关本体或单独供货的接地闸刀(接地器)的底座上以及隔离开关的操动机构的底座或外壳上,应装设不小于φ8mm的接地螺钉。
b.每相一个底座的隔离开关,各相应分别装设接地螺钉。
c.接地接触面应平整、光洁,并涂以防锈油。连接截面应满足热稳定要求,但钢接地线的截面不得小于(25×4)mm2。
d.接地接触面应标以接地符号。
5.4. 隔离开关的接线端子应符合JB1046《变压器、高压电器和套管的接线端子》标准中的有关规定,如有需要,其铜铝过渡接头由制造厂配套供应。
5.5. 隔离开关需要经常润滑的摩擦部分,应根据需要设置润滑孔或润滑装置。寒冷地区采用防冻润滑剂。在型式试验中不允许涂抹导电膏。
5.6. 隔离开关的带电部分不论分、合闸位置,在最高电压下的晴天夜晚应无可见电晕。
5.7. 同型号产品的安装尺寸应一致,零部件应具有互换性。
5.8. 制造厂应给出隔离开关对基础的作用力及刚度、强度和结构要求。
5.9. 由同一操动机构操动的两相或三相隔离开关,各相主闸刀的合闸不同期性应能比较方便地进行调整,在合闸终了时应保证接触可靠。合闸不同期性数值在产品技术条件中规定。
5.10 在规定的覆冰厚度下,户外隔离开关的主闸刀应能用所配用的操动机构使其可靠的分闸和合闸。
5.11 220kV及以上隔离开关应能就地进行电动操作。
5.12 气动操动机构气源的额定气压(表压值)。气动机构气源的额定值为0.5、0.7、1.0、1.5、2.0、2.5MPa(表压)。液压机构液压的额定值和自附压缩机的压缩空气操动机构的气压额定值待定。
5.13 分、合闸装置及电磁联锁装置的操作电压。操作电压指操作时加在操动机构相应受电元件接线端子上的电压,其额定值在下列数值中选择:
直流:(24)、48、110、220V;
交流:110、127、220、380V 。
5.14 隔离开关带电部分及其传动部分的结构应能防止鸟类作窝。
5.15 接地开关的旋转轴与底座之间的铜质软连接的截面积应不小于50mm2。
5.16 隔离开关触头接触子的结构应有防尘措施。
5.17 隔离开关瓷件和法兰的浇装应能防止胀裂,并应有良好的配合。隔离开关所用瓷件外绝缘爬电比距应符合第2.6条的规定。
第四篇 操 动 机 构
6 操动机构的一般结构要求
6.1 对手力式操动机构的要求:
a.户内手力式操动机构的手柄和单臂横杆长度应不大于500mm,其转动角度应不大于180°;手轮直径和双臂横杆的长度应不大于750mm。
b.户外手力式操动机构的手柄总长度(包括横柄长度在内)应不大于1000mm。手柄与接柄连接部分的尺寸和形状应一致。手柄离地面的高度不得超过1100mm。
c.配用手力式操动机构的隔离开关,一般体力的操作人员应能容易地进行分、合闸操作。在柄的端部操作力应不大于200N ;对蜗杆或齿轮式机构手柄操作圈数应不大于50圈(以手力操作作为失灵后的后备措施时,其操作圈数不作规定 )。
d.手力式操动机构的终点位置应有坚固的定位和限位装置,且在分、合闸位置时能将操作柄锁住。
6.2 对动力式操动机构的要求:
a.应装设供就地操作用的手力分、合闸装置。
b.在接受操作命令后,应能自行完成正常的合闸或分闸动作。
c.当操动机构处于任何动作位置时,均应能取下或打开操动机构的箱门,以便检查、修理辅助开关和接线端子。
d.在操动机构箱内应装设分、合闸按钮。
e.电控户外动力式操动机构箱内应能装设刀开关和保护熔丝。
f.动力式操动机构中所采用的电动机及仪表,应符合相应标准的规定。
6.3 操动机构的操作工具的运动方向,应符合表 7的规定。
表 7
|
操动工具名称 |
运动方式 |
运动方向及操作工具的相互位置 |
|
|
合 闸 时 |
分 闸 时 |
||
|
手柄,手轮或单、双臂横杆 |
转 动 |
顺时针 |
逆时针 |
|
两个上、下排列的手柄或按钮 |
按、拉或转动 |
上面手柄或上面按钮 |
下面手柄或下面按钮 |
|
两个水平排列的手柄或按钮 |
按、拉或转动 |
右面手柄或右面按钮 |
左面手柄或左面按钮 |
6.4 操动机构上应有能反映隔离开关分、合闸位置的指示器。指示器上应标明“分”、 “合”字样。
6.5 快分隔离开关和快速接地开关所配用的操动机构,除应满足本标准的有关规定外,尚应符合DL402《交流高压断路器订货技术条件》的有关规定。
7 分 、合闸操作
动力式操动机构,当其电压或气压在下列范围内时,应保证隔离开关的主闸刀或接地闸刀可靠地分闸和合闸。
a.电动机操动机构的电动机接线端子的电压在其额定值的80%~110%范围内时。
b.压缩空气操动机构的气压(指操动机构储气筒的气压值)为其额定值的85%~110%范围内时。
c.二次控制线圈、电磁联锁装置,当其线圈接线端子的电压在其额定值的80%~110%范围内时(线圈温度不超过80℃)。
8 辅助触点
110kV及以上操动机构辅助触点数目,除应满足设备本身要求外,尚应具有一定数目的备用辅助触点。
9 辅助开关的机械操作试验
操动机构所选用的辅助开关,在表8规定条件下应能承受表9规定的分、合闸操作次数。操作试验按项14的规定与隔离开关一齐进行。辅助开关应能关合和开断所控回路的电流,其具体要求由制造厂指定,辅助开关应装设在便于检查和修理的地方。
表8

对额定电压110kV及以上的隔离开关、接地开关或额定电流2000A以上的隔离开关及其操动机构,按表9规定进行总计1000次分、合闸操作的连续机械操作试验。试验前,其触头压力应调至接近产品技术条件规定的上限值。在试验过程中,允许按制造厂的规定对试品补充润滑剂,但不得作任何调整。在每个合、分操作中都应达到相应的位置。试验后,不经调整 ,其机械特性应符合产品技术条件的规定。
对额定电压63kV及以下、额定电流2000A及以下的隔离开关,或额定电压63kV及以下的接地开关及其操动机构,其连续分、合闸试验次数为2000次。其中:第一个1000次的试验仍按表9的规定进行;第二个1000次的试验以500次为一轮操作,一共二轮。在第一轮试验之末,允许对试品稍加调整。对配置动力操动机构的隔离开关和接地开关,每轮操作次数的分配为: 额定操作电压或气(液)压下450次,最低操作电压或气(液)压下25次,最高操作电压或气(液)压下25次,试验要求与上相同。
当配用人力操动机构时,试验后测得的操作力矩(力)不得大于试验前操作力矩(力)的120%。
表9
|
操作方式 |
操作电压或气(液)压 |
连续机械操作次数(分、合) |
|
操作钩棒 |
|
1000 |
|
人力操动机构 |
|
1000 |
|
动力操动机构 |
额 定 |
900 |
|
最 低 |
50 |
|
|
最 高 |
50 |
10 辅助开关的动作信号
动力式操动机构装设的辅助开关的动作应符合下列要求:
a.指示隔离开关主闸刀分闸的信号,应在达到80%断口距离后发出。
b.指示隔离开关主闸刀合闸的信号,应在隔离开关能安全通过额定电流及动、热稳定电流的位置时发出。
第五篇 型式试验、出厂试验
11 型式试验总则
凡隔离开关在电力系统中运行时所能遇到的运行和操作条件都应得到确切的试验验证。因此,这些工作条件都应是型式试验的内容。所有的型式试验结果,均应记录在型式试验报告中。这些报告应包括足够的数据,以证明产品已符合本标准 。受试隔离开关的所有重要部分必须与制造图纸相符,并经核实。型式试验报告还应包括其支持结构的一般资料和操动机构的有关资料。
型式试验也可鉴定产品是否符合某一标准,其目的在于证明产品是否能定型并进行批量生产。
在下列情况下应进行型式试验:
a.新产品定型,被试品应与正式产品的技术条件和图纸相符。
b.转厂产品。
c.当所配用的操动机构改型时。
d.当产品在设计、工艺或使用的材料有重要改变时。
e.正常生产的产品每隔八年应重新进行发热、工频干耐压、连续机械操作、热稳定等项目的型式试验。
f.不经常生产的产品(指生产间隔五年以上者),当再次生产时,应按本条“e”的要求重作型式试验。
12 型式试验项目及建议的试验顺序
12.1 型式试验项目:
a.外观检查。
b.机械特性和机械稳定性试验(连续机械操作试验)。
c.绝缘试验。
d.温升和电阻测量。
e.动、热稳定试验。
f.环境条件的试验(防锈、防腐、风力、破冰、地震)。
g.密封性试验。
h.电晕和干扰试验(110kV及以上)。
i.防水、防潮、防热、防寒与防尘试验。
j.开、合小电流能力的试验。
k.支持瓷件的抗弯、抗扭(对转动式瓷柱而言)试验。
l.接地开关短路关合能力试验。
m.极限温度下的操作试验。
12.2 型式试验项目的顺序为a—d—b—c—d—e—d—c—a。其他项目的试验顺序不作规定。
除f、g、h、i、j款外,其余试验应在同一(组)相隔离开关上进行。
13 外观检查
在进行所有型式试验项目之前,应先对产品进行外观检查,其项目由产品技术条件规定。
单柱式隔离开关的额定接触区的试验按4.7条的要求进行。
14 机械特性和机械稳定性试验(连续机械操作试验)
14.1 本项试验应三相同时进行。隔离开关和所配用的操动机构,连同所有附属元件、辅助开关等,应同时进行本项试验。
14.2 产品应能承受的操作次数和操作时的电(液、气)压值:
试验时的操作次数见表9。
进行本试验时,在隔离开关的一端应施加表4中的纵向水平拉力FthA。试验按连续操作顺序进行,一次连续进行到所要求的分、合次数。在各种操作电(液、气)压(额定、最高、最低)值下的试验次序不作规定。在试验过程中不得进行任何的修理与调整 ,不得紧固任何部件 、连接件,只允许按制造厂指定的间隔次数添加润滑剂。在试验过程中不得出现拒动误动、运动不到位及损坏等情况;三相不同期性在整个试验过程中均应符合规定。各项指示信号按第10条的要求均应正确无误。在本试验结束后,试品的机械特性应符合规定,且仍能满足“温升试验”的要求。其操作力的变化应符合下列规定:
a.对电动机构而言,操作完成后的动力消耗应无明显的增加。
b.对手动机构而言,操作完成后的分、合闸力(矩)比试验前测得的相应值相差不得超过20%。
接地闸刀的试验要求与主闸刀相同,但试验时其端部不要求施加外力。
14.3 试验时,产品应按规定的安装方式安装在其基础上或与之等价的基础上,产品装配完整 。产品的接触压力应调整在其技术条件规定的上限值。
15 绝缘试验
15.1 隔离开关的绝缘试验应按GB311.1的规定进行,其断口间的耐压试验按第4.2条的要求进行。在进行断口耐压试验时,有时候有必要将原本应接地的柜架对地绝缘起来。但应注意,框架的对地电压不得大于断口试验电压与对地试验电压之差。
对能承受凝露条件的产品应进行凝露条件下的绝缘试验。
15.2 隔离开关操动机构的控制、联动及信号电路各元件的绝缘,按2kV有效值进行1min耐压试验。
15.3 隔离开关操动机构中电磁线圈的匝间绝缘,应能承受如下的交流试验电压1min。
a.对交流线圈,为3.5倍的额定电压。
b.对直流线圈,为2.5倍的额定电压。
进行此项试验时,可用提高频率的办法将电压直接施加于线圈端子上,或在被试线圈中感应以工频电压,但必须保证线圈温升不超过表10的规定值。
16 温升试验和主回路的电阻测量
16.1 隔离开关的主闸刀(主回路)应在机械强度试验和动、热稳定试验后进行温升试验考核。这一试验按GB763《交流高压电器在长期工作时的发热》标准中的有关规定进行。试验电流有效值应为其铭牌额定电流的120%(对户外设备)或110%(对户内设备)。对于试验过程中的触头部位,不得涂抹导电膏。
16.2 操动机构中长期载流的各元件及附加设备,如辅助开关、按钮及控制回路等(不包括电热器和弱电控制回路),应能长期通过不小于10A的交流电流,其温升不应超过GB763的规定。
16.3 操动机构中短时通过电流的工作元件及附属设备,若具有操作完成后自动切断回路的装置时,在额定电压下,连续操作10次(每次操作之间的间隔期不大于2s);若没有操作完成后自动切断回路的装置时,则在额定电压下通电15s,其瞬时测量的温升不应超过表10规定的数值(当周围空气温度不高于+40℃时)。
表10
|
序号 |
元件名称及其绝缘 |
短期工作允许温升 (K) |
|
1 |
电磁铁的线圈绝缘为Y级 |
50 |
|
2 |
电磁铁的线圈绝缘为A级 |
65 |
|
3 |
电磁铁的线圈绝缘为E级 |
80 |
|
4 |
电磁铁的线圈绝缘为B级 |
90 |
|
5 |
电磁铁的线圈绝缘为F级 |
115 |
|
6 |
电磁铁的线圈绝缘为H级 |
140 |
|
7 |
C级绝缘制件 |
>140 |
|
8 |
联锁触头和端钮的接触部分 |
40 |
|
9 |
电动机绕组 |
按“电动机”专业标准 |
16.4 隔离开关主回路电阻的测量应按GB763《交流高压电器在长期工作时的发热》标准中的有关规定进行,测量应采用不低于100A(直流)压降法。测量时的触头压力应调至技术条件规定的下限值。测量时,触头部位不得涂抹导电膏。
17 动、热稳定性试验
17.1 进行动、热稳定试验时应遵守下列各项规定:
a.产品安装应与实际相符或处于不利的运行条件下(指导电回路的形状、尺寸,母线材料及安装绝缘子的距离、数量等)产品装配完整。在保证等价性的条件下,允许降低绝缘支柱高度进行热稳定试验。
b.三相隔离开关原则上应进行三相试验 。当试验条件不具备时,允许进行单相试验。这种试验应在相邻二相上进行,或在试验相和返回母线间的距离为最小相间距离下进行,对63kV以上隔离开关的这个距离可不予考虑。
c.在三相的动稳定试验中,应至少有一个边相中通过的电流不低于制造厂所规定的动稳定电流峰值和交流分量起始有效值,未征得制造厂同意,不得超出规定的交流分量有效值的10%。通流时间不应小于0.3s。
d.如因设备条件的限制,允许延长热稳定的通流持续时间进行试验,但最长不得超过5s。其试验参数I2t的值不应小于额定值I2ntn,但不得超出额定值的20%。
17.2 动、热稳定试验,原则上应联合进行。
17.3 试验后要求:
a.在试验过程中和试验后,隔离开关的触头不得分开,也不得熔焊。试验之后,隔离开关应能继续正常操作和长期承担额定工作电流。
b.对接地开关进行试验时触头不得分离,不致熔断,但允许轻微的熔焊。
c.试验报告的内容应包含第18条注中的各项目。
18 接地开关的额定短路关合能力试验
接地开关额定短路关合能力试验的短路关合电流取值,等于额定动稳定电流,以第一个半波的最大值表示。关合前施加的电压为接地开关的最高电压。试验时以额定操作电压(或压力)进行两次合闸操作,两次合闸操作之间的时间间隔为3min。试验后,接地开关不得过度的损坏,只允许触头有轻微的熔焊。试验过程中由接地开关所产生的逸出物不得影响其绝缘和操 作者的人身安全。
注:在本项试验报告的内容中应包含能表征下列特性的示波图:每相电流,
闸刀行程,闸刀断口电压,操动机构合闸线圈的电流。
19 破冰试验
19.1 隔离开关的破冰试验应在装配完好的产品上进行。如果三相共用一个操动机构,应进行三相试验;如系单相操动机构,允许进行单相试验。
19.2 结冰前,应清除产品外表上的油污、灰尘和润滑剂,其结冰厚度应满足技术条件的要求。
19.3 在试品的上方与垂直线成45°角的范围内喷雾,喷雾的水温约在0.5~3℃之间,使产品表面上能均匀地结成规定厚度的冰层。结冰时,环境温度保持在-3℃以下。结冰完成后,应保持3h以上方可开始破冰试验。
破冰试验之后,隔离开关应能继续进行正常的分、合操作,有关操作方式和试验次数,由产品技术条件确定。
20 防雨试验
对户外隔离开关的操动机构(箱)进行防雨试验时,从试品的四个方面以45°角连续降雨24h,雨量为3~10mm/min。试后,操动机构(箱)的内部不应有带水的痕迹,且绝缘性能应符合技术条件的规定 。
21 开、合小电流及感应电流和母线转移电流的试验
对隔离开关应进行开、合小电流能力的试验,包括感性小电流和容性小电流的试验,其数值和判据正在考虑中。
对GIS中的接地开关应进行开、合感应电流的试验,其开、合电压、电流值,次数,开断关合速度和烧损判据正在考虑中。
隔离开关进行开、合母线转移电流的试验条件。
对一般隔离开关的开断电流为0.8In(In为产品的额定电流),开合次数100次,开合电压为:
10kV级产品——50V;
35~110kV级产品——100V ;
220kV及以上产品——300、400V。
开、合过程中的燃弧时间不限,但不能危及相间绝缘和操作人员的安全,试后产品仍应能正常运行,不需要检修。
对GIS中的隔离开关的要求为:开、合电压为一般隔离开关的13,电流仍为0.8I,但开、合次数为300次。
22 电晕和无线电干扰试验
对额定电压为110kV及以上的产品应进行分、合位置下的无线电干扰试验。当试品处在1.1倍最高相电压幅值时,测得的干扰电平不得超过500μV。产品在最高电压下,于晴天夜晚应无可见电晕(在分、合位置下)。
23 抗弯、抗扭试验
23.1 隔离开关的支持柱绝缘子和转动柱绝缘子均应按相应的电瓷绝缘子标准进行型式试验、例行试验和抽查试验。
23.2 对隔离开关应进行整体的抗弯强度试验,安全系数不得小于3.5。
23.3 隔离开关应经受抗弯破坏强度试验,并给出试验数据。
23.4 隔离开关的整体抗扭试验要求另定。
24 密封性试验
对气动和液压操动机构应进行密封性试验。对被试品充压到最高压力后,关闭流体源,放置规定时间,并分别在分、合闸状态下测量压力降(压力数值应按周围空气温度折算)或漏液、漏气量,它们均应符合产品技术条件的规定 (特别要提出低温、环境温度骤变,以及昼夜日温差不利影响下的泄漏数据)。所说的放置规定时间是指不利的环境条件下连续若干小时的泄漏量。
25 其它试验
有关防锈、防腐、防地震、防潮、防热、防寒、防尘和极限温度下操作试验的导则另定。在未制定出统一的细则之前,制造厂对此均应有所考虑,暂按产品技术条件进行试验。
26 出厂试验
出厂试验包括例行试验和抽查试验。例行试验是在每台出厂产品上进行的试验项目;抽查试验是从批量产品中抽出一部分进行试验的项目。
26.1 例行试验
26.1.1 产品出厂前须经制造厂质量检验部门按本节要求检查合格后才能出厂。每组(相)产品应附有质量合格的证明文件。
26.1.2 出厂的产品均应在厂中组装完好后进行外观检查再拆卸装箱出厂,组装后的测试项目由产品技术文件规定,测试数据应包括在出厂文件中。
26.1.3 对出厂的每组 (台)(批)产品应进行以下项目的试验。
a.控制回路与辅助回路的耐压试验 ,电压为2kV,时间为1min。
b.测量主回路的电阻,其值应符合技术条件的规定 。
c.外观检查,按产品技术条件要求进行。
d.机械操作试验,在额定电(液、气)压下进行30次分、合闸试验;在最高和最低电(液、气)压下各进行10次分、合闸试验。试验时的要求,与第14.2条中的有关规定相同。如系手力式,应连续进行50次分、合试验。
对动力式隔离开关和接地开关应手动分、合各3次。
26.1.4 主回路工频干耐压试验,按第4.2条的要求进行。试验时不得闪络。
26.2 抽查试验
一般地,从批量产品中至少抽出5%的产品(但不得少于1组)进行本项试验。试验项目除上述例行试验项目外,尚应包括下列各项:
a.对330kV及以上的产品应进行操作冲击耐压试验。
b.瓷瓶的抗弯和抗扭试验(整柱):试验必须整组进行,抗弯试验应从四个相互垂直的方向分别进行;抗扭试验应分别按顺时针和逆时针两个方向进行。
第六篇 标志、包装、运输与保管
27 标志
27.1 出厂的每组(相)隔离开关本体或单独制造的接地闸刀(接地器)上应有铭牌,其上应标明:
a.制造厂名称。
b.隔离开关型号、名称。
c.额定电压。
d.额定电流。
e.额定热稳定电流。
f.额定短路关合电流(仅对具有额定短路关合能力的接地开关而言)。
g.重量。
h.出厂年、月和编号。
27.2 出厂的每台操动机构上应有铭牌,其上应标明:
a.制造厂名称。
b.操动机构型号、名称。
c.额定电(气或液)压及电流性质(直流或交流)。
d.重量。
e.制造年、月和编号。
27.3 操动机构中的线圈上应有铭牌,铭牌上应标明:
a.额定电压及电流性质(直流或交流)。
b.导线牌号及规格。
c.匝数。
d.温度为20℃时的电阻值。
27.4 所有铭牌应由不易受自然环境侵蚀的材料制成,其字样、符号应清晰耐久。
28 包装、运输、保管与备品
28.1 各种包装应能确保各零部件在运输过程中不致遭到损坏、丢失、变形、受潮和腐蚀。
28.2 包装箱上应有在运输、保管过程中必须注意事项的明显标志和符号(如上部位置、防潮、防雨、防振、起吊部位指示等)。
28.3 整体产品或分别运输的部件都要适合运输及装载的要求。
28.4 隔离开关应装配完整后包装。如因运输困难,允许拆散包装。在隔离开关本体上应有明显的吊装位置指示。
28.5 出厂的每组(相)隔离开关的本体和每台操动机构应附有产品合格证书、装箱单和安装使用说明书,以及出厂试验测试数据。
在产品说明书中厂家应提供可能的安装方式、相间中心距离、相对地距离、断口距离等。
操动机构部分的说明书可包括在隔离开关本体的说明书内。
28.6 隔离开关的触头接触片应有一定数量的备品随同产品发运。
附 录 A
名 词 解 释
A1 隔离开关
在主闸刀处于正常分闸位置时,有符合安全要求的可见的绝缘距离的开关。
注:它一般无灭弧装置,但有时可能用于分、合很小的电容电流或电感电流,或相当大的环流。
A2 快分隔离开关
分闸时间等于或小于0.5s的隔离开关。
A3 额定电压
隔离开关正常工作线电压的有效值。
A4 最高电压
隔离开关可以长期使用的最高工作电压有效值。
A5 额定电流
隔离开关在规定条件下可以长期通过的工作电流有效值。
A6 额定动稳定电流
在规定条件下,隔离开关的主闸刀或接地闸刀在合闸位置所能经受的电流峰值。它主要反映隔离开关承受短路电动力作用的能力。
A7 额定热稳定电流
在规定条件及额定热稳定电流持续时间内隔离开关的主闸刀或接地闸刀在合闸位置所能承载的电流有效值,主要反映隔离开关承受短路电流热效应的能力。
A8 断口距离
隔离开关的主闸刀在正常分闸位置时,同相两极触头之间的最短距离。
对多断口隔离开关而言,是指全部断口最短绝缘距离之和。
A9 接线端机械负荷
考虑母线的自重、张力、风力、覆冰和雪施加于隔离开关接线端的最大拉力。
A10 合闸不同期性
系指两相或多相隔离开关的主闸刀不同时接触时的差异(以距离表示)。
A11 接地开关
释放被检修设备和回路的静电荷以及为保证停电检修时检修人员人身安全的一种机械接地装置。它可以在异常情况下(例如短路)耐受一定时间的电流,但在正常情况下不通过负载电流。在本标准中,它通常是隔离开关的一部分。
A12 最高环境温度
推荐取10~30年内每年最热日最高温度的平均值。
A13 最低环境温度
推荐取10~30年内每年最冷日最低温度的平均值。
A14 全动态法(计算地震应力)
连同隔离开关上的引线一起进行动态试验或计算的方法。
A15 动态法(计算地震应力 )
不考虑隔离开关上的引线进行动态试验或计算的方法。
_________________________
附加说明:
本标准由能源部高压开关设备标准化技术委员会提出。
本标准由能源部电力科学研究院高压开关研究所负责起草。
主要起草人:曹荣江、顾霓鸿。