中华人民共和国电力行业标准
高压并联电容器单台保护用熔断器 DL 442-91
订货技术条件
中华人民共和国能源部1991-09-20发布 1992-05-01实施
1 总则
1.1 范围
本标准适用于频率50Hz的高压并联电容器的单台外部保护用熔断器(以下简称熔断器)。
1.2 名词术语
1.2.1 熔断器
当通过电流超过规定值足够长时间时,其熔体熔断并使回路断开的设备。
1.2.2 熔体
熔断器动作时预定熔化的导电体。
1.2.3 熔丝
包括熔体的一种部件,在熔断器动作以后和熔断器恢复使用以前要求更换的部件。
1.2.4 管体
放置熔丝的管状物。
1.2.5 指示装置
用来指示熔断器动作与否的一种装置。
1.2.6 同型号熔断器
具有相同的结构、尺寸和材料,用于同一额定电压和开断容量,包含了一定范围内的不同额定电流的熔丝,这些熔丝仅在熔体的尺寸上有所不同,这样的熔断器称为同型号熔断器。
1.2.7 熔断器的额定电压(Unf)
熔断器的正常工作电压(有效值),其值应与被保护的单台电容器额定电压相一致。
1.2.8 熔断器的最高电压(Unf)
熔断器可以长期使用的最高电压(有效值)。
1.2.9 熔丝的额定电流(Inf)
熔丝组装成熔断器后可以长期使用的工作电流(有效值)。
1.2.10 熔断器的额定电流
熔断器可长期使用的工作电流(有效值),其值应不低于该型号中最大规格的熔丝的额定电流。
1.2.11 电容器元件
由电介质和电极所构成的电容器的最小单元部件。
1.2.12 单台电容器
将电容器元件装于单个外壳中,有引出端子的组装体。
1.2.13 电容器组
电气上连接在一起的一组单台电容器。
1.2.14 电容器
当不必特别强调“单台电容器”或“电容器组”时的用语。
1.2.15 电容器的耐受爆破能量
电容器内部发生极间或极对外壳内部击穿时,不引起电容器外壳及套管破裂的最大能量。
1.2.16 电容器外壳的10%破坏几率曲线
在电容器内部电弧作用下,用电流与时间关系来表示的电容器箱壳有10%的几率发生破坏或漏油的曲线。
1.2.17 时间—电流特性
在给定的条件下,通过熔断器的电流与熔断器动作时间的函数关系曲线。
1.2.18 预期电流
试验中,以阻抗与回路阻抗相比可忽略的导体代替熔断器时,回路中流过的电流(对称有效值)。
1.2.19 弧前时间(熔体熔化时间)
从熔丝中开始流过使熔体熔化的电流的瞬间起,到熔丝熔断电弧起燃瞬间止的时间间隔。
1.2.20 燃弧时间
从熔丝熔断起弧瞬间起到电弧最后熄灭瞬间止的时间间隔。
1.2.21 动作时间
弧前时间与燃弧时间的总和。
1.2.22 焦耳积分I2t
在特定的时间范围内,流过熔断器的电流瞬时值的平方对时间的积分值。
注:①该积分值是一特定的量,它是将熔断器动作过程归化到在1Ω电阻上,以热的形式释放出的能量,以便于分析熔断器在回路中的保护性能。
②通常将熔丝规定的焦耳积分值分别在弧前时间与动作时间两个时间间隔展开弧前焦耳积分和动作焦耳积分。
1.2.23 有效时间
焦耳积分值除以预期电流值的平方。
注:对熔丝相应规定弧前时间、动作时间。
1.2.24 容性开断电流
在规定条件下,在单台电容器或电容器组的电路中的开断电流。
1.2.25 额定容性开断电流
在规定条件下,熔断器能开断的最大容性开断电流。它是指在最高电压下,单台电容器发生端子间完全击穿时,流过熔断器的容性工频电流。
1.2.26 最小容性开断电流
在规定条件下,熔断器能开断的最小容性开断电流。它一般是指在最高电压下,单台电容器内部发生部分元件击穿时,流过熔断器的容性工频电流。
1.2.27 感性开断电流
在规定条件下,熔断器能开断的系统短路电流。
1.2.28 额定感性开断电流
在规定条件下,熔断器能开断的最大感性电流。它是指在最高电压下,单台电容器发生端子间完全击穿时,流过熔断器的系统短路(工频)电流。
1.2.29 瞬态恢复电压
熔断器开断了回路之后,在熔断器两端子间出现的具有显著瞬变特性的电压。它由工频分量和非工频分量(振荡的和非振荡的)叠加而成。
1.2.30 工频恢复电压
熔断器开断了回路之后,在熔断器两端子间出现的工频交流电压(有效值)。
1.2.31 重击穿
熔断器开断回路时,通过熔丝的电流过零熄弧,再经过5ms后熔断器两端子间重新击穿,导致回路重新接通的现象。
1.2.32 耐爆能量
开断来自与故障电容器并联的电容器的放电能量,而不致使管体破坏的最大值。
1.3 运行环境条件
1.3.1 环境温度:-40~+50℃。
1.3.2 海拔高度:一般不超过1000m。
注:熔断器用于海拔高度超过1000m的地区时,应分别考虑以下两个方面的问题:
①电压:对耐压试验及开断试验中的电压要求,应按标准要求数值乘以表1第(2)栏给出的修正系数来确定;或选择合适的较高额定电压的熔断器,此时所选定的额定电压乘以表1第(3)栏给出的修正系数,应不低于所保护的并联电容器的额定电压。
海拔高度为1000~1500m及1500~3000m之间者可用线性插值法获得修正系数。
②电流:对用于海拔高度在1000m以上地区的熔断器,应对本标准规定的额定电流或温升进行修正。修正系数分别列于表2的第(2)栏和第(3)栏。
海拔高度为1000~1500m及1500~3000m之间者,可用线性插值法获得修正系数。
表1
|
海拔高度 最大值(m) |
试验电压 修正系数 |
额定电压 修正系数 |
|
(1) |
(2) |
(3) |
|
1000 |
1.00 |
1.00 |
|
1500 |
1.05 |
0.95 |
|
3000 |
1.25 |
0.80 |
表2
|
海拔高度 最大值(m) |
额定电流 修正系数 |
温升 修正系数 |
|
(1) |
(2) |
(3) |
|
1000 |
1.00 |
1.00 |
|
1500 |
0.99 |
0.98 |
|
3000 |
0.96 |
0.92 |
1.3.3 周围环境空气没有被灰尘、烟、腐蚀性或可燃性气体、蒸汽或盐严重(或异常)污染。可装于户内或户外。
1.3.4 对户内装置,只出现正常的凝露。
1.3.5 对户外装置,风速不超过35m/s。
2 技术条件和性能要求
2.1 标志和标准额定值
2.1.1 铭牌和标志
熔断器和熔丝应标明下列内容。
2.1.1.1 熔断器上应标明:
a.型号;
b.额定电压;
c.额定电流;
d.出厂时间;
e.制造厂家名称或标记。
2.1.1.2 熔丝上应标明:
熔丝的额定电流。
2.1.2 标准额定值
熔断器的额定值应优先选取表3所示的数值。
表3
|
额定电压 (kV) |
最高电压 (kV) |
额定电流 (A) |
耐爆能量 (kJ) |
额定容性开断电流 (A) |
额定感性开断电流 (kA) |
|
7、12、20 |
7.7、13、22 |
20、25、31.5、40、50、63、80、100、125、160 |
不小于4、8、12 |
熔丝的额定电流的20倍及50倍 |
3.15、6.3 |
注:①如需要选用其它值时由用户与制造厂协商确定。
②额定容性开断电流按同型号中最大规格的熔丝额定电流的20倍及50倍确定。对于某些用于保护单台容量大的电容器的熔断器,考虑到并联台数受到电容器的耐受爆破能量的限制,可按实际情况选用小于此倍数的数值。
2.2 性能要求
2.2.1 防腐蚀、防潮
熔断器的所有外露金属件应有可靠的防腐蚀层,其表面应光洁。其绝缘材料件应有可靠的防潮措施。
2.2.2 指示装置
熔断器应有明显的熔断指示,应反应灵敏,动作可靠。
2.2.3 尺寸
熔断器的尺寸应符合制造厂图样要求。
2.2.4 电阻
熔断器的电阻值应符合制造厂的规定,其偏差值应不超过±2.5%。
2.2.5 耐压要求
熔丝熔断后,熔断器应能承受表4规定的试验电压,历时1min,不得发生闪络或击穿。户外型熔断器应进行湿试验。
表4
|
熔断器额定电压 |
7 |
12 |
20 |
|
试验电压 |
42 42 |
42 42 |
70 70 |
2.2.6 允许温升
熔断器长期通过额定电流时,温升不得超过表5所规定的值。
表5
|
熔 断 器 各 部 分 的 名 称 |
最大允许发热温度 (℃) |
允 许 温 升 (K) |
|
|
户内式 |
户外式 |
||
|
与绝缘材料接触的金属部分,以及由绝缘材料制成的零件,当绝缘材料等级为: |
|
|
|
|
Y A E、B、F |
85 100 110 |
45 60 70 |
45 50 60 |
|
接触连接: |
|
|
|
|
a.铜或铝(包括紫铜带)无镀层 b.铜或铝镀(搪)锡 c.铜镀银 d.铜镀银厚度大于50μm或镶银片 |
80 90 105 (120) |
40 50 65 (80) |
30 40 55 (70) |
|
起弹簧作用的金属零件 |
最大允许温度应以不损害材料的弹性为限 |
||
注:①括号内的数值,为推荐使用值。
②对于弹簧的最大允许温度值,可参考GB1239《普通圆柱螺旋弹簧》的附录表1中的推荐使用温度上限。
2.2.7 开断要求
熔断器应能按本标准规定条件可靠隔离故障电容器,而不影响网络及其它电容器的正常运行。
熔断器应能开断流过与其串联的故障电容器的容性电流。
注:本条及2.2.11条仅适用于使用不重击穿的断路器来开合电容器组的情况。
2.2.7.1
合闸过程中,电容器端子间的过电压上限值是
,动作后,熔断器应能承受这一电压。
注:Unc 为电容器的额定电压。
2.2.7.2 应能在Umf下开断规定的容性电流,随后应能承受这个电压加上熔断器动作后电容器上的剩余电荷所造成的直流电压分量。
在开断过程中,断口间不得出现重击穿。
2.2.7.3 对用于装设在配电线路上没有串联节段的三角形接线的电容器的熔断器,还应能在Umf下开断规定的感性电流,随后应能承受加在它两端的恢复电压。
2.2.8 承受要求
2.2.8.1 电压要求:
熔断器的额定电压Umf不得低于被保护的电容器的额定电压Unc。
熔断器的最高电压Umf为1.1Unf 。
2.2.8.2 电流要求:
熔断器熔丝的额定电流Inf 不小于电容器额定电流Inc 的1.43倍。
2.2.9 熔断特性
熔丝应具有表6规定的基本熔断特性。
2.2.10 时间—电流特性(安—秒特性)
表6
|
熔丝额定电流倍数 |
1.1 |
1.5 |
2.0 |
|
熔 断 时 间 |
4h不熔断 |
≤75s |
≤7.5s |
熔断器熔丝应具有稳定可靠的时间—电流特性曲线。曲线使用1g-1g对数坐标纸表示,由制造厂随产品同时提供给用户。
时间—电流特性曲线应包括0.01~600s的时间范围及其对应的动作电流,及0.1~600s时间范围内动作时间的分散性。
动作时间的分散性推荐值为:1.3Inf 时,动作时间的偏差不超过±60%。
时间—电流特性曲线(包括其偏差)应满足表6规定的要求,并且必须置于被保护的电容器外壳的10%破坏几率曲线的下方。
制造厂应规定时间—电流特性曲线的适用温度,一般为20±5℃。
注:目前国内各电容器厂家均未提供电容器的外壳破坏几率曲线,建议先按机械部部标准JB3840《并联电容器单台保护用高压熔断器》推荐的曲线进行选配(见附图C1、C2)。
2.2.11 放电性能
2.2.11.1 抗涌流性能
熔断器应能承受第一个半波幅值不低于熔丝额定电流100倍的涌流冲击。
2.2.11.2 耐爆性能
熔断器应能耐受并开断来自并联的电容器的放电能量,其值应不低于被保护电容器的耐受爆破能量。
2.2.12 机械性能
熔丝与管体的连接,以及熔丝中熔体和它的接头等,应确保在弹簧的正常拉力下无脱开、松动及变形等现象出现。
2.2.13 电气寿命(耐久性能)
在只更换熔丝的情况下,同一管体应能连续三次开断额定容性或感性开断电流。
3 试验方法
3.1 基本试验条件
被试验的熔断器应是新的、干净的并处于良好状态。
被试验的熔断器应根据实际使用的情况,按设计要求进行安装。
3.2 外观及外部尺寸
外观检查用观察法进行。
外部尺寸检查用游标卡尺进行。
3.3 电阻测量
电阻测量在20±5℃的周围空气温度下用直流双臂电桥测量。
经温升试验、抗涌流试验的熔断器需测量电阻时,应充分冷却后再进行测量。
3.4 温升试验
对同型号熔断器选用最大额定电流值的熔丝进行试验。
试验应在该熔丝的额定电流下进行。
温升试验按GB763《交流高压电器在长期工作时的发热》的有关规定进行。
3.5 熔断特性试验
熔断特性试验在20±5℃的周围空气温度下以任何合适的电压进行,试验回路应能调整得使通过熔断器的电流基本上保持恒定值。
设备安装应与温升试验时相同。
试验中通过熔断器的电流及时间,可用任何适当的方法进行测量。
3.6 开断试验
3.6.1 容性开断电流试验
对同型号的熔断器选用具有最大额定电流值的熔丝进行试验。
3.6.1.1 容性开断电流试验项目
a.验证额定容性开断能力;
b.验证小容性电流下的动作。
其试验参数列于表7。
表7
|
参 数 |
试 验 项 目 |
|
|
项 目 a |
项 目 b |
|
|
工频恢复电压 |
|
|
|
功率因数(超前) |
≤0.15 |
|
|
预期电流 |
额定容性开断电流 |
1.5Inf |
|
电压过零后的接通角 |
0~20° |
— |
|
试验台数 |
3 |
2 |
|
同一管体试验次数 |
3 |
3 |
3.6.1.2 试验电路
试验用单相交流电源并以单个熔断器进行,其接线见图1、图2。

图1
US—电源电压;UBR—恢复电压;CT—产生试验电流的电容器;
CP—相当于与故障电容器并联的电容器,不小于300kvar

图2
US—电源电压;UBR—恢复电压;CT—产生试验电流的电容器;
CP—相当于与故障电容器并联的电容器,不小于300kvar
熔断器开断引起的电源电压变化不得超过10%,要开断的电流波形应尽可能接近正弦波:总电流与基波电流的有效值之比不超过1.2。
要开断的电流过零每半周内应不超过一次。
试验也可以在满足上述要求及表7所示参数条件的三相试验电路上进行。
注:图1接线对应表7中项目a,图2接线对应表7中项目b。
3.6.1.3 试品布置
被试熔断器应按其在电容器组中的布置方式安装,其两侧应各置一台通电的熔断器,以确定被试熔断器动作时不致因喷气或缩小间隙而引起闪络,这闪络可能引起邻近熔断器的误动作。
3.6.1.4 试验步骤
a.试验回路的校正:
应以阻抗与试验回路的阻抗相比可以忽略的导体代替被试熔断器,对试验回路进行调整,使其得到规定的预期电流和工频恢复电压,并用示波图来验证。
b.试验操作:
取走连接导体,将被试熔断器接入试验回路。
按表7规定的条件,操作断路器DL。在熔断器动作后,电压应在熔断器的两端保持1s。
被试熔断器的动作时间测量参见第3.9条。
3.6.1.5 试验判据
a.示波图。
对于表7中项目a,示波图应包括被试熔断器动作前后的全过程,即断路器DL合闸前至熔断器开断后1s。
对于表7中项目b,示波图应包括被试熔断器开断前若干周波至开断后1s止。
b.判据。
开断试验中,熔断器不应发生重击穿和闪络。开断后,除了熔丝外,允许管体内壁有烧蚀,其它部分应无异常。指示装置应可靠动作,指示明确。
3.6.2 感性开断电流试验
对同型号的熔断器选用具有最大和最小额定电流值的熔丝进行试验。
3.6.2.1 感性开断电流试验项目
a.验证额定感性电流的开断能力;
b.验证在0.7~0.8倍额定感性开断电流的故障电流范围内的开断能力;
c.验证在0.2~0.3倍额定感性开断电流的故障电流范围内的开断能力。
试验参数见表8。
表8
|
参 数 |
试 验 项 目 |
|||||
|
a |
b |
c |
||||
|
工频恢复电压 |
|
|||||
|
固有振荡频率1) |
见 表 9 |
|||||
|
振幅系数2) |
1.3~1.4 |
|||||
|
预期电流 |
|
0.7~0.8倍额定感性 开断电流 |
0.2~0.3倍额定感性 开断电流 |
|||
|
功率因数 |
≤0.15 |
|||||
|
电压过零点的接通角 |
第一次试验:-5°~+15° 第二次试验:85°~105° 第三次试验:135°~150° |
第一次试验:-5°~+15° 第二次试验:85°~105°
|
全部试验:85°~105° |
|||
|
熔丝额定电流Inf |
最小值 |
最大值 |
最小值 |
最大值 |
最小值 |
最大值 |
|
试验次数 |
3 |
3 |
2 |
2 |
1 |
1 |
|
同一管体试验次数 |
3 |
3 |
4 |
2 |
||
注:1)固有振荡频率:恢复电压从零上升到峰值所需要的时间tm的倒数,再被2除。
2)振幅系数是瞬时恢复电压的峰值与其工频恢复电压幅值之比。
表9
|
熔断器额定电压(kV) |
7 |
12 |
|
固有振荡频率(kHz) |
3.8 |
2.8 |
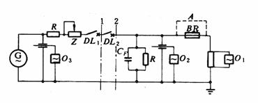
3.6.2.2 试验电路
试验用单相交流电源进行,其电路接线见图3。
用来调节电流和功率因数的电路元件应是串联在回路中的,如图3所示。
3.6.2.3 试品布置

图3
A—校准试验用可卸连接导体;BR—被试熔断器;DL1—电源保护断路器;
DL2—合闸断路器;CF—电源瞬态恢复电压控制器;O1—电流测量器;
O2—恢 复电压测量器;O3—参考电压测量器;1、2—变压器的位置
(需要时);Z—电 源边的可调阻抗同容性开断电流试验。
3.6.2.4 试验步骤
根据容性开断电流试验所规定的步骤,按表8要求进行。
开断后,试验电压应在熔断器两端保持0.5s。
3.6.2.5 试验判据
a.示波图:
示波图应包括被试熔断器动作前后的全过程,即从断路器DL2合闸前的几个周波至熔断器开断后0.5s。
预期开断电流应为熔断器开断过程中对应于起弧瞬间所测得的对称电流有效值。
工频恢复电压值应在瞬态恢复电压消失后的第二个半波峰值和由前半波峰值与后半波峰值划出的直线之间测量得到,如图4所示。

图4
![]()
b.判据:
开断试验中,熔断器不应发生闪络。开断后,除了熔丝外,允许管体内壁有烧蚀,用以固定熔丝的零件并允许略有损伤,但不妨碍熔丝更换,不致降低熔断器开断能力或改变其动作性能或增加其正常工作时温升,其他部分应基本上与试验初始状态相同。指示装置应可靠动作指示明确。
试验中,如有某一额定电流的熔丝在一项或几次试验中未能正常动作,则应将该额定电流值的熔丝从同型号熔断器中剔除,新组合成的同型号熔断器仍按表8要求进行试验并应全部正常动作,此时,可认为新组合的同型号熔断器全部符合本项试验的规定。
3.7 放电试验
放电试验包括抗涌流试验及耐爆试验。
每项试验应不少于6次。
3.7.1 抗涌流试验(耐受放电试验)
对同型号的熔断器,应在具有最大和最小的额定电流值的熔丝上进行试验。试验包括两个项目。
a.对同一支熔丝,在10min内放电5次,其放电频率见表10。
表10
|
Unf (kV) |
7 |
12 |
20 |
按Umf(kV)计算式 |
|
|
放电振荡频率 (kHz) |
Inf≤31.5A时 |
9.2~11.1 |
15.6~18.7 |
26.4~31.7 |
1.2Umf+20%/0 |
|
Inf>31.5A时 |
6.2~7.4 |
10.4~12.5 |
17.6~21.1 |
0.8Umf+20%/0 |
|
b.对同一支熔丝,在制造厂规定的时间间隔内放电100次,其放电频率为8kHz+20%0。
放电电流的第一半波峰值应不低于熔丝额定电流的100倍。其相邻峰值之比应为0.8~0.95。这一试验之后,熔丝应仍是导通的。
3.7.2 耐爆试验(开断放电试验)
对同一型号的熔断器,试验应在具有最小额定电流值的熔丝上进行。
试验所用的电容器,其电容量应能使其储存能量在充电电压达![]()
时满足规定的耐爆能量值。电容器对熔断器放电的振荡频率同表10规定。放电电流的相邻峰值之比应为0.8~0.85。
试验应在全新的熔断器上进行。
熔断器动作时,不得爆炸。除每次动作后必须更换的部件及管体内壁烧蚀外,其余各部分应无异常。指示装置应可靠动作并明确指示。
3.7.3 放电试验
放电试验应先以阻抗与试验回路阻抗相比可以忽略的导体代替被试熔断器,对回路进行校验调整,并以示波图进行验证。
试验后,即按第3.8条进行耐压试验。
3.8 耐压试验
根据第2.2.5条的要求,按GB311《高压输变电设备的绝缘配合高压试验技术》的有关规定方法进行。
对放电试验后熔断器断开的空气间隙距离大于表11所列数值者,可不进行耐压试验。
表11
|
熔断器额定电压(kV) |
7 |
12 |
20 |
|
最小空气间隙距离(mm) |
200 |
200 |
325 |
3.9 时间—电流特性试验
试验应在20±5℃的周围空气温度下,以任何合适的电压进行。
每一条曲线的试验点不少于6个,且应尽量均匀分布。每个试验点的试验熔丝数应能保证特性曲线的分散性的确定。
试验回路应保证通过熔断器的电流基本恒定。电流可取初始和起弧瞬间电流的算术平均值。
通过熔断器的电流可用电流表(0.5级)或示波器来测量。
动作时间的测量:1s以下用示波器,1s以上用电秒表,更长时间可用秒表来测量。
特性曲线应以有效时间表示。用示波器测量时,在长于0.1s的范围内即为实际时间。
可以利用开断试验中得到的时间—电流特性数据。
3.10 机械性能试验
3.10.1 弹簧性能检测
按GB1239《普通圆柱螺旋弹簧》所规定的试验方法检测弹簧在正常工作位置的拉力,其数值应符合制造厂的产品设计要求。拉力的偏差在考虑了安装位置的偏差后应不大于±15%。
3.10.2 熔断器的机械强度试验
在熔断器的尾部沿尾线拉出方向加2.5倍正常工作静拉力的负荷,5min不断。
试验后,复测其电阻值,应无明显变化。
4 试验规则
4.1 试验分类
熔断器的试验分出厂试验、型式试验和交接验收试验。
4.1.1 出厂试验
出厂试验项目如下:
a.外观及外部尺寸检查(每只进行);
b.机械性能试验(每只进行);
c.测量电阻值(每只在机械性能试验前后各进行一次);
d.熔断特性试验(在同一熔丝额定电流的产品批量中,按计量型检验方法逐点抽检)。
4.1.2 型式试验
型式试验的试品必须为出厂试验合格品。试品数量除标准中有规定者外,每项每种不得少于3只。正常情况下每3年进行一次。
型式试验项目如下:
a.温升试验;
b.开断试验;
c.放电试验;
d.耐压试验;
e.时间—电流特性试验。
4.1.3 交接验收试验
交接验收试验由用户主持进行,项目如下:
a.外观及外部尺寸检查(每只进行);
b.测量电阻值(每只进行);
c.其它项目及试品数量由用户与制造厂商定,并由用户按要求抽样。
4.2 判断规则
4.2.1 每只进行的试验项目,按规定剔除不合格品。
4.2.2 熔断特性试验根据基本熔断特性规定的要求,按制造厂与用户商定的生产方风险度α和使用方风险度β以及制造厂提供的分散性参数,确定单侧计量抽检方案,在抽样数n试品中若有一个超过方案限值时,则该批产品均判为不合格品。
对正常生产的批量检验,宜以给定的时间—电流特性数据为标准,检验其特性是否合格。此时应按双侧计量抽检方法进行。
对时间—电流特性曲线的核对验证试验同样按上述要求进行。
对开断试验中得到的时间—电流数据应按时间—电流特性试验同样方法处理。
4.2.3 耐爆试验中,若有一次不合格,则整批产品均判为不合格品。
4.2.4 其余各项试验中,如有一台不合格,则应追取加倍数量产品进行试验,若再有1台不合格者,则该批产品均判为不合格品。
附 录 A
熔丝额定电流的配置推荐值
(参考件)
A1 熔断器的熔丝额定电流应不低于被保护的并联电容器的额定电流值的1.43倍。一般推荐在1.43~1.55倍的范围内选取,对用于装设在配电线路上没有串联节段的三角形接线的电容器时,可选取较大的倍数,如1.65~2.0倍。
熔丝额定电流值的配置推荐值可从表A1中选取。
表A1
|
熔断器额定电压 (kV) |
电容器额定电压 (kV) |
熔 丝 额 定 电 流 配 置 值 |
|||||
|
25kvar |
50kvar |
100kvar |
200kvar |
300kvar |
334kvar |
||
|
7 |
3.15 |
12 |
24 |
47 |
95 |
140 |
160 |
|
|
10 |
20 |
40 |
80 |
120 |
130 |
|
|
6.3 |
6 |
12 |
24 |
47 |
70 |
80 |
|
|
|
6 |
12 |
24 |
47 |
70 |
80 |
|
|
|
— |
11 |
22 |
42 |
63 |
70 |
|
|
12 |
10.5 |
3.57 |
14 |
28 |
42 |
47 |
160 |
|
12 |
— |
6 |
12 |
25 |
37 |
42 |
|
|
11 |
3.5 (4)1) |
7 (8) |
14 (16) |
28 (30) |
42 (47) |
47 (50) |
|
|
20 |
19 |
— |
4 |
8 |
16 |
24 |
27 |
|
20 |
— |
— |
7.5 |
15 |
22 |
25 |
|
|
耐爆能量(kJ) |
≥4 |
≥8 |
≥12 |
||||
注:1)括号内数值表示用于三角形接线时的推荐值。
附 录 B
熔断特性及时间—电流特性抽样检验方法
(参考件)
B1 基本规定
B1.1 规格限
在熔断器通过某一电流时,其动作时间不能超越的上下限规定值。
在试验中,可按要求选取以下的规定值:
a.按基本熔断特性的规定值,在1.1Imf时的动作时间要求为下规格限,1.5Inf及2.0Inf时为上规格限。
b.按制造厂给出的时间—电流特性曲线中对应于某个电流的时间上下限值,此为双规格限。
B1.2 生产方风险度α
生产方风险度α对应于合格质量被误判拒受的概率。在抽检中,以此确定对应于规格限值的分位概率或可靠度。
对于双侧分布,上、下规格限值对应的可靠度分别为
对于单侧分布,其值为
下规格限时![]()
上规格限时![]()
一般取用α=0.01或α=0.05。
B1.3 使用方风险度β
使用方风险度β对应于质量处于极限时被误判接收的概率。1-β即为抽检方案的置信水平。
一般取用β=0.10。
如选用其他α及β值时,由制造厂与用户协商确定。
B1.4 特性分散性参数
熔断器的熔断特性分散性符合威布尔分布规律,也基本符合正态分布规律。
其分散性参数由制造厂在提供特性曲线时给出,也可以动作时间上下限值及其分位概率(或可靠度)推算得到。
对于按基本熔断特性的规定,在1.1Inf处的检验,可取威布尔分布形状参数m=4.5,即对应于下规格限4h时分散性为-65%。
在1.3 Inf 处,最大分散性的规定值为±60%,对应m=5.2。
B1.5 样本n的确定
一般先取n=5。
必须满足条件:n/N≤0.1(N为整批产品总数)。
B2 抽检方案的确定和实施
B2.1 规格限的选定
B2.1.1 按基本熔断特性规定时(单侧规格限),有:
a.
1.1Inf时,“4h”为下规格限tL,对应有
或RL=1-α,一般取RL=0.995;
b.
1.5Inf及2.0Inf时,“75s”及“7.5s”为上规格限tU,对应有
或RU=α,一般取RU=0.005。
B2.1.2 按时间—电流特性规定时,有:
a.对不超过2.0Inf的电流范围,应按双侧规格限进行抽检,由时间—电流特性给出对应于某一电流值时的上下规格限tU和tL,同样有
,一般取α=0.01;
b.对超过2.0Inf的电流范围,可按单侧规格限进行抽检,由时间—电流特性给出对应某一电流值时的上规格限tU
,对应有
,一般取RU=0.005。
B2.2 m值的选定
m值应由制造厂给定。
当制造厂不能提供此值时,可按下式估算
在检验时间—电流特性时,应同时验证1.3Inf时,m≥5.2,即偏差应在±60%之内。
B2.3 抽检方案的确定
B2.3.1 选定抽检样本n
a.根据批量N大小确定允许的最大样本nm
nm =0.1N
b.最小样本n=5,必须有n≤nm 。
B2.3.2 计算样本限值
a.下限值tLR(t) :
按样本数n与β计算tLR(t)时的可靠度RL(t)
再计算得
b.上限值tUR(t) :
按样本数n与β计算tUR(t) 时的可靠度tU(t)
再计算得
B2.3.3 抽检方案的组成
a.单侧规格限抽检:tLR(t)或tUR(t)与n。
其含意为:n个试品的测试数据(动作时间)均不超过tUR(t) (上规格限时)或均不低于tLR(t) (下规格限时),则整批产品合格。后者亦可是:到tLR(t)时均不熔断。
b.双侧规格限抽检:〔tLR(t),tUR(t)〕与n。
其含意为:n个试品的动作时间均落在区间〔
,tUR(t)〕以内,则整批产品合格。
B2.4 抽检方案的实施
a.确定抽检方案:
单侧规格限抽检:下规格限抽检;上规格限抽检。
双侧规格限抽检。
b.从N个产品中随机抽取n=5只试品。
c.按规定电流值进行试验,若全部满足样本(n=5)的限值时,整批产品合格。
d.若出现某一试品数据不合格时,按下列三种情况考虑。
第一种情况:下规格限抽检。实测得tR(t) <tLR(t) 时,则由此值计算得
若nR>nm,则整批不合格。
若nR≤nm,则从N个产品中再随机抽取(nR-n)个试品,由nR与tR(t)组成新方案,继续试验。若nR个试品测得动作时间均超过tR(t),则仍认为整批产品合格。
若再出现低于
的试品时,则仍可按上述原则处理。
第二种情况:上规格限抽检。实测得tR(t) >tUR(t) 时,则按式计算得
![]()
若nR>nm ,则整批为不合格。
若nR≤nm ,则根据上述原则继续按新方案进行检验。
第三种情况:双侧规格限抽检。实测得tR(t)>tUR(t) (或是<tLR(t)时,按上述算式计算得nR,nR>nm时,则拒收;nR≤nm时,则组成新方案[tLR(t),tR(t)]与nR,或是[tR(t),tUR(t)]与nR,继续进行检验。
e.若出现某一试品数据低于下规格限tL或高于上规格限tU时,则整批拒收。
B3 说明
对熔断特性及时间—电流特性的抽检在具体实施时,可统一安排,以免重复。
附 录 C
电容器外壳爆裂几率曲线
(参考件)
C1 25kvar和50kvar电容器外壳的爆裂几率曲线如图C1所示。100kvar电容器外壳的爆裂几率曲线如图C2所示。

图C1

图C2
_________________
附加说明:
本标准由能源部电力电容器标准化技术委员会提出,由浙江省电力试验研究所归口。
本标准由浙江省电力试验研究所负责起草。
本标准主要起草人:史 班、谢锡华、徐为纲、杨昌兴。