中华人民共和国行业标准
现场直流和交流耐压试验电压测量装置(系统)的使用导则 ZB F24 002-90
中华人民共和国能源部 1990-04-25批准 1990-10-01实施
1 目的和适用范围
《电气设备预防性试验规程》等有关标准和规程中规定某些电气设备绝缘在交接和大修后要进行耐压试验,由于现场试验条件不同于试验室内的条件,试验电压要受到一些因素的影响,这将直接影响耐压试验的结果。为了尽可能减小或避免现场条件引起的误差,以提高试验质量,特制定本导则。
本导则的适用范围:
a.现场直流耐压试验电压测量装置(系统);
b.现场交流耐压试验电压测量装置(系统);
c.避雷器的电导电流和工频放电电压试验时的电压测量装置。
2 现场直流耐压试验电压测量装置(系统)的使用导则
2.1 对直流试验电压测量装置(系统)的要求
现场直流耐压试验电压测量装置(系统)一般有高阻器与微安表串联的测量系统、电阻分压器与低压电压表的测量系统,以及高压静电电压表。测量用的高阻器和电阻分压器的高压臂电阻器的阻值,既要尽可能大,以减小测量装置的功率损耗,又要考虑高阻器阻值过大,可能带来的测量误差。高阻器的阻值应该是稳定的,一般按工作电流0.5~1mA,至少不小于200μA选择其电阻值。高阻器的绝缘套管最好不要分段,上端应有均压装置,下端应有屏蔽环。测量装置(系统)的测量误差应满足国家标准GB311.4—83中规定的要求,即直流试验电压平均值的测量误差不大于3%。
2.1.1 高阻器与微安表串联的测量系统
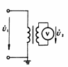
图1是高阻器与微安表串联的测量系统的原理接线图,由直流微安表的指示值Id得到被测的直流试验电压
(1)
式中 R——高阻器的电阻值。

图1 高阻器与微安表串联的测量系统的原理接线图

图2 电阻分压器与低压电压表测量系统的原理接线图
2.1.2 电阻分压器与低压电压表的测量系统
图2是电阻分压器与低压电压表的测量系统的原理接线图,图上的电压表可以是静电电压表,也可以是数字式电压表。由低压电压表V的指示值U2得到被测电压
(2)
式中 R1、R2——分别为电阻分压器的高压臂电阻和低压臂电阻,低压臂电阻R2中包含低压电压表的输入电阻。如果低压电压表是静电电压表或者是高输入电阻的数字式电压表,则其输入电阻的影响可以忽略。
2.1.3 高压静电电压表
高压静电电压表是测量交流电压和直流电压有效值的一种很方便的仪表,当被测直流电压的脉动因数满足国家标准GB311.4—83中的规定,即脉动因数不大于3%时,可以把静电电压表的指示值作为被测直流电压的平均值。在现场进行直流耐压试验时,高压静电电压表应在无风和无离子流的场所使用,使用前应检查高压静电电压表的各部件是否正常,绝缘支柱表面是否清洁干燥。
2.2 直流试验电压测量系统参数的校核
直流试验电压测量系统的参数应每年校验一次,校验用的测量系统或仪表的误差应不大于0.5%,并在赴现场使用前,应该用下列任一种方法进行校核。如果校核结果不满足要求,则应用误差不大于0.5%的系统或仪表再校验一次。
2.2.1 对比法
用误差不大于1%的直流电压测量系统,在全电压下,与待校核的测量系统对比,两测量系统参数之间的相对误差应不大于1%。
2.2.2 伏安特性法
用误差不大于1%的直流电压测量系统和直流电流表,在25%、50%、75%和100%的工作电压下测定电阻器的伏安特性,由伏安特性确定电阻值,与以往的校验数值比较,其阻值的变化值应不大于1%。如果电阻器的阻值呈非线性,则电阻分压器的分压比或高阻器的电阻值应采用与试验电压对应的数值。
2.2.3 电桥法
用误差不大于1%的电桥校核电阻器的电阻值,与以往的校验数值比较,其变化值应不大于1%。
2.3 误差的可能来源及其减小办法
2.3.1 电阻器参数变化引起的误差
直流试验电压测量系统的电阻器阻值的变化会引起测量误差,应保护电阻器表面干燥清洁。在电阻器的高压端不应发生电晕放电,在测量时,应注意直流微安表上的静电电荷可能引起的误差。
2.3.2 现场带电物体的电场引起的误差
当高阻器与直流微安表串联的测量系统的电阻元件暴露在空气中,并且靠近直流高压导线时,导线的离子流会引起测量误差。如果电阻元件装在绝缘套管里,可以减小或消除离子流引起的测量误差。带交流电压的导体的电场不会引起上述直流电压测量系统的电压平均值的测量误差。
当采用电阻分压器与有效值电压表的测量系统,并且靠近交流高压导体时,交流高压导体的电场会引起直流电压平均值的测量误差,用远离交流高压导体的办法减小或消除交流高压导体电场引起的测量误差的估算方法见附录A1。
3 现场交流耐压试验电压测量装置(系统)的使用导则
3.1 对交流试验电压测量装置(系统)的要求
国家标准GB311.3—83中规定:“交流试验电压值是指其峰值除以
。……试验电压的波形应接近正弦,两个半波完全一样,且峰值与方均根(有效)值之比应在
±0.07的范围内。”交流试验电压的测量装置(系统)一般有电容分压器、高压电压互感器、高压静电电压表、球隙以及高压电容与毫安表串联的测量系统等。交流试验电压测量装置(系统)的测量误差应满足国家标准GB311.4—83中的规定,即测量误差应不大于3%。
3.1.1 电容分压器与低压电压表的测量系统
图3是电容分压器与低压电压表组成的测量系统的原理接线图,图上C1和C2分别为电容分压器的高压臂电容和低压臂电容(包括测量电缆的电容);V为低压电压表。由低压电压表V的指示值U2和电容C1及C2得到被测电压
(3)
高压臂电容可以用携带型高压电容器、变压器的电容套管或电流互感器的末屏电容。如果用携带型高压电容器作为高压臂电容,则其电容值应不小于(30~40)HpF,H为高压电容器的高度,单位为m。

图3 电容分压器与低压电压表测量系统的原理接线图

图4 高压电容器与整流桥串联的测量系统的原理接线图
低压电压表可以用峰值电压表或有效值电压表,或同时接二种电压表,其等效输入阻抗应大于分压器低压臂容抗(1/ωC2)的一百倍。
当交流试验电压的波形满足要求时,可以把有效值电压表的指示值直接代入式(3),得到试验电压值。在某些特殊情况下,交流试验电压波形不满足要求,应该用峰值电压表,用其指示值乘以0.707后,代入式(3),得到试验电压值。
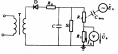
3.1.2 高压电容器与整流桥串联的测量系统
当交流试验电压为非正弦电压,但正负半波对称而仅含一个波峰,并且没有峰值电压表时,可以用图4的测量系统测量试验电压的峰值。由直流毫安表的指示值Id和高压电容值C得到交流试验电压
的峰值
(4)
式中 f——被测交流电压的频率,在读取直流毫安表的指示时,应同时读取被测电压的频率。
对高压电容器的要求与3.1.1中对电容分压器高压臂电容器的要求相同。
3.1.3 高压电压互感器与低压电压表的测量系统
图5是高压电压互感器与低压电压表的测量系统的原理接线图,由高压电压互感器的电压比K和低压电压表V的指示值U2得到被测电压U1
(5)
电压互感器的电压比K可以在试验室里校验或采用工厂提供的铭牌值。
如果高压试验变压器中有测量线圈,其电压比是经过校验的,也可以用来测量试验电压,但应注意被试品的电容和试验变压器的漏磁通及电源频率可能引起的测量误差。
3.1.4 高压静电电压表
在无风和无电晕的场合,可以用高压静电电压表直接测量交流试验电压,但在测量前应检查静电电压表的性能是否良好;试验时应保持绝缘支柱表面清洁干燥。
3.1.5 球隙
现场试验时,一般是用球隙作为保护装置的,原则上不推荐将球隙用于交流试验电压的测量。当需要用球隙测量试验电压时,应按国家标准GB311.5—83中的规定进行,并且应注意风和日照等因素对测量结果的影响。
3.1.6 高压电容与毫安表串联的测量系统
图6是高压电容与毫安表串联的测量系统的原理接线图,由电容C和毫安表的指示值I得到被测电压
(6)
式中 ω——被测电压的角频率。
在读取毫安表的指示值时,应同时读取被测电压的频率。
对高压电容器的要求与3.1.1中对高压臂电容器的要求相同。

图5 高压电压互感器与低压电压表的测量系统的原理接线图

图6 高压电容与毫安表串联的测量系统的原理接线图
3.2 交流试验电压波形的校核
当对交流试验电压波形有怀疑时,可用下列任一种方法进行校核。
3.2.1 用试验电压的峰值与有效值的比值的校核方法
在电容分压器(图3)低压臂电容C2上同时接低压峰值电压表和有效值电压表,同时读取指示值,计算比值,要求比值在2±0.07的范围内。
3.2.2 用谐波分析仪的校核方法
把谐波分析仪接在电容分压器的低压臂电容C2上,得到试验电压的各谐波分量的峰值和有效值,要求各谐波的有效值不大于基波有效值的5%。
3.2.3 用电容分压器与双线示波器的校核方法
双线示波器的Y轴的两对输入端中的一对接在电容分压器的低压臂电容C2上,另一对输入端接在标准正弦波电源(或接在交流电源)上,调节两输入电压的峰值,使两个电压波形基本重迭,比较两个电压波形,分析畸变程度。此法适用试验电压波形有明显畸变的场合。
3.3 交流试验电压测量系统参数的校核
现场交流耐压试验用的测量系统的参数应每年校验一次,校检用的测量系统或仪器的误差不应大于0.5%。在进行现场耐压试验前,应用下列的对应方法对试验电压测量系统的参数进行校核。如果校核结果不满足规定,则应用误差不大于0.5%的测量系统或仪器再校验一次。
3.3.1 电容分压器参数的校核
电容分压器的参数可用下列两种方法中的任一方法进行校核。
a.用误差不大于1%的电压测量系统与待校核的电容分压器对比,要求相对误差不大于1%。
b.用误差不大于1%的电容电桥分别校核分压器的高压臂电容和低压臂电容,与以往的校核值比较,其相对误差应不大于1%。
如果用现场的变压器的电容套管、断路器的均压电容或电流互感器的末屏作为电容分压器的高压臂电容,则应用误差不大于0.5%的电桥测定,并应设法消除连接导线和现场带电导体电场的影响(见附录A2)。
3.3.2 高压电容值的校核
高压电容与毫安表串联的测量系统以及高压电容与整流桥串联的测量系统中,其高压电容可以用误差不大于1%的电桥校核。应注意连接导线电场和带电导体电场的影响。
3.4 误差的可能来源及其减小办法
3.4.1 现场带电导体电场引起的误差
交流试验电压测量系统中的高压电容要受连接导线和带电导体电场的影响,用较低电压电桥测得的电容值与在试验电压下的电容值之间可能有差别,因此使用电容比表示的分压比的误差增大(见附录A2),应设法消除连接导线和带电导体电场的影响。试验电压的测量误差的估算方法见附录A3和A4。
3.4.2 高压连接导线上的电晕放电引起的误差
高压连接导线上的电晕放电改变测量系统中高压电容实际值,这将引起测量误差,应该增大连接导线的直径,避免发生电晕放电。
附 录 A
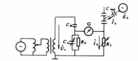
A1 直流电阻分压器与周围带交流电压导体之间的耦合电容电流引起的误差的估算方法
在某些情况(例如在室内变电站)下,进行直流耐压试验时,直流试验电压的测量系统会受带交流电压导体电场的影响。为了确定这种影响的性质和量值的大小,可以采用图A1的接线测定耦合电容电流。图上S为被试品,
和Cbeq分别为带电物体的等效电势和等效耦合电容。高压试验变压器的一次绕组不接电源,在电阻分压器低压臂电阻R2上接一个小量程的高输入阻抗有效值电压表V。由电压表的指示值Ub得到耦合电容电流的有效值
(A1)

图A1 测量带电导体与电阻分压器之间耦合电容电流Ib的原理接线图

图A2 高压电容的等效电路
在存在耦合电容电流
的情况下进行直流耐压试验时,接在电阻分压器低压臂电阻R2上的电压表V(静电电压表或数字电压表)的指示值为
(A2)
式中 Ud2——电阻分压器低压臂电阻R2上直流电压的平均值。
因此耦合电容电流,即带电导体电场引起的测量误差为
(A3)
A2 现场带电导体电场对高压电容实测值的影响
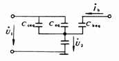
交流试验电压的测量系统中的高压电容由许多元件串联而成,其电容值要受周围带电导体电场的影响,并且要受高压电容的高压端与被试品和高压试验变压器之间的联接导线电场的影响。
图A2是从高压电容低压端L看进去的等效电路图,图上Ceq和Req分别为高压电容的等效电容和等效绝缘电阻;Cceq和Cbeq分别为连接导线和带电导体与高压电容之间的等效耦合电容;
为等效耦合电容电流。图A3是用QS1电桥测量等效耦合电容电流
的原理接线图。
由平衡后的电桥参数得到等效耦合电容电流的有效值Ib和相位角φb(图A4)
(A4)
(A5)
可以把高压电容器的等效绝缘电阻Req的影响忽略,由图A2得到高压电容器的实测电容值。

图A3 测量等效耦合电容电流Ib的原理接线图

图A4
等效耦合电容电流
的相量图
(A6)
式(A6)表明:在有带电导体电场(即电流
)影响的条件下,高压电容器的实测电容值
与耦合电容电流
和测试电压
有关。电桥的测试电压
越高,
的影响越小,就是说明测试电压高的电桥测量时,可以忽略周围带电导体电场的影响。
A3 外施高压试验时,试验电压测量误差的估算方法
图A5是电容分压器的计算用等效电路图,由图A5和式(A6)得到被测试验电压的计算值![]()

(A7)
式中 Us——测量电容C1的电桥的测试电压。

图A5 电容分压器计算用等效电路图

图A6 考虑带电导体影响的电容分压器的等效电路图
图A6是外施高压试验时电容分压器的等效电路图,图上
为实际试验电压。由图A6得到实际试验电压Ut
(A8)
因此,由式(A7)和式(A8)得到被测试验电压的相对测量误差
![]()
(A9)
当
与
同相,而
超前
的相位角等于90°时,试验电压的测量误差为最大
(A10)
A4 感应耐压试验时,试验电压测量误差的估算方法
在进行电力变压器绝缘的感应耐压试验时,用变压器套管作为电容分压器的高压臂电容,没有高压连接导线,但在测量电容分压器高压臂电容时仍有连接导线的影响,因此感应耐压试验时,试验电压的可能存在的最大测量误差
(A11)
式中 Cceq、Us——分别为用电桥测量高压臂电容时连接导线与高压电容之间的等效耦合电容和电桥的测试电压。
_____________________
附加说明:
本导则由能源部科技司提出。
本导则由能源部高电压试验技术标准化技术委员会负责起草。
本导则主要起草人:蒋德福、周良才。