中华人民共和国行业标准
ZBF24001-90
冲击电压测量实施细则
中华人民共和国能源部 1990-04-25批准 1990-10-01实施
1 引言
1.1 目的
高电压的准确测量是检验高电压设备产品质量,保证电力系统可靠运行以及开展高电压试验研究的重要基础。本实施细则根据国际标准IEC60—73《高电压试验技术》和国家标准GB311—83《高电压试验技术》以及国际标准IEC790《冲击试验用示波器和峰值电压表》等规定的要求,结合我国高电压试验室的实际情况,提供冲击电压测量的具体实施办法,以便在国内普遍推行,共同以一致的条件贯彻试验标准,达到标准规定的测量准确度。
1.2 冲击电压测量准确度的要求
根据国际标准IEC60—73《高电压试验技术》及国家标准GB311—83《高电压试验技术》的规定,冲击电压测量准确度的要求如下:
1.2.1 峰值测量误差限值
冲击全波 ≤3%
峰值附近或波尾截断冲击波 ≤3%
波前截断冲击波
其截断时间Tc>2μs ≤3%
0.5μs≤Tc≤2μs ≤5%
Tc<0.5μs >5%,不作具体规定
1.2.2 波形时间测量误差限值
波前时间、半峰值时间以及截断时间等 ≤10%
截波的电压下降时间 不作具体规定
1.2.3 波形叠加振荡的测量准确度要求
在试验回路中可能出现的最高振荡频率fmax(见9.3.2.1条)范围内,振荡幅值的测量值应不小于实际值的20%。
1.3 冲击电压测量系统
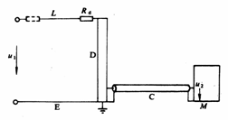
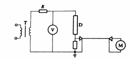
冲击电压测量系统通常由分压器、高压引线、接地回路、测量电缆以及测量仪器(如示波器、峰值电压表)等部件所组成,如图1所示。测量系统的高压引线常需串接阻尼电阻,它可接在引线的分压器侧,如图1中实线表示的Rd,也可接在引线的始端,如图1中虚线表示的位置。
测量系统在测定其特性时常不包括测量仪器在内。此时,系统中分压器是主体,可称之为分压器测量系统,或简称为分压器系统,以区别于包括测量仪器在内的整个测量系统。至于测量仪器,常需单独进行特性的校验。

图1 冲击电压测量系统
D—分压器;L—高压引线;Rd—阻尼电阻;E—接地回路;
C—测量电缆;M—测量仪器;u1、u2—分压器测量系统的输入、输出电压
1.4 实施细则内容
本实施细则共分三篇:
第一篇为分压器测量系统特性的测定,包括分压比的测定和方波响应的测定。
第二篇为测量仪器的校验和使用,包括冲击测量用示波器和峰值电压表的校验和使用。
第三篇为冲击电压的测量,包括对测量系统特性的要求,测量系统的组成和调试,以及冲击电压测量误差。
第一篇 分压器测量系统特性的测定
2 分压比的测定
2.1 分压器测量系统的分压比
分压器是把被测高电压按一定比率减小为低电压的一种测量设备,通常采用电阻、电容或阻容组合的高压臂和低压臂串联组成。高压臂几乎承受全部被测的高电压,低压臂上可引出合适的低电压,以便示波器、峰值电压表等仪器进行测量。
利用分压器测量高电压时,还需用高压引线、接地回路和测量电缆等连接部件组成分压器测量系统,参见1.3条及图1。分压器测量系统的输入电压u1即被测的高电压,输出电压u2是适合仪器测量的低电压,两者之比在一定条件下是一个常数,称为分压比K
K=u1/u2 (1)
分压器测量系统的分压比是直接确定被测高电压的特性参数,它对测量结果的准确度有很大影响。因此,正确测定分压比是冲击电压测量中的一项很重要的基本工作。
2.2 分压比的测定方法
分压器测量系统的分压比应在周围条件与实际使用相同的情况下,采用阻抗法进行测定;并应在较高电压作用下,采用对比法予以校核。
阻抗法是用准确度较高的电桥测量分压器的高、低压臂等有关的阻容参数,并按公式计算分压比。它是测定分压比的基本方法,分压比K的数值以此法测定结果为准。
对比法是用已知准确度的测量系统或设备与被校测量系统同时测量冲击或工频高电压,其幅值应尽量升高到分压器允许的最高工作电压,通过两者测量结果的对比,校核已测定的分压比。
2.3 阻抗法
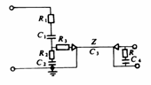
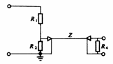
2.3.1 电阻分压器测量系统分压比的测定
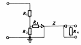
a.电阻分压器测量系统的典型接线及分压比公式,如表1所示。
b.电阻分压器高压引线接有阻尼电阻Rd时,应将Rd计入高压臂电阻R1,即在计算分压比K时,应以
(2)
取代分压比公式中的R1。
c.当测量电缆较长时,电缆本身的电阻r将影响分压比K。此时,表1中的分压比公式应修改为:
两端匹配方式
表1 电阻分压器测量系统
|
方 式 |
接 线 图 |
匹配条件与分压比K |
|
A 两端匹配 |
|
R2+R3=R4=Z
|
|
B 终端匹配 |
|
R4=Z
|
|
C 始端匹配 |
|
R2+R3=Z
|
注:R1—高压臂电阻;R2—低压臂电阻;R3—始端匹配电阻;R4—终端匹配电阻;Z—测量电缆波阻抗。
(3)
终端匹配方式
(4)
始端匹配方式的分压比公式不改变。
此外,也可按每100m电缆将使冲击电压峰值衰减2%估算,分压比K可修正为K′
(5)
式中 l—测量电缆长度,m。
d.电阻分压器测量系统的高、低压臂等有关电阻应采用测量误差不超过±0.1%的电桥进行测量。测量电桥应定期进行校验,保证其测量准确度。
e.电阻分压器测量系统的电阻元件R1、R2、R3、R4及Rd最好选用相同的材料。在采用不同材料时,应按各自的温度系数和测试时的温度,把所测电阻值均折算为使用温度或标准室温20°C下的电阻值。使用中,若电阻元件的温升较大,应考虑由于工作温升而引起电阻值变化的影响。
2.3.2 电容分压器、阻尼电容分压器测量系统分压比的测定
a.电容分压器、阻尼电容分压器测量系统的典型接线及分压比公式,分别如表2和表3所示(并联阻容分压器因不常用而从略)。
b.分压器高压臂与周围接地或带电物体之间存在杂散电容,因此从高压臂下端b点看进去是这些杂散电容与高压臂本体电容综合起来的等效电容,见图2,考虑到周围物体的这种影响,在分压比的计算中不能直接用高压臂本体各电容元件串联的电容值C1n,而应采用上述等效电容的实测值作为高压臂电容C1。实测时,周围接地物体的影响将使C1<C1n,带电物体的影响将使C1>C1n,两者综合影响的结果取决于实际布置情况。
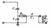
表2 电容分压器测量系统
|
方 式 |
接 线 图 |
匹配条件与分压比K |
|
A 始端匹配 |
|
R3=Z
|
|
B 两端匹配 |
|
R3=R4=Z;C1+C2=C3+C4
|
注:C1—高压臂电容;C2—低压臂电容;C3—测量电缆电容;C4—终端电容;R1—高压臂电阻;R2—低压臂电阻;R3—始端匹配电阻;R4—终端匹配电阻;Z—测量电缆波阻抗。
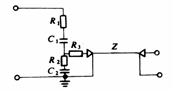
表3 阻尼电容分压器测量系统
|
方 式 |
接 线 图 |
匹配条件与分压比K |
|
A 始端匹配 |
|
R2+R3=Z
|
|
B 两端匹配 |
|
R2+R3=R4=Z C1+C2=C3+C4
|
注:C1~C4、R1~R4、Z的含义同表2。
c.测量高压臂电容Cl(即等效电容)的接线,见图3。测量时,分压器周围的环境布置应与实际使用时相同。冲击电压发生器应与测量系统相连,发生器的高压端到接地点由原充电电阻及波头、波尾电阻连通(注意测量电源容量。当试验变压器容量不足时,可拆除阻值较小的波头、波尾电阻),这样可使发生器的电位分布基本上与实际使用时一致。试品也应按其所处的位置接入回路。分压器的低压臂应解除,并把高压臂下端连接点b接到电桥桥体。按此接线测得的电容值是高压臂等效电容的实测值,即计算分压比需采用的高压臂电容C1。

图2 高压臂与周围物体间的杂散电容
H—分压器高压臂;L—高压引线;G—冲击电压发生器等;
Ce—高压臂对地电容;Cl—高压臂与高压引线间的杂散电容;
Cg—高压臂与冲击电压发生器及试品等带电物体间的杂散电容;
b—高压臂下端与低压臂的连接点

图3 测量高压臂电容的接线
H—分压器高压臂;C0—标准电容器;S—测量电桥桥体;T—测量电源;
G—冲击电压发生器;C—试品;b—高压臂下端与低压臂的连接点
d.分压器低压臂电容C2和电缆终端电容C4一般较大,因而低压臂杂散电容、仪器入口电容的影响可以忽略。测量电缆较短时,电缆电容C3也可略去不计。否则,按所有这些电容并联的计算值或实测值作为低压臂的总电容计算分压比。
e.分压器测量系统高、低压臂等电容的测量应采用测量误差不超过±0.5%(尽可能采用±0.1%)的三点式电容电桥。实测前需以标准电容器校验电桥的测量误差,并应符合上述要求。
在电桥量程许可的情况下,高、低压臂等电容的测量尽量采用同一台电桥。
f.分压器高、低压臂等电容与频率有一定关系。测量这些电容时的频率原则上应尽可能与被测电压的频率相接近。考虑到电桥的实际使用情况,若工频(50Hz)电桥测量误差较小,则以此测量结果为准,其他高频(1kHz及以上)电桥测量误差稍大的结果作校核;若高频电桥能获得较准确的结果,则应以此计算冲击分压比。
g.测量分压器高压臂电容时,试验电压通常采用10~20kV,甚至与测量低压臂电容时一样采用低电压。为了检验在更高电压下电晕等可能产生的影响,测量时的试验电压可按标准电容器等试验设备的额定工作电压为限值,采用数十万至百万伏。此时,由于试验电压较高,冲击电压发生器及试品等应从测量回路中解除。
h.分压器高、低压臂等电容在温度升高时可能有不同的变化,此时需在分压器工作的温度范围内作一温度校正曲线。
分压器高、低压臂等电容元件采用相同材料时,温度及频率等影响可以避免。
2.3.3 测量电缆波阻抗的测定
分压器测量系统接线中匹配条件要求测量电缆端部匹配电阻应正好等于测量电缆的波阻抗Z,参见表1~表3测量电缆波阻抗Z的数值应以实测值为准,电缆产品规格给定的数值可作参考。
测定电缆波阻抗的方法有:方波法、谐振法、开路短路阻抗法、电感电容法等。
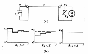
2.3.3.1 方波法
方波法测定电缆波阻抗的接线,如图4(a)所示。方波发生器S产生的方波电压u作用于测量电缆始端1,测量电缆终端2接一电阻R2,并以示波器M观测终端电压u2波形。调节终端电阻R2,使电压u2上的振荡消除而呈现为方波波形,见图4(b)。此时的终端电阻值R20即等于该测量电缆波阻抗Z
Z=R20 (6)
2.3.3.2 谐振法
谐振法测定电缆波阻抗的接线如图5示,接线中测量电缆终端开路。调节高频信号发生器F的频率,保持其输出电压u0幅值不变,观测电缆始端电压u1。在信号由最低频率向高频变化过程中,始端电压u1第一次降到最低值时,记下此时的谐振频率f1。另外用精密电桥测定此电缆段的电容Cc。于是该测量电缆的波阻抗Z可按下式确定
(7)

图4 方波法测定电缆波阻抗
(a)接线; (b)调节电阻R2时终端电压u2波形
s—方波发生器;M—示波器;Z—电缆波阻抗;
R2—终端电阻;u—方波电压;u2—终端电压
谐振法也可在测量电缆终端短路情况下测定波阻抗,此时需观测始端电压u1第一次升到最高值时的谐振频率,它应与终端开路时测得的谐振频率f1相同。同样可按式(7)确定测量电缆的波阻抗Z。

图5 谐振法测定电缆波阻抗
F—高频信号发生器;R—电阻;Z—电缆波阻抗
2.3.3.3 开路短路阻抗法
开路短路阻抗法接线与图5谐振法接线相同。测试中高频信号发生器F的信号频率保持不变,测量始端电压u1及电阻R上的压降uR。由此可求得该频率下电缆的始端阻抗Z1
(8)
利用这样的方法,先把终端2开路,测定电缆的始端阻抗为Z10,然后把终端2短路,再测定电缆的始端阻抗为Z1s。于是该测量电缆的波阻抗Z可确定为
(9)
由于电缆的波阻抗Z与频率无关,测定时可在任意频率下进行。利用波阻抗的这一特点,可在若干不同频率下测定电缆波阻抗,对比测定结果进行互校。在不同频率下,始端阻抗Z10及Z1s虽然都有相应的变化,但是测得的波阻抗Z应相同。
此法测定波阻抗的准确度取决于高频电压的测量,因此必须注意其测量误差。若高频电压表准确度不高时,不能以此法测定的结果作准。
2.3.3.4 电感电容法
利用精密电桥测定一电缆段终端短路时的电感Lc及终端开路时的电容Cc,则该测量电缆的波阻抗Z可确定为
(10)
2.4 对比法
2.4.1 利用已知准确度的测量系统(或分压器)校核分压比
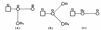
利用已知准确度的测量系统(或分压器)作为对比测量系统(分压器)进行分压比校核的试验设备平面布置,如图6所示。图 6(a)、(b)丁字形和叉形布置中对比和被校分压器分别用高压引线接到试品或负荷电容上,共同测量该处的冲击电压。两高压引线互相垂直,以减小测量系统之间的相互影响。图6(c)直线布置中对比分压器直接接在被校测量系统高压引线始端,测量其输入电压。被校测量系统所测的冲击电压由该系统已测定的分压比来确定。所测的结果与对比测量系统(或分压器)测量结果作比较,两者相差应在±3%的允许误差范围内。
校核时,试验电压应足够高,至少应不低于被校分压器工作电压的1/5。
利用10~20kV标准电阻分压器进行对比试验可获得较准确的结果。利用由它校核过的分压器,按低于5倍的比例传递,还可校核更高电压的分压器及测量系统。
利用高、低压标准电容器组成标准电容分压器作为对比分压器,可在工频高电压下(采取特种接线时也可在冲击电压下)校核分压比。若被校分压器为电阻分压器,则不能采用工频电压进行校核。
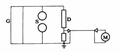
2.4.2 利用测量球隙校核分压比
利用测量球隙校核分压比的接线,如图7所示。固定测量球隙距离,调节冲击电压发生器输出电压,或者固定发生器输出电压,调节球隙距离,测得球隙的50%放电电压即为被校分压器测量系统的输入电压,其测量准确度为±3%。被校分压器测量系统所测的冲击电压由该系统已测定的分压比来确定。所测的结果与球隙测量结果对比,两者相差应在±3%的允许误差范围内。

图6 利用对比测量系统(或分压器)校核
(a)丁字形布置;(b)叉形布置;(c)直线布置;
G—冲击电压发生器; O—测品或负荷电容;D0—对比分压器; D—测量仪器

图7 利用测量球隙核分压比
G—冲击电压发生器; S—测量球隙; D—被校分压器测量系统; M—测量仪器
利用测量球隙校核电容分压器或阻尼电容分压器测量系统分压比时,也可在工频高电压下进行。
2.4.3 利用高压静电电压表校核分压比
利用高压静电电压表在工频电压下校核分压比的接线,如图8所示。接线中测量仪器M可采用0.1~0.5级低压静电电压表。校核时,高压静电电压表直接测量被校系统的输入电压。同时,根据测量仪器的读数及该系统已测定的分压比确定所测的工频高电压。两者对比,相差应在±3%的允许范围内。此法仅适用于电容分压器或阻尼电容分压器测量系统的校核。
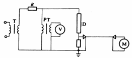
2.4.4 利用电压互感器校核分压比
利用电压互感器在工频高电压下校核分压比的接线,如图9所示。接线中测量仪器M可采用低压静电电压表。校核时,电压互感器直接测量被校系统的输入电压。同时,根据测量仪器的读数及该系统已测定的分压比确定所测的工频高电压。两者对比,相差应在±3%的允许范围内。

图8 利用高压静电电压表校核分压比
T—工频试验变压器;R—保护电阻;V—高压静电
电压表;D—被校分压器测量系统;M—测量仪器

图9 利用电压互感器校核分压比
T—工频试验变压器;R—保护电阻;PT—电压互感器;
V—低压电压表;D—被校分压器系统;M—测量仪器
此法若采用0.1~0.2级的标准电压互感器及精密电压表,则可取得较准确的结果。由于使用工频电压进行校核,此法仅适用于电容分压器或阻尼电容分压器测量系统的校核。
3 方波响应的测定
3.1 分压器测量系统的方波响应
分压器测量系统的方波响应是当系统输入为方波电压时的输出电压波形。
通常此响应幅值以单位值1表示,被称为单位方波响应。
分压器测量系统的方波响应表征了该系统的暂态特性,它与冲击电压的测量误差,尤其是波形测量误差密切有关。因此分压器测量系统方波响应的正确测定也是冲击电压测量中的一项很重要的基本工作。
3.2 方波响应的测定方法
测定分压器测量系统方波响应时,通常将低压方波电压施加于系统输入端,并以通用脉冲示波器记录其输出电压波形,即该系统的方波响应。测定方波响应之前或同时,应记录方波电压波形,以检查它是否符合方波响应试验的要求,参见3.2.3a条。
3.2.1 方波响应试验回路
a.测定分压器测量系统方波响应的试验回路有三种典型方式,见图10。
图10(a)直角引线方式中,低压方波发生器置于地面,由附加的垂直引线与水平的高压引线相接,形成一直角引线。它与分压器和接地回路构成方框形的试验回路。这种方式常使测量系统回路电感有所增加。
图10(b)水平引线方式中,低压方波发生器置于与分压器顶端相同的高度,直接接在水平的高压引线始端,并用附加的垂直接地引线或金属屏蔽墙与接地回路相连。试验回路仍为方框形布置。
图10(c)斜引线方式中,低压方波发生器置于地面,分压器的高压引线斜向下直接与发生器相接,构成三角形的试验回路。这种方式将增大高压引线对分压器的影响。

图10 测定方波响应的典型试验回路
(a)直角引线方式;(b)水平引线方式;(c)斜引线方式
S—方波发生器;D—被测分压器;L—高压引线;L′—垂直引线;
E—接地回路;E′—垂直接地引线或金属屏蔽墙
以上各种试验回路中,高压引线L的长度取实际使用时的长度,或与分压器的高度相等。
b.在测量系统的使用现场,测定方波响应的具体试验回路应尽可能接近于该系统实际使用时的情况。例如,被测分压器处于实际使用位置,不更换所用的测量电缆,不改变高压引线的长度,直径和位置等。此时,试验回路可参照图10(a)、(b)两种典型的方式,其中高压引线的走向按实际情况不一定水平布置。
c.方波响应试验的接地回路宜用铝板敷设。图10(b)中的附加接地引线可用宽约1m的铝板或数条并联的铝带或铜带。在全屏蔽高压试验室中,接地回路及上述附加的接地引线均可利用试验室本身的金属接地网及金属屏蔽墙。
d.为抑制测量系统主回路中的振荡,高压引线的始端或终端(分压器测)可串接阻尼电阻,参见图1。在方波响应试验时,该阻尼电阻的位置应仍处原有位置。但采用图10(a)试验回路时,高压引线始端的阻尼电阻(电阻分压器测量系统较常用)应改接于附加的垂直引线始端与方波发生器之间。
高压引线阻尼电阻的阻值可通过方波响应试验确定。改变阻尼电阻值,测量一系列的方波响应,根据对测量系统响应特性的要求(见7.2条)选用合适的阻尼电阻值。
3.2.2 方波响应波形记录
a.记录方波响应的波形常采用通用脉冲示波器,选用时,对示波器性能的要求为:
频带:DC-100MHz以上
扫描速度: 最快: 高于5ns/div
最慢: 低于0.2μs/div
垂直偏转系数: 最小: 10~100mV/div
b.记录方波响应波形时,为便于确定方波响应特性参数,示波图上应记录零线及时标信号。扫描速度选用快慢两档。慢速扫描应能记录到明显稳定的幅值线。快速扫描应能记录到满幅度跳变的波形前沿。示波器触发能保证示波图起始部分足以显示出10%幅值以下的波形,最好能记录到波形零点。
3.2.3 方波电压的要求与波形测量
a.方波响应试验对方波电压的要求为:
波形:上升时间Tr不大于5ns,见图11a);幅值衰减Δu在1μs以内不超过1%,见图11b),或者幅值衰减时间常数Ta于100μs,见图11c)。

图11 波电压波形参数
(a)上升时间Tr;(b)幅值衰减Δu;(c)幅值衰减时间常数Ta

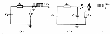
图12 波发生器的原理接线
(a)截断式方波; (b)上升式方波
E0—直流电源;R—内部电阻;C0—充电电容;Rp—并联电阻;
K—高速开关(如汞润开关);A—输出端电缆插座

图13 方波电压波形测量接线
(a)始端匹配;(b)终端匹配;(c)两端匹配S—方波发生器;
M—脉冲示波器;R—匹配电阻;Z—电缆波阻抗
幅值:约100~200V。
重复率:50~300 1/s或单次。
b.方波电压可分为截断式和上升式两种。相应的两种方波发生器原理接线,如图12所示。方波响应试验一般常用截断式方波。当发生器内部电阻R0较大时,电阻分压器测量系统方波响应试验宜用上升式方波(此时输出端A并联的放电电阻Rp可以省略)。
c.方波电压波形的测量应在方波响应试验之前或同时进行。测量接线如图13所示。接线中测量电缆的端部必须接匹配电阻R,其阻值等于测量电缆波阻抗Z,否则将造成严重的波形振荡。
记录方波电压波形对示波图的要求与方波响应示波图基本相同,参见3.2.2条,唯扫描速度需适当改变。如有条件,快速扫描尽量选用1~2ns/div。慢速扫描应能记录到方波幅值线达1μs以上。
根据方波电压示波图,可按图11确定方波波形的上升时间Tr,幅值衰减Δu或幅值衰减时间常数Ta等波形参数,并检查它是否符合方波响应试验对方波电压波形的要求,见3.2.3a条。
3.3 方波响应特性参数的确定
方波响应典型的示波图如图14所示,其波形大体可分为两大类:指数型,见图14(a)、(d);振荡型,见图14(b)、(c)。
3.3.1 方波响应示波图的处理
3.3.1.1 零线
方波响应示波图上的零线可用下列方法确定:
a.示波图上有明显的波形零点,并有坐标刻度线时,可由波形零点画水平刻度线的平行线作为零线。
b.改换示波器触发前沿斜率(SLOPE),并采用较慢的扫描速度,可在示波图上记录一条零线。
c.用上升式方波测定方波响应时,可在示波器无信号的条件下记录一条零线;或者调整零电位线处于某一水平刻度线上,示波图上的该水平刻度线即可作为零 线。

图14 方波响应典型的示波图
(a)、(d)指数型方波响应波形;(b)、(c)振荡型方波响应波形
O—实际零点;O′—视在零点;P—响应波形前沿最陡处的切点;
t1、t2、t3、t4…—响应波形与单位幅值线相交的第1、2、3、4…个瞬时;
Tα、Tβ、Tγ、Tδ…—响应波形与单位幅值线之间的第1、2、3、4…
块面积;T0—响应波形与P点切线及零线之间的面积;β—过冲
3.3.1.2 视在零点O′
视在零点O′是单位方波响应的计算起点。按试验标准规定,在响应波形前沿最陡的P点作切线与零线相交的交点即为视在零点O′,如图14所示。当响应波形前沿部分具有振荡时,可通过振荡画一条中心线,并以它最陡的切线确定视在零点O′,见图14(c)。
3.3.1.3 单位幅值线
示波图上,方波响应波形趋于稳定的水平线,见图14(a)、(d),或者振荡的水平轴线,见图14(b)、(c),其高度定为单位值1,即是方波响应的单位幅值线。通常选用较慢的扫描速度可记录到已明显稳定的响应波形,以便较准确地确定单位 幅值线。
3.3.2 主要响应参数的确定
3.3.2.1 响应时间T
响应时间T是响应波形与单位幅值线之间各面积Tα、Tβ、Tγ、Tδ…的代数和所代表的时间,见图14;其中Tα、Tγ…等是单位幅值线下方的各个面积,取正值;Tβ、Tδ…等是单位幅值线上方的各个面积,取负值;于是
(11)

图15 方波响应波形面积计算
t0—确定时间比例尺的某一固定时刻;X0—t0在横坐标上的长度;
ΔX—横坐标的等距间隔;Y0、Y1、Y2…—从O′点起响应波形与
单位幅值线之间的距离;其它文字符号的含义同图14
对于指数型方波响应波形,见图14(a)、(d),波形不超过单位幅值线即趋于稳定,因而仅有面积Tα,此时
(12)
确定响应时间T时,响应波形从视在零点O′起算,见图14,自O′点到切点P的响应波形初始部分以该切线段代替,详见图15。
方波响应波形面积的计算可采用矩形近似求积法,见图15。在放大的示波图上,沿时间坐标轴方向,从O′点开始按等距离ΔX(mm)读取响应波形与单位幅值线之间的距离Y1、Y2、Y3…等Y1(mm)的数值。当响应波形在单位幅值线下方时Y1取正值,在上方时取负值。然后,读取单位幅值1.0在放大示波图上的高度Y0(mm)及某一固定时刻t0(ns)在示波图时间轴上的长度X0(mm),则响应时间T可按下式求得
(13)
3.3.2.2 部分响应时间Tα
部分响应时间Tα是响应波形首次达到幅值之前的前沿部分与单位幅值线之间的面积所代表的时间,见图14。它就是上述响应时间T的计算公式(11)中的第一块面积Tα对应的时间。计算面积求得部分响应时间Tα的方法同3.3.2.1条。
3.3.2.3 过冲β
过冲β是振荡型方波响应波形的峰值超过单位幅值的数量,通常以百分数表示,见图14(b)、(c)及图15。当方波响应波形包含多种频率振荡时,过冲β由基波振荡峰值确定,见图14(c)。指数型方波响应的过冲β=0,见图14(a)、(d)。
3.3.2.4 剩余响应时间TR
振荡型方波响应波形与单位幅值线相交的瞬时分别为t1、t2、t3…,见图14(b)及图15,简称交幅瞬时。剩余响应时间TR(t1)是交幅瞬时t1之后响应波形与单位幅值线之间各面积的代数和所代表的时间。剩余响应时间TR(t1)也可简写为TR1。例如
(14)
计算面积求得剩余响应时间TR的方法同3.3.2.1条。
3.3.2.5 稳定时间ts
稳定时间ts为最先达到下列条件的交幅瞬时,对应于该瞬时的剩余响应时间
小于0.02ts,即
(15)
3.3.2.6 初始畸变时间T0
初始畸变时间T0是方波响应波形与用以确定O′的切线及零线之间的面积所代表的时间,见图14(d)。确定初始畸变时间T0时,响应波形从实际零点开始起算,直到切点P为止。计算面积求得初始畸变时间T0的方法同3.3.2.1条。
第二篇 测量仪器的校验和使用
4 测量仪器与测量准确度要求
4.1 冲击电压测量仪器
冲击电压测量中常用专门设计的“高压示波器”和“峰值电压表”。满足5.2条特性要求,并能显示和记录单次冲击波形的“通用示波器”和满足6.2条特性要求的“通用峰值电压表”,采取必要的抗干扰措施后,也可用于冲击电压测量。
4.2 测量仪器准确度的要求
为满足1.2条冲击电压测量准确度的要求,标准规定测量仪器的峰值测量误差应不大于2%,波形时间测量误差应不大于4%。
测量误差按其产生的原因可分为两类:一类是测量仪器本身特性引起的测量误差;另一类是测量仪器使用中造成的测量误差。为保证测量准确度符合要求,在实际测量中必须注意测量仪器的定期校验及正确使用。
4.3 测量仪器的校验
测量仪器的校验分长期和短期两类:
4.3.1 长期校验
测量仪器的长期校验通常每年一次。目的是检查仪器各项特性随时间的变化是否超过标准规定的限值。长期校验的项目较全面,校验方法与制造厂进行的特性测定的方法相同。
4.3.2 短期校验
测量仪器的短期校验需经常进行,如每天一次或数次,甚至每次测量都作校验。目的是确证仪器运行正常或随时进行仪器特性的校正。短期校验的项目仅有一项:测量仪器的偏转系数或刻度因数,校验方法即常规测量中该项特性校正的方法,见5.3.5条及6.1.7条。
5 冲击测量用示波器的校验和使用
5.1 示波器的校验
5.1.1 校验项目
示波器的长期校验项目包括偏转特性、响应特性、衰减器特性、校正器准确度等各项特性的测定。
示波器的短期校验项目仅为偏转系数的校正。
5.1.2 偏转特性的测定
5.1.2.1 示波器的偏转特性
示波器的偏转特性包括垂直与水平偏转系数以及偏转的线性度和稳定度等。
偏转系数是示波器在垂直或水平方向单位光迹偏转代表的被测电压或时间。由制造厂通过校准试验测定或由使用者通过校验确定的偏转系数称为它的标称值。
偏转的线性度用偏转系数的非线性误差来表示,它是示波器屏幕上各点的实际偏转系数和标称值之间最大差值的百分数。
偏转的稳定度用偏转系数的不稳定性误差来表示,它是在规定的电源电压、频率和环境温度、湿度等不变的条件下,示波器的偏转系数随时间变化的实际值和标称值之差的百分数。
5.1.2.2 垂直偏转特性的测定
将一系列不同幅值的校幅电压输入示波器,测量各校幅电压的幅值及相应的垂直偏转量,求得一系列垂直偏转系数。设在示波器屏幕上某一部分各实测的偏转系数均在允许误差范围内,它们的平均值即为这部分屏幕区域的标称垂直偏转系数。各垂直偏转系数与其平均值的最大差值以百分数表示,即为其非线性误差,表征了垂直偏转的线性度。
测定时,校幅电压幅值变动范围相应于额定偏转的10%~100%。校幅电压的级数取决于偏转的线性度,对于基本上是线性偏转的示波器,可分8~10级,否则可适当增加电压级数。在示波图上,除一系列校幅电压线外,还应记录一条零线。零线上不应带有时标,以免影响零线偏离真实零位。
校幅电压幅值由精密直流电压表测定,其测量误差应小于0.5%。测定中,电压表尽量保持在回路中,以免读数有所变动。
校幅电压的极性取正、负两种,以便确定极性对垂直偏转特性的影响。
校幅电压应尽量采用直流电压。直流电压上应无脉动,以免影响特性的测定。若示波器输入阻抗较低,为避免校幅电源及示波器输入电路过载,可采用脉冲方波或阶跃方波电压。若示波器输入端有隔直电容,则无法采用直流校幅电压,同样也需用脉冲方波或阶跃方波电压。脉冲方波应具有一平直的顶部,幅值应准确已知,宽度应占屏幕的大部分。若方波平顶宽度较窄,则脉冲方波应可横向移动,以便在整个屏宽范围内校验示波器几何畸变的影响。阶跃方波可采用图12(b)上升式方波的电路接线来产生。图12(b)中充电电容C0和并联电阻Rp应足够大,其参数选择应满足下列条件
(16)
式中 Rm——示波器输入端等效电阻;
tm——示波器全屏扫描时间。
若示波器备有垂直预偏电压,则也可利用它作为校幅电压。预偏电压应能引出,以便用精密直流电压表直接测量。
测定时,示波器的亮度、聚焦、象散等旋钮的位置应固定,最好能保持与实际使用时相同的条件,同时也应检查旋钮位置变化的影响。示波器预偏位置及扫描速度也尽量与实际使用时相同。若示波器具有内部衰减器,则应在衰减器各档位置下分别进行垂直偏转特性的测定。若示波管有两条射线,则应对每条射线单独进行测定。在测定一条射线的垂直偏转特性时,不宜以另一条射线作零线。
5.1.2.3 水平偏转特性的测定
把时标信号或高频振荡信号输入示波器的垂直偏转系统,在某一扫描速度下测量输入信号各个间隔或周期在水平轴方向的偏转量,求得一系列水平偏转系数。然后,与垂直偏转特性的测定相仿,由这一系列数据可确定该扫描速度下水平偏转系数的标称值和非线性误差。
示波器水平偏转特性应在各档扫描速度下分别进行测定。测定时,信号间隔或周期要足够多,一般在全屏扫描时间内需有10~20个,当水平偏转非线性误差超过规定时还需适当增加。测定中,示波器应使用单次扫描。若亮度、聚焦、象散等调节有影响,则应记下各旋钮的位置。
5.1.3 响应特性的测定
5.1.3.1 示波器的响应特性
示波器响应特性是以频率的函数(频率响应)或时间的函数(方波响应)表示的输出与输入的关系,常用归一化形式,即响应的常数部分定为单位值1。
a.示波器的频率响应常以上、下限截止频率f1、f2或频带宽度Δf来表征。上、下限截止频率f1、f2是频率响应的常数部分高、低频两侧下降3dB(0.707)处的频率。频带宽度Δf为上、下限截止频率f1、f2之差。若示波器频带从直流开始到高频,则其下限截止频率f2=0,带宽与上限截止频率相等,Δf=f1。
b.示波器的方波响应常以上升时间Tr及幅值衰减Δu或幅值衰减时间常数Ta来表征。这些方波响应参数的定义与方波电压波形参数相同,参见图11。
例如,上升时间Tr是方波响应前沿从稳态幅值的10%~90%之间的时间间隔等等(注:图11中所示的具体数量是对方波电压波形的要求,对示波器方波响应的要求详见5.2.1.2条)。
5.1.3.2 频率响应的测定
将音频及高频正弦信号发生器接到示波器输入端,改变信号频率,保持信号幅值不变,测定示波器屏幕上信号幅度随频率的变化,并绘制成曲线。此曲线即为示波器的幅频响应特性,简称频率响应。根据频率响应曲线,按上述定义即可确定上、下限截止频率f1、f2及频带宽度Δf。
5.1.3.3 方波响应的测定
将低压方波发生器(参见图12)直接接到示波器输入端,或者通过测量电缆(应注意端部匹配)接到示波器输入端,记录屏幕上的波形。此波形即为示波器的方波响应。根据方波响应的快速扫描波形可确定上升时间Tr,根据它的慢速扫描波形可确定其幅值衰减Δu或幅值衰减时间常数Ta。
测定示波器方波响应上升时间Tr时,扫描速度应足够快,以便使响应波形前沿充分展开。通常,前沿的上升时间占全屏扫描的10%以上,才能较准确地测定。
5.1.3.4 其它说明
示波器的响应特性在不同衰减档下不一定完全一样。若示波器具有内部衰减器,则应对衰减器各档分别进行响应特性的测定。
5.1.4 衰减器特性的测定
示波器的衰减器可分为测量仪器内部装设的和外附的两种。
内部衰减器的特性不必单独测定。它与仪器本体一起,作为一个整体测定总的偏转特性和响应特性。由于衰减器各档对特性的影响不同,如上两条所述,应在衰减器各档位置下分别测定偏转特性和响应特性。
外附衰减器的特性主要是衰减倍率和响应特性两项。测定衰减倍率的方法与测定分压比的阻抗法相似,参见2.3条。测定响应特性的方法与示波器本身响应特性的测定方法相似,参见5.1.3条。此时,衰减器的输出可用高频电压表测量幅值或用高输入阻抗、高灵敏度、宽频带的脉冲示波器记录波形。
在实际使用中采用外附衰减器时,应把它的特性影响考虑在内。为此,外附衰减器也可与测量仪器本体连接成为一个整体,测定其总的偏转特性和响应特性。
5.1.5 校正器准确度的测定
示波器的校正器包括校幅电压发生器和时标信号发生器。
校幅电压可为直流电压或方波电压。直流校幅电压的幅值应采用0.1级或0.2级高准确度的直流电压表直接测定。方波校幅电压及无法引出的内部直流校幅电压可用高准确度电压表测定的外接直流电压进行比较的方法间接测定,参见5.3.5.3 条。
时标信号可为正弦振荡、方波振荡或重复脉冲。时标信号的频率应采用10-3以上高准确度的数字频率计直接测定,也可用另一个已由高准确度频率计测定的时标信号进行比较的方法间接测定。
5.1.6 偏转系数的校正
偏转系数的校正是示波器短期校验的唯一项目。偏转系数的校正方法,详见5.3.5条。
5.2 对示波器特性及各项测量误差的要求
为满足4.2条测量仪器准确度的要求,标准规定,示波器的特性及各项测量误差应不超过以下各条所列限值。在某些情况下,若总误差满足4.2条要求,个别分项误差允许超过所列限值。
5.2.1 对响应特性的要求
5.2.1.1 对频率响应特性的要求
示波器频率响应的上、下限截止频率f1、f2应满足
(17)
(18)
式中 fmax——被测电压中可能出现的最高振荡频率,见9.3.2.1条;
T2——被测冲击电压的最大半峰值时间。
5.2.1.2 对方波响应特性的要求
示波器方波响应的上升时间Tr应满足
(19)
及
(20)
式中 Tc——被测冲击截波电压的最短截断时间;
fmax的含义同上。
示波器方波响应的幅值衰减Δu应在5T2时间内满足
(21)
或幅值衰减时间常数Ta应满足
(22)
式中 T2的含义同式(18)。
若方波响应带有振荡,则振荡所形成的过冲δ应满足
(23)
5.2.1.3 其它说明
若示波器具有内部衰减器或外附衰减器,则对示波器响应特性的要求应包括衰减器的影响在内。
5.2.2 对校正器准确度的要求
示波器内部或外接校正器校幅电压的误差应不大于0.5%;时标信号的误差应不大于1%。
5.2.3 对线性度的要求
若垂直与水平偏转系数仅仅各给定一个数值,则垂直偏转非线性误差应不大于1%,水平偏转非线性误差应不大于2%。
如果增加校正信号(校幅电压或时标)的密度,则可减小线性度不良所造成的测量误差。因此,当采用多个等间隔的校正信号,并且被测量偏转落在两个校正信号之间时,对线性度的要求可以适当放宽,其限值大体上按校正信号的数量成正比增加而不致使测量误差加大。
5.2.4 对稳定度的要求
当工作条件不变时,垂直偏转的稳定度应不大于1%,水平偏转的稳定度应不大于2%。
若每张示波图均有校正信号,则要求在示波器预热后,至少30min内的短期稳定度应不超过上述限值。若不是每张示波图均有校正信号,则要求在示波器连续使用的时间内至少应校正两次,两次校正之间的长期稳定度应不超过上述限值;否则,至少8h内的长期稳定度应满足上述限值的要求。
当利用内部校正器进行的校正不包括衰减器时,示波器的长期稳定度应保持更长时间,例如一年。
5.2.5 对直流电源电压脉动的要求
在示波器的直流电源电压脉动周期内,由脉动造成偏转系数的变化应不大于0.5%。
5.2.6 对示波图照相及读数误差的要求
示波图照相、放大及读数过程中造成的测量误差应不大于额定偏转的1%。
5.2.7 干扰的允许限值
在干扰试验中,见9.2.1条,干扰引起的最大偏转应不大于被测量预期偏转的1%。若确证干扰并不影响测量准确度时,干扰限值允许适当放宽。
5.3 示波器的使用
5.3.1 预热时间
测量仪器通电后均需有一段预热时间才能达到正常工作状态。不同仪器需要的预热时间由制造厂给定。在温度、湿度等不利工作条件下,为保证测量准确度,可适当延长预热时间。
5.3.2 输入阻抗
对于电阻分压器测量系统,测量仪器的输入阻抗通常与测量电缆的波阻抗相匹配,即两者数值相等,参见表1方式A、B。然而,当测量电缆采取始端匹配方式时,参见表1方式C,测量仪器的输入阻抗应尽可能高,一般其等效阻抗的电阻不小于1MΩ,电容不大于50pF。
对于电容分压器及阻尼电容分压器测量系统,参见表2、表3,测量仪器的输入阻抗也应尽可能高,同样要求其等效阻抗的电阻不小于1MΩ,电容不大于50pF。当测量半峰值时间较长的冲击电压(如操作冲击电压)时,要求在最大的被测冲击半峰值时间内,输入阻抗引起分压比的变化不超过5%,以便保证在被测冲击的峰值时间内分压比的变化不超过1%。
5.3.3 迹线宽度
示波器记录波形前应调节亮度、聚焦、象散等旋纽,使迹线在亮度足够的前提下宽度尽可能细。一般要求迹线宽度不超过额定偏转的2%。
5.3.4 有效偏转面积
示波器测量波形时,应选用合适的扫描速度以及衰减或放大倍率,使被测波形中需要测定的部分处于有效偏转面积内,否则测量准确度将受影响。
示波器的有效偏转面积是指屏幕上能保证测量误差不超过4.2条所述限值的那部分偏转面积。
有效偏转面积与偏转的线性度等各分项测量误差以及校正信号(校幅电压和时标)的数量和位置等有关。例如,当各分项测量误差满足5.2条所列要求时,若除零线外只有一条校幅电压线,且大致位于额定偏转一半的部位,则垂直有效偏转范围为额定偏转的0.5~1.0;若只有一个时标间隔,且大致位于全屏扫描中央的部位,则水平有效偏转范围为全屏扫描的0.3~1.0,见图16。若校正信号多于一个,则在如图16所示的有效偏转面积内,分项测量误差允许适当超过5.2条所列限值;或者,各分项测量误差仍在规定限值内,而有效偏转面积可相应地适当扩大。然而,当垂直和水平有效偏转范围扩大到显著低于垂直额定偏转的0.5和全屏扫描的0.3时,则应注意减小读数误差。
5.3.5 波形测量方法及偏转系数的校正
5.3.5.1 常规方法——四迹线法
对于线性度符合要求的示波器,常规的测量方法是在示波图上以同样的扫描速度记录4条迹线,如图17所示。

图16 示波器屏幕有效偏转面积
(u)T—被测电压波形;
—电压测量误差;
—时间测量误差;
Y0—垂直额定编转;X0—水平额定偏转;
—垂直有效偏转;
—水平不效偏转范围;
—有效偏转面积

图17 波形测量及偏转系数校正示波图
1—被测电压波形;2—时标信号,周期为T;
3—零线;4、5—校幅电压线
图17中迹线1为被测电压波形,峰值为Um,对应的最大垂直偏转为Ym;迹线2为时标信号,周期为T;迹线3为零线;迹线4或5为校幅电压线,两者只需记录其中一条,幅值为U1或U2,对应的垂直偏转为Y1或Y2,Y1<Ym而Y1>Ym。
根据迹线4或5可求得垂直偏转系数的校正值
或
(24)
Ku1或Ku2与垂直偏转系数的标称值Ku相差应在1%以内。
根据迹线2可求得水平偏转系数的校正值
或
(25)
式中n1或n2为水平偏转X1或X2包含的时标周期数。Kt1或Kt2与水平偏转系数的标称值Kt相差应在2%以内。
根据迹线1可确定被测电压峰值Um为
或
(26)
而被测时间t为
或
(27)
在上述示波图上,若示波器偏转系数的短期稳定度满足要求时,迹线4或5不必每次都作记录,而只需在每一记录段的开始和末了的几张示波图上有记录即可。
通用的脉冲示波器屏幕上常备有坐标刻度线,此时迹线2时标信号和迹线4或5校幅电压线均可省略。当被测波形有明显零点或已调整好零电位线处于某一水平刻度线上时,迹线3零线也可省略。利用屏幕上的坐标刻度线进行测量时,应注意经常用示波器内部校正器对坐标刻度进行校正。
5.3.5.2 五迹线法
对于线性度不能严格地符合要求的示波器,为保证测量准确度,在示波图上需记录两条校幅电压线,如图17中所示的迹线4和迹线5,它们必须靠近被测电压波形迹线1的峰值。这样,示波图上共需记录5条迹线,各条迹线的说明同上。
根据这5条迹线,可确定被测电压峰值Um为
(28)
而被测时间t为
(29)
5.3.5.3 校正信号密集法
为提高被测电压峰值的测量准确度,可在示波图上采用3~5条校幅电压线密集在被测电压峰值附近,以判定其准确的数值Um。例如图18(a)所示放大的示波图中,迹线1~5分别为190、195、200、205、210V的校幅电压线,校幅电压由0.5级以上高准确度电压表测定,它们密集在被测电压峰值上下。
从该示波图可以判定Um=198V。
若多条校幅电压线密集成一宽带而无法分辨时,可按每一级校幅电压分张照相,比较各张示波图中放大的被测电压波形与校幅电压线重叠部分的迹线宽度,以判定被测电压峰值Um的准确数值。例如图18(b)所示三张放大的示波图中,校幅电压由0.5级以上高准确度电压表测定为196、198、200V,分别对应迹线1、2、3。它们与被测电压波形u(t)重叠部分的迹线宽度W分别为1.5、1.0、1.5mm。按重叠迹线宽度最小的示波图可以判定被测电压峰值Um=198V。
为提高被测时间的测量准确度,也可采用类似的方法,增加示波图上时标信号的密度。
5.3.5.4 偏转校正曲线法
对于有明显几何畸变的示波器,波形测量可采用上述校正信号密集法,也可采用偏转校正曲线法。例如图19(a)所示的示波图中记录有一条零线及5条校幅电压线。测量波形峰值时,需在峰值出现的瞬时tm处度量各校幅电压的垂直偏转Y1~Y5,并画出tm处的垂直偏转校正曲线,见图19(b)。从该曲线上可按波形的最大垂直偏转Ym求得被测电压峰值Um。必须指出,测量被测电压u(t)的其它瞬时值时,需另作对应瞬时处的垂直偏转校正曲线,才能求取所需的瞬时值。

图18 校正信号密集法测定波形峰值
(a)单张示波图; (b)分张示波图
u(t)—被测电压波形;Um—被测电压峰值; 1、2、3、
4、5—校幅电压线;W—重叠迹线宽度

图19 偏转校正曲线法测定波形峰值
(a)示波图; (b)校正曲线
u1~u5—校幅电压;Y1~Y5—校幅电压垂直偏转;Um—波形峰值;
Ym—波形最大垂直偏转;tm—峰值时间
当示波器扫描明显非线性或采用指数扫描时,也可采用类似的方法,先作出水平偏转校正曲线,然后从曲线上求取被测时间的数值。
5.3.6 时标信号及零线
采用脉冲时标信号时,不得以时标底部的平直部分作为零线。并且,时标信号应与真正的零线明显分离,以免两者混淆,影响测量。采用正弦时标信号时,就不存在这个问题。
5.3.7 双线示波器
对于双线示波器,不宜用一条射线显示被测电压波形,另一条射线显示时标。这是因为两条射线在同一扫描电压下扫描速度下一定完全相同。
若示波器装有两套扫描发生器,则在两条射线作同样速度扫描时,宜用同一套扫描发生器,以免两套扫描发生器扫描电压间偏差的影响。

图20 双线示波器测量极性相反的电压
(a)零线置于上、下两侧; (b)零线置于屏幕中央
1、2—两个极性相反的冲击电压或其它信号;
01、02—两条射线的零线
利用双线示波器同时测量两个极性相反的冲击电压或其他信号时,为了获得较大的偏转以保证测量准确度,可将两条零线分别移到上、下两侧。这样,可充分利用屏幕中部的使用面积,避免边缘部分的畸变影响,如图20(a)所示。若将两条零线都置于屏幕中央,则两条射线均只能利用较小的垂直偏转范围,增加相对测量误差,如图20(b)的方式是不恰当的。
5.3.8 照相
拍摄示波图时,相机的位置必须严格固定,否则相机到屏幕之间距离的变动将影响底片上波形成象的大小,造成示波图照相的测量误差。为此必须采用稳固的机相支架,并且要求每卷底片至少在开始和末了的示波图上应记录校幅电压线和时标信号。
5.3.9 读数
底片上的迹线经放大后往往变得较粗,读数时应以迹线中心确定被测的偏转值。
为检查照相、放大造成波形畸变所导致的读数误差,可用一张标准的方格坐标纸,以同样方式照相、放大。若放大后的方格坐标沿垂直和水平方向都仍然均匀分布,则认为照相、放大无畸变。否则应作必要的调整或更换相机、放大机等仪器。
5.3.10 干扰水平
为检查抗干扰措施的效果及干扰对测量的影响,必须对冲击电压测量系统(包括示波器或峰值电压表等测量仪器)进行干扰试验,测定干扰水平,并检查它是否超过干扰允许限值。干扰试验的方法见9.2.1条。
6 峰值电压表的校验和使用
6.1 峰值电压表的校验
6.1.1 校验项目
峰值电压表的长期校验项目包括偏转特性、响应特性、衰减器特性、校正器准确度、储存时间等各项特性的测定。
峰值电压表的短期校验项目仅为刻度因数的校正。
6.1.2 偏转特性的测定
6.1.2.1 峰值电压表的偏转特性
峰值电压表的偏转特性包括刻度因数、线性度和稳定度等。
刻度因数是峰值电压表单位刻度代表的被测电压峰值。由制造厂通过校准试验测定或由使用者通过校验确定的刻度因数,被称为标称值。峰值电压表一般均有内部衰减器,刻度因数应包含衰减器的衰减倍率。
线性度用刻度因数的非线性误差来表示,它是使用刻度范围内各点实际刻度因数和标称值之间最大差值的百分数。
稳定度用刻度因数的不稳定误差来表示,它是在电源,环境等不变的条件下,峰值电压表的刻度因数随时间变化的实际值和标称值之差的百分数。
6.1.2.2 偏转特性的测定方法
峰值电压表偏转特性的测定方法与示波器垂直偏转特性的测定方法相似。测定时,将一系列已知峰值的冲击电压输入峰值电压表,记下相应的刻度,即可求得一系列刻度因数。若在一定刻度范围内各实测的刻度因数在允许误差限度之内,则它们的平均值即为该刻度范围的标称刻度因数。此外,按上述定义还可求得峰值电压表的线性度和稳定度。
对于数字式峰值电压表,输入一系列已知峰值的冲击电压时将直接显示出一系列数值。在一定量程范围内,各显示值的误差应在允许范围之内,否则仪器需作调整或认为仪器不合格。
测定峰值电压表偏转特性所用的冲击电压波形应接近实际使用波形(可采取仪器使用波形范围的中间波形)或规定的标准冲击波;极性应有正、负两种;峰值应能产生全量程的10%~100%的显示值,并按线性度的情况分为若干级。
峰值电压表偏转特性的测定应在衰减器的各档位置下分别进行。
6.1.3 响应特性的测定
6.1.3.1 峰值电压表的响应特性
峰值电压表的响应特性是被测冲击电压波形变化时,峰值电压表输出量与输入量的关系。若以输入电压峰值为单位值,则峰值电压表的响应特性可表示为相对测量误差随波形变化的函数,通常用仪器使用波形范围内最大相对测量误差来表征。
6.1.3.2 响应特性的测定方法
利用一系列不同波形的正、负极性的单次冲击电压测定峰值电压表的测量误差,即可求得相对测量误差随波形变化的关系,即峰值电压表的响应特性。
测定时,所用冲击电压的一系列不同波形应覆盖峰值电压表的使用波形范围,包括不同波形参数的全波、波尾截波和波前截波等冲击波形。
峰值电压表响应特性的测定可采用高电压冲击波下与示波器同时测量的结果相比较的方法。所用的示波器应已作准确的校验,其上限截止频率应不低于20MHZ。若峰值电压表响应特性是用低电压冲击波,并在衰减器后引入的情况下测定的,则衰减器的响应特性应单独进行校验。
峰值电压表响应特性的测定一般不能采用阶跃响应法或频率响应法。
6.1.4 衰减器特性的测定
峰值电压表衰减器特性的测定方法与示波器衰减器特性的测定方法相同,见5.1.4条。
6.1.5 校正器准确度的测定
峰值电压表的校正器实际上是一个冲击波信号发生器,其冲击波峰值固定或可调,极性有正、负两种,波形为标准冲击全波或多种波形任选,或者波形参数可以改变。
校正器冲击波峰值可用直流电压相比较的方法进行测定。比较用的直流电压需用0.1~0.2级高准确度的直流电压表测定。比较时可采用示波器波形测量中的校正信号密集法,参见5.3.5.3条;或者利用电压比较器或差分放大器等仪器。校正器冲击波峰值也可用专门设计的冲击电压校正仪等准确的仪器进行测定。当用以上各种方法测定峰值时,测量仪器的输入阻抗应足够大而不影响校正器冲击波的峰值。
此外,有些校正器采用精密阻容等元件组成冲击波回路,可根据回路阻容参数 及充电电压用计算的方法确定冲击波的峰值及波形参数。
6.1.6 储存时间的测定
峰值电压表的显示值若在复归前有缓慢下降的变化,则应测定显示值下降1%所延续的时间,它被称作峰值电压表的储存时间。
6.1.7 刻度因数的校正
刻度因数的校正是峰值电压表短期校验的唯一项目。刻度因数的校正方法详见6.3.5条。
6.2 对峰值电压表特性及各项测量误差的要求
6.2.1 对峰值电压表准确级的要求
峰值电压表的准确级至少应为1级。这样,在1/2量程及以上范围内,冲击电压峰值的测量误差不会超过4.2条中标准规定2%的限值。
为达到上述要求,标准还规定了峰值电压表的特性及各项测量误差的允许限值。在某些情况下,若总误差满足要求,个别分项误差允许超过规定的限值。
6.2.2 对响应特性的要求
在峰值电压表的使用波形范围内,由于响应特性引起的全波及波尾截波峰值的测量误差应不超过1%,波前截波峰值的测量误差应不超过3%。峰值电压表的使用波形范围由制造厂给定。
6.2.3 对校正器准确度的要求
峰值电压表内部或外部校正器冲击波峰值的误差应不超过0.5%。
6.2.4 对线性度的要求
若峰值电压表校正器除零电平外只能提供一个校正电平,则非线性误差应不大于1%;若可提供多个校正电平,则非线性误差允许限值可相应增加。
6.2.5 对稳定度的要求
在两次校正之间的时间内,峰值电压表刻度因数的变化应不超过1%。
6.2.6 对储存时间的要求
峰值电压表的显示值应在复归前保持不变,若显示值有缓慢下降的变化,制造厂应给出显示值下降不超过1%的时间范围,一般应不小于10s。
6.2.7 干扰的允许限值
利用峰值电压表测量时,电磁干扰引起的峰值测量误差应小于2%。
若截断冲击波产生的电磁干扰对测量有较大影响,制造厂应明确说明该峰值电压表只适用于全波测量。
6.3 峰值电压表的使用
6.3.1 峰值电压表与示波器并联使用
峰值电压表测量的是冲击电压的最高峰值。当冲击电压波峰部分存在振荡或过冲时,按试验标准的定义,最高峰值并不都能代表冲击电压峰值。此外,测量中还可能存在电磁干扰的影响。因此,峰值电压表常需与示波器并联使用,以便同时观察冲击电压波形,鉴别波形中可能出现的振荡或过冲以及电磁干扰的影响。
当冲击电压波形已被确认是无振荡或过冲的光滑波形时,峰值电压表才允许单独使用。
6.3.2 预热时间
与示波器使用中5.3.1条相同。
6.3.3 输入阻抗
与示波器使用中5.3.2条相同。
6.3.4 有效刻度范围
峰值电压表测量冲击电压时,应选用合适的衰减档(包括带有衰减器的测量探头在内),使被测电压峰值处于有效刻度范围内,否则测量准确度将受影响。
有效刻度范围是指峰值电压表的量程中能保证测量误差不超过4.2条所述限值的那部分刻度范围。
峰值电压表的有效刻度范围一般为所选用量程的50%~100%。
6.3.5 刻度因数的校正
峰值电压表的刻度因数应经常进行校正。通常在正式测量冲击电压峰值的开始和结束时各进行一次校正,或在连续使用期间每天校1~2次。
峰值电压表刻度因数的校正对所选用的各衰减档均应进行。校正所用的校正器冲击波峰值和波形应尽可能接近被测冲击电压的实际情况。校正时,记录峰值电压表的显示值(指针式或数字式),并与校正器冲击波已知峰值进行对比,两者相差应不超过该量程满刻度的1%。
6.3.6 读数
若峰值电压表的显示值有缓慢下降的变化,则在施加冲击波后应尽快读数,读数时间不得超过制造厂规定的允许时间。
峰值电压表的读数为被测冲击波的最高峰值。当所测的冲击波波形光滑、无振荡或过冲时,峰值电压表读数有效,它就是冲击电压的峰值。否则,应根据被测冲击波的波形,按照试验标准规定的定义(参见9.3.3.1条),修正峰值电压表的读数才可求得被测冲击电压的峰值。当冲击波波形振荡或过冲太大,或者干扰太强时,峰值电压表的读数无效。
6.3.7 干扰水平
与示波器使用中5.3.10条相同。
第三篇 冲击电压的测量
7 测量系统特性的要求
为满足1、2条冲击电压测量准确度的要求,试验标准规定测量系统各项特性应满足以下各条所列要求。
7.1 分压比和偏转特性的要求
7.1.1 分压器测量系统的分压比
分压器测量系统的分压比应是稳定的,其误差不应超过1%。
利用电容分压器测量操作冲击电压等持续时间较长的冲击波时,由于低压臂电容对仪器输入阻抗放电,在冲击波持续时间内分压比将有一些变化。此时,要求在被测冲击波下降到半峰值时间内分压比的变化应不超过5%,以此保证在被测冲击波达到峰值的时间内分压比的变化不超过1%。
7.1.2 测量仪器的偏转特性
如4.2条所述,示波器或峰值电压表(包括衰减器)的垂直偏转系数或刻度因数应是稳定的,其峰值测量误差应不超过2%。
示波器的水平偏转系数以及时标是稳定的,其时间测量误差应不超过4%。
7.2 响应特性的要求
7.2.1 指数型方波响应的响应时间
对于指数型方波响应的测量系统,按不同的被测冲击电压波形,要求其响应时间T不超过下列限值:
1.2/50μs标准雷电冲击全波以及波峰或波尾截断的雷电冲击截波
(30)
线性上升的雷电冲击截波,上升时间为Tt
(31)
(32)
非线性上升的雷电冲击截波,上升斜率为SL
(33)
注:SL的取值:非线性上升的冲击波,波前部分可以用几段拟合直线来近似,如果截断是快速的,并且最后一段直线覆盖波前部分的10%以上,则取这段直线的斜率为SL。

图21 振荡型方波响应参数允许范围
Tα—部分响应时间;β—过冲;T1—所测冲击
电压波前时间;KT=Tα/T1
操作冲击全波和截波,峰值时间为Tcr,截断时间为Tc
(34)
(35)
7.2.2 振荡型方波响应的响应参数
对于振荡型方波响应的测量系统,要求其部分响应时间Tα及过冲β在图21阴影线所示的允许范围内。图21中KT=Tα/T1为部分响应时间Ta与所测冲击电压波前时间T1之比。
对于趋于稳定较慢的振荡型方波响应的测量系统,附加要求为:
标准雷电冲击全波
ts<0.4T1 (36)
波前截断的冲击截波
ts<Tc (37)
T+TR(Tc)≤0.05Tc (38)
式中 T——方波响应的响应时间;
TR(Tc)——与Tc对应的剩余响应时间;
ts——稳定时间;
T1、Tc——所测冲击电压的波前时间及截断时间。
7.2.3 方波响应的初始畸变时间
测量系统方波响应存在初始畸变时,测得的波前截断冲击波波峰部分将有一定畸变,影响峰值的准确测量。为减小这种影响到可以忽略的程度,要求初始畸变时间T0不超过下列限值
T0≤0.005Tc (39)
式中 Tc——波前截波的截断时间。
若上述要求不能满足,则应改进测量系统,使初始畸变消除或减小到符合要求为止。
7.2.4 冲击波上叠加振荡的传递能力
测量系统对叠加振荡的传递能力取决于振荡的频率和系统的部分响应时间。为保证在可能出现的最高频率fmax(参见9.3.2.1条)范围内,测量系统对叠加振荡的传递能力不小于20%(参见1.2.3条),则要求系统的部分响应时间Ta不超过下列限 值
(40)
8 测量系统的组成
8.1 测量设备的选用
8.1.1 分压器
a.电阻分压器常选用温度系数很小的电阻丝绕制而成。它的阻值可用精密电桥准确测定,因此电阻分压器的分压比可达到较高的准确度,并且比较稳定。
电阻分压器的响应特性受对地杂散电容的影响较大。为此,常采用屏蔽电极补偿、电阻体小型化等结构,以改善分压器的响应特性。屏蔽式电阻分压器的响应时间可减小到数十毫微秒。以绝缘油或SF6气体为绝缘的小型化电阻分压器的响应时间可减小到数毫微秒,它常被用作校准用的标准分压器。
由于存在对地电容的影响,电阻分压器的阻值不能太大,一般为10~20kΩ。由于电阻值不大,这类分压器只限于测量峰值不很高的雷电冲击电压,一般额定工作电压为1~2MV,并且不宜用于操作冲击电压的测量。
b.电容分压器常用多个电容器串联组成,也有用单个高压电容器作为分压器的高压臂。电容分压器只考虑对地电容的影响时,理论上仅引起峰值误差,而无波形误差,并且峰值误差可根据实测的等效电容予以校正。但由于不可避免的回路电感以及杂散电感的存在,往往造成很严重的振荡。因此,这种分压器很少采用,只在个别情况下如测量峰值较低的雷电冲击全波或操作冲击波电压时才能使用。
c.阻尼电容分压器由电容与电阻串联组合而成,又称串联阻容分压器。它具有电容分压器的主要特点,而回路中的振荡被串联的电阻所阻尼。因此,这种分压器可取得相当好的响应特性,常用于测量峰值高达数兆伏的各种波形的冲击电压。
阻尼电容分压器的电容量一般为数百微微法。若其高压臂电阻R1按
(41)
选取,阻值约为400~1200Ω,则称为最佳阻尼电容分压器,其中L1及C1分别为分压器的电感和对地电容。此时,低压臂电阻R2的选取应使低压臂的阻容乘积R2C2略小于高压臂的阻容乘积R1C1。若高压臂电阻R1按
(42)
选取,阻值约为50~300Ω,则称为低阻尼电容分压器,其中L及C1分别为回路总电感及分压器电容。此时,低压臂电阻R2常取零值或近似为零。
d.并联阻容分压器由电阻与电容并联组合而成。它兼有电阻分压器和电容分压器的特点,可用来测量有直流分量的冲击电压,并且在现论上能做到较好的响应特性。但是,这类分压器需用一组电容元件和一组电阻元件,两者配合不当时反而影响其响应特性。此外,回路电感仍可能造成较高的振荡。因此,在实际测量中很少采用并联阻容分压器。
e.分压器高、低压臂应采用相同材料或特性相近的电阻或电容元件,分压器的电极应尽量不发生电晕,以减小温度、频率、电压的影响,使分压比保持稳定。
8.1.2 示波器
a.高压示波器的加速电压较高,光迹呈蓝白色且具有足够的亮度,利于拍摄单次冲击电压波形。
高压示波器输入端与现象板之间一般无放大器,但可能有衰减器。示波器的输入电压允许高达数百伏,甚至千伏上下。由于输入信号高,干扰影响较小。
示波器扫描速度的调节范围应能记录1~2500μs的波形变化。
示波器最好备有幅值及时间的内部校正器,其校幅电压及时标信号的误差应分别不大于0.5%及1.0%。
b.通用示波器的加速电压一般不很高,光迹大多呈绿色,记录重复脉冲才有足够的亮度,对单次冲击电压波形测量并不适用。然而,通用的记忆示波器具有显示和记录单次脉冲波形的功能,若其特性能符合5.2条所列的要求,可考虑用于冲击电压测量。通用示波器的频率响应是一项重要特性。通用的脉冲示波器的频带由直流(DC)到最高截止频率(f1),因此低频特性已能满足要求,只需考虑高频特性的条件,参见5.2.1条。若需用示波器方波响应的上升时间Tr这项响应参数时,可由上限截止频率f1估算
(43)
通用示波器的输入端和现象板之间均有放大器,测量灵敏度较高,对干扰也较灵敏,必须采取妥善的抗干扰措施才可用于冲击电压测量。
8.1.3 峰值电压表
峰值电压表是记录被测电压峰值的仪表,它常配合示波器测量冲击电压,直接读取峰值。只在被测波形波峰附近确无过冲或振荡的情况下,才可单独用峰值电压表测量冲击电压峰值。
峰值电压表的测量误差与被测波形有关,它只在规定的波形范围内才能保证一定的测量准确度。在选用时必须注意制造厂给定的波形使用范围。
专门为高电压试验用的峰值电压表具备一定的抗干扰性能。通用的峰值电压表必须采取妥善的抗干扰措施才能使用。测量冲击截波电压时尤需注意。
8.1.4 测量电缆
测量电缆应选用高频同轴电缆,以保证较好的波形传输性能,选用双屏蔽同轴电缆还可提高抗干扰性能。
同轴电缆波阻抗通常为50Ω或75Ω。少数同轴电缆采用半空气介质的绝缘结构,波阻抗可达150Ω。为达到良好的匹配效果,同轴电缆波阻抗的数值需以实测值为准,测定方法见2.3.3条。测量电缆所连接的示波器等仪器一般有两种输入阻抗:一为高输入阻抗,阻值不小于1MΩ;另一为匹配阻抗,阻值等于常用电缆的波阻抗值。在后一种情况下,应选用波阻抗与仪器输入阻抗相同的同轴电缆。
测量电缆的长度应尽可能短,以减小被测波形在测量电缆中的衰减变形,以及降低测量电缆中形成的电磁干扰。
8.1.5 高压引线
高压引线最好采用无电晕的大直径引线,以免电晕影响测量系统的性能。当实验室不具备大直径引线时,则采用细线较好,但应注意避免在分压器附近发生强烈的电晕放电。
高压引线的长度、直径及位置都可影响测量系统的性能。做重要试验时,高压引线的状况应与校验时大致相同。
高压引线上常串接阻尼电阻,以抑制测量系统回路中的振荡。阻尼电阻的大小应通过方波响应试验确定。在实际测量中,计算电阻分压器测量系统的分压比以及选用阻尼电容分压器低压臂电阻时,应计及此高压引线阻尼电阻。
8.1.6 接地回路
接地回路常采用宽度为30cm至1m的铜、铝等非磁性金属带或薄板,以减小回路阻抗。若试区地面上或地面下有大面积的金属板或细孔金属网,则可利用它作为接地回路。
8.2 测量设备的连接与布置
8.2.1 分压器的周围环境
为保证测量准确度,分压器的周围环境,包括与周围各种带电和接地物体之间的距离和相对位置应与分压器测量系统特性测定时的情况相同,周围接地和带电物体离开分压器的距离分别为分压器高度的1.0倍和1.5倍以上时,它们对测量准确度的影响很小,可以不予考虑。
8.2.2 分压器与试品的位置
分压器通常应以高压引线连到试品的高压端,而不应连到冲击电压发生器输出端或直接接在发生器与试品间的连接线上,以免在测量中包括这段连接线上的电感压降。但在测量标准雷电冲击全波或波尾截波时,若试品电容C较小,且分压器与试品间连接线段的电感L(可按1μH/m估算)满足条件
(44)
则分压器可以直接接在发生器和试品之间的连接线上。此时,连接线段上电感压降所引起的误差可以忽略。
8.2.3 高压引线阻尼电阻的位置
高压引线上若需串接阻尼电阻时,通常接在引线的分压器侧。对于以绝缘油或SF6气体为绝缘的小型化电阻分压器,阻尼电阻需接在高压引线的始端。
8.2.4 测量设备的接地
分压器与试品的接地端应直接连接,自成回路,并应注意减小此接地回路的阻抗,以降低回路阻抗压降造成的测量误差。
分压器到示波器之间常需用接地连线互相连接。接地连线阻抗也应尽量减小,使流过测量电缆外皮中的暂态电流减弱,以降低电磁干扰。
紧靠分压器附近应有集中的接地极,分压器接地端应以最短的宽带接地连线与此接地极相连。
除测量设备外,冲击电压发生器、负荷电容及试品等试验设备的接地端通过电流较大,更需采用低阻抗的接地回路互相连接。
8.2.5 测量电缆的端部匹配
测量电缆两端与分压器及测量仪器连接处应采取匹配措施,以防止波在电缆中多次反射引起波形振荡。电阻分压器测量系统较容易实现两端匹配,也可仅在始端或终端匹配,接线见表1。电容分压器及阻尼电容分压器常采用始端匹配,若一端匹配不够完善,也可采取两端匹配,接线见表2及表3。
多条测量电缆互相连接处的端部也需采取匹配措施。图22为三条测量电缆连接用的匹配三通接头,接头中各电缆端部的匹配电阻R应为
(45)
式中 Z——电缆波阻抗值。
8.2.6 两台以上测量仪器的连接
当需用示波器、峰值电压表等两台以上测量仪器同时测量冲击电压时,常需共用一条长电缆。此时,各台仪器一般采取顺次接法,也可采取并列接法。图23为两台测量仪器共用电缆时的顺次接法和并列接法的示意图。
图23(a)顺次接法中,为满足电缆的匹配条件,电缆中间接点测量仪器M1的输入阻抗应为高阻抗,终端测量仪器M2的输入阻抗应为电缆波阻抗值。若仪器M1的输入阻抗为电缆波阻抗值,则宜通过如图22中的匹配三通接头与电缆相连接,以保持电缆中间接点1的匹配条件。若仪器M2的输入阻抗为高阻抗,则电缆终端2不符合匹配条件,此时需注意附加电缆段C′的长度应远小于共用电缆C的长度。

图22 三条电缆连接用的匹配三通接头
C1、C2、C3测量电缆;T—匹配三通接头;
R—匹配电阻;Z—电缆波阻抗

图23 两台测量仪器共用电缆的接法示意图
(a)顺次接法;(b)并列接法
D—分压器;M1、M2—测量仪器;C—共用电缆;C′、
C′1、C′2附加电缆段;T—匹配三通接头
图23 (b)并列接法中,为满足电缆的匹配条件,测量仪器M1和M12的输入阻抗应为电缆波阻抗值,并且在各电缆互相连接处需用匹配三通接头T。同样,若测量仪器M1或M2输入阻抗为高阻抗,则连接该仪器的附加电缆段C′1或C′2长度应远小于共用电缆C的长度。
当两台以上测量仪器无需共用一条电缆进行测量时,也可分别用各自的测量电缆直接并接在分压器输出端。此时,各测量电缆端部接线一般可不作改动而保持原有匹配情况。
8.2.7 测量仪器外接衰减器
测量仪器通过外接衰减器与测量电缆连接时,可使测量电缆中传输的被测电压信号取较高的电平,以提高信噪比,减小干扰的影响。利用通用示波器和峰值电压表以及数字记录仪等低电压测量仪器时常需采用外接衰减器。
9 测量系统的调试
测量系统组成后,需进行调试才能投入正常使用。调试工作首先是两大部件特性的测定和校验,包括分压器测量系统的分压比和响应特性以及示波器、峰值电压表等测量仪器的偏转特性、响应特性等等,详见第一、第二篇有关各条;然后是整体系统工作性能的测定和调整,包括测量仪器的同步触发、测量系统的干扰水平以及测量回路振荡等等,详见下列各条。
9.1 测量仪器的同步触发
冲击电压是一种快速暂态信号,测量仪器的触发必须与被测信号准确同步才能记录好所需的波形。触发的过迟或过早都会造成所记录的波形不完整或整个波形都记录不到,影响冲击电压的测量。
测量仪器的触发可采取内触发、天线触发或同步脉冲触发等方式,后两者也可统称为外触发方式。
9.1.1 内触发方式
内触发方式是在测量仪器内部抽取被测电压的部分信号触发启动的方式。采用内触发方式时无需再外加其它部件或设备,因而比较简单。但当被测信号时延不足时容易造成触发过迟现象。
9.1.2 天线触发方式
天线触发方式是利用天线接收冲击电压发生器点火时产生的电磁波信号触发启动的方式。这种方式只需在测量仪器的外触发输入端接上一条1~2m的导线作为天线,因而也比较简便。然而,天线触发信号受试验条件、周围情况及天线位置等多种因素影响而变化,容易造成触发不稳定现象。此外,天线触发信号过强时,可能形成扫描回路的较强干扰源,使所记录的波形带有横向振荡。
9.1.3 同步脉冲触发方式
同步脉冲触发方式是利用同步装置发出的多个同步脉冲信号,按一定的时间配合关系分别触发测量仪器及冲击电压发生器等测试设备实现同步触发工作的方式。由于同步脉冲信号具有很好的时间配合,而且可按需要进行调整,因而同步脉冲触发方式比较稳定可靠,常能取得良好的同步效果。
此外,抽取冲击电压发生器点火脉冲信号也可用来触发测量仪器,但时延不可调,并应注意可能随触发信号同时引入过强的电磁干扰。
9.2 干扰试验及抗干扰措施
9.2.1 干扰试验
冲击电压测量中通常都会遇到电磁干扰的问题、严重时可影响准确测量,甚至仪器设备及人身的安全。电磁干扰的强弱与试验条件、测量设备接线和布置情况以及屏蔽、接地等防护措施等有关。因此,当测量系统工作状况改变时必须进行干扰试验,以测定该工况条件下的干扰水平。
9.2.1.1 干扰试验方法
干扰试验时,测量系统的全部状况应保持与实际测量时一样,只是将测量电缆输入端的芯线从分压器上解开,并把芯线与电缆外皮直接短路,外皮仍保持原有接地状况。在此情况下启动冲击电压发生器,此时测量仪器显示或记录的现象即为电磁干扰,其峰值被称为干扰水平。
干扰水平与试验电压峰值和波形密切相关,一般随试验电压峰值的增加而升高。干扰试验中,冲击电压峰值宜逐级上升,最终应达到实际可能使用的最高电压;冲击电压波形宜先采用冲击全波,然后再用波峰截断的冲击截波,后者最好采用球隙放电形成的截断波。
9.2.1.2 干扰水平的限值
冲击电压实际测量中,通常要求干扰水平不超过被测冲击电压预期峰值的1%。若电磁干扰不影响测量准确度时,干扰水平的限值可适当放宽。
9.2.2 抗干扰措施
当干扰试验测定的干扰水平超过要求限值时,应改善抗干扰措施,降低测量系统的干扰水平。
9.2.2.1 电磁干扰的来源
电磁干扰主要有三方面来源:①测量电缆及触发信号电缆外皮中流过的暂态电流;②间隙放电时产生的空间电磁波辐射;③测量仪器电源线引入的干扰和电位。在实际测量系统中,对于这三方面干扰来源均需采取相应的抗干扰措施。
9.2.2.2 减小测量电缆外皮中的暂态电流
测量电缆外皮中暂态电流引起的电磁干扰通常称作共模干扰。在实际测量中,与其它来源造成的干扰相比,这种干扰往往最为严重,必须予以充分重视。
为降低共模干扰水平,可采取如下措施。
a.分压器应置于紧靠集中接地极的地点,并以最短的连线相接。此接地连线应采用较宽的铜带或铝带。
b.由分压器到测量仪器敷设宽度较大的金属板或金属带作为接地连线。测量电缆应沿此接地连线紧靠地面敷设,使电缆外皮与接地连线构成的回路面积尽量减小。若有可能,测量电缆宜直接敷设在该接地连线的金属板、带之下。

图24 测量仪器对称输入的平衡接线
R1、R2分压器高、低压臂电阻;R3、R4—电缆终端匹配电阻,
R3=R4=Z;Z—电缆波阻抗;M—测量仪器
c.测量电缆长度应尽可能短。
d.采用双屏蔽同轴电缆,或在单屏蔽同轴电缆外再套一金属管,甚至在双屏蔽同轴电缆外也再套金属管。电缆的外层屏蔽及金属管多点接地,至少应两端接地。电缆内层屏蔽在分压器端接地,测量仪器端是否接地由干扰试验确定。
e.当测量仪器具有对称输入通道时,可采用平衡接线。以电阻分压器测量系统为例,如图24所示。此接线应采用两条型号、长度等都一样的电缆,它们的接地情况也应完全相同,因而可使引入的共模干扰彼此抵消。
f.测量电缆采取两端匹配的接线方式。
g.在测量电缆上加设共模抑制器,办法是将测量电缆在磁芯环上绕若干圈,或将若干小磁环套在测量电缆上。
h.提高同轴电缆中传递的被测电压信号,使共模干扰所占比重减小,即提高电缆传递环节的信噪比,以降低干扰对测量的影响。当被测电压信号高于测量仪器的最大量程时,测量仪器可加设外接衰减器。
9.2.2.3 加强仪器设备的屏蔽
a.为限制空间电磁波穿透分压器低压臂测量回路时感应产生的电磁干扰,分压器低压臂需有接地的金属屏蔽套。测量电缆与分压器低压臂及测量仪器的连接均需用同轴插头。若没用同轴插头连接时,应使连接线构成的回路面积尽量缩小。
b.为限制空间电磁波直接透入测量仪器内部回路形成的电磁干扰,仪器均有金属外壳等作为屏蔽。使用时,测量仪器应尽量远离放电点。
c.对于灵敏度较高的通用示波器、数字记录仪等测量仪器,需要更为完善的屏蔽措施。此时,需利用金属网或金属板制成一全封闭的双层或单层屏蔽室或屏蔽箱,将仪器放在屏蔽室(或箱)中,屏蔽室(或箱)直接接地。若空间电磁波不很强,则屏蔽室(或箱)即使有一边开口,只要开口处不正对辐射源,也可收到一定的屏蔽 效果。
9.2.2.4 采用供电电源的隔离与滤波
a.为抑制电源线引入的干扰,减小电源中点电位的影响,测量仪器可采用单独的隔离变压器供电。若隔离变压器两个绕组之间有屏蔽,则此屏蔽应与测量仪器的屏蔽室(或箱)相连。为了屏蔽的完整,若隔离变压器放在屏蔽室(或箱)外,它的次级绕组及出线应全部屏蔽;若是在屏蔽室(或箱)内,则其初级绕组及进线必须全部屏蔽。
b.隔离变压器一般对抑制低频干扰较为有效,但高频干扰仍可通过绕组间的电容侵入测量仪器。为此,可在电源回路中串接一低通滤波器,以抑制高频干扰。
c.测量仪器采用电池供电,以免除电源线引入干扰和电位。但这并不是对所有仪器都能办得到。
9.2.2.5 抗干扰措施的实例
以上各项抗干扰措施可根据实际需要部分选用或全部采用。图25是电阻分压器测量系统采用综合措施之一例。

图25 抗干扰综合措施之一例
D—分压器;R1、R2—高、低压臂电阻;R3、R4—电缆始、终端匹配电阻;
C—双屏蔽电缆;E—集中接地极;W—金属板接地连线;S—屏蔽室;
M—测量仪器;F—滤波器;T—隔离变压器
9.2.2.6 采用光导纤维传递信号
利用光导纤维取代测量电缆传递被测电压信号可彻底消除共模干扰,并可克服试区地电位与仪器电源中点电位不同而造成的干扰。
9.3 冲击电压波形振荡及其处理
9.3.1 冲击试验电压波形振荡的允许限值
冲击试验中,试验回路有可能出现振荡,它将叠加在冲击试验电压的波形上。根据试验标准规定,作用于试品的冲击试验电压波形振荡的允许限值为:
在波峰部分,过冲或振荡幅值不得超过冲击电压峰值的5%。
在50%峰值以下的波前部分,振荡幅值不得超过冲击电压峰值的25%。
9.3.2 波形振荡的鉴别与测定
冲击试验中,除试验回路外,测量系统也有可能出现振荡。因此,测得的示波图需作必要的鉴别,以确认实际作用于试品的波形振荡,并加以测定。
9.3.2.1 估算试验回路中可能出现的最高振荡频率fmax
a.按试验标准提供的fmax估算式为
(46)
式中 c——电磁波在空气中的传播速度,c=300m/μs;
Hg——冲击电压发生器的高度,m;
Hc——波前电容器的高度,m。
b.按波过程分析,fmax估算式应为
(47)
9.3.2.2 估算冲击波上叠加振荡的幅值校正系数α
振荡幅值的校正系数α是振荡的实际幅值与测得的幅值之比,它可按下式作近似估算
(48)
式中 f——振荡频率;
Tα——测量系统方波响应的部分响应时间。
9.3.2.3 判断测量系统对波形上叠加振荡的传递能力
根据试验标准规定,试验回路中可能出现的最高振荡频率fmax范围内,振荡幅值的测量值应不小于实际值的20%,见1.2.3条,即振荡幅值的校正系数α≤5。由此可得,判断测量系统对冲击波上所有可能出现的振荡具有足够传递能力 的条件为
(49)
式中 Tα——测量系统方波响应的部分响应时间,参见7.2.4条。
若不满足上述条件,则试验电压波形上可能存在的某些振荡会有测不出来的危险。在这种情况下,应设法改进测量系统的响应特性,以满足上述条件。
9.3.2.4 波形光滑且无振荡的情况
当测量系统的响应特性满足上述条件时,若测得的示波图上波形很光滑,并无叠加的振荡,则说明试验电压波形上确实不存在振荡。若示波图上波形带有振荡,则需作以下进一步的鉴别与测定。
9.3.2.5 波形有振荡,测量系统具有指数型方波响应的情况
当测量系统具有指数型的方波响应时,系统没有谐振的特征,系统本身不会产生振荡。因此,若示波图上波形带有振荡,则振荡是在试验回路中产生的。
此时,示波图上的振荡幅值一般应作校正,即乘以校正系数α,便可确定试验电压波形上叠加振荡的实际幅值。
当波形振荡的频率f满足下列条件时
(50)
对应的振荡幅值校正系数α将接近于1,示波图上所测的振荡幅值可不作校正,即可定为实际的振荡幅值。
9.3.2.6 波形有振荡,测量系统具有振荡型方波响应的情况
当测量系统具有振荡型的方波响应时,表示测量系统有一定的谐振频率范围。若示波图上波形带有振荡,则频率高于或低于此谐振频率范围的振荡不会是测量系统所产生,其来源必定是试验回路。此时,频率低于谐振频率范围的振荡,幅值可不作校正,而频率高于谐振频率范围的振荡,幅值需利用校正系数α进行校正,以确定振荡的实际幅值。
至于示波图上频率在谐振频率范围内的振荡,有可能产生于测量系统,也有可能产生于试验回路,并被测量系统所放大。此时,首先可用上述最高振荡频率fmax进行鉴别,频率高于fmax的振荡可以认为不是试验回路中产生的。然后,对于频率低于fmax的振荡,可用改变测量回路的方法再行鉴别。例如,在试品和分压器高压引线输入端之间插入一个300~500Ω的阻尼电阻,重新测量冲击电压波形。
若振荡基本上没有消失,可以认为振荡来源于试验回路。试验标准规定,按原有示波图确定振荡幅值,幅值不作校正,即校正系数α取为1。
若振荡基本消失,可以认为振荡来源于测量系统的主回路。由于测量系统主回路中除分压器外,还包括试品及波前电容器在内,因而这种振荡将有一部分作用在试品上。如果分压器电容比试品电容加波前电容小得多,则作用于试品上的振荡可以忽略不计,只要示波图上的振荡不妨碍准确估计冲击试验电压的波形和峰值,测量是可以接受的。如果分压器电容与试品电容加波前电容相比是同一数量级,甚至更大,则作用于试品上的振荡至少与分压器上的振荡处于同等数量级。在这种情况下,应选用合适的高压引线阻尼电阻,以抑制测量系统主回路中的振荡。
9.3.3 冲击试验电压参数的确定
当测得的示波图上冲击电压波形带有振荡时,经过鉴别和必要的校正后,确证是作用于试品的冲击试验电压波形上叠加的振荡,并且其振幅在允许限值之内,则冲击试验电压峰值及波形参数按试验标准规定的办法确定。
9.3.3.1 对于波峰部分波形叠加的振荡,若振荡频率不低于0.5MHz,或过冲的持续时间不超过1μs,则取波形振荡中心线的最高峰值作为冲击试验电压的峰值Um,如图26(a)、(b)所示;否则仍按波形本身的最高振荡峰值作为冲击试验电压的峰值Um,如图26(c)、(d)所示。

图26 峰部分波形叠加振荡时冲击试验电压峰值Um的确定
(a)振荡频率f≥0.5MHz;(b)过冲持续时间t≤1μs;
(c)振荡频率f<0.5MHz;(d)过冲持续时间t>1μs
中心线的画法以振荡峰、峰值之间按时间坐标求取的中点相联较为合适,按幅度坐标求取的中点相联容易造成误差。
9.3.3.2 对于波前部分波形叠加的振荡,应在这些振荡的中心线上取瞬时值为峰值的30%和90%的A、B两点来确定冲击试验电压的视在波前时间T1,见图27波形振荡中心线的画法同上。

图27 前部分波形叠加振荡时冲击试验
电压视在波前时间T1的确定
9.3.4 抑制测量系统振荡的措施
9.3.4.1 测量系统中产生波形振荡有多种原因:波形中有规律的衰减振荡多半反映具体的测量回路有振荡,其中主回路振荡一般频率较低,低压臂回路及测量电缆回路振荡的频率较高;波形中无规律的杂乱振荡多半反映测量系统中的杂散振荡及电磁干扰。对于各种原因产生的波形振荡,需有针对性地分别采取不同的抑制措施才能见效。
9.3.4.2 考察测量系统中产生的各种振荡的原因以及采取抑制措施的效果时,利用测量系统方波响应试验是最明显而有效的方法;冲击电压波形的观测则是最直接的方法;两种方法均可采用。
9.3.4.3 测量系统主回路振荡,包括高压引线中波的多次反射引起的振荡,可采取适当阻值的高压引线电阻予以阻尼或用作端部匹配。
9.3.4.4 电容分压器本体对地电容等可引起杂散振荡。采用高压臂电阻分段串联在高压臂电容中构成阻尼电容分压器有利于阻尼此类振荡。
9.3.4.5 分压器低压臂回路中的振荡可采取以下改善措施:选用低电感的低压臂元件,尽量缩短低压臂回路接线或采取同轴结构,低压臂各并联支路按中心对称布置,若为并联电容支路则可在各支路适当串联电阻以阻尼振荡等等。
9.3.4.6 测量电缆应采取正确的端部匹配措施,以消除测量电缆中波的多次反射引起的振荡。各类分压器可采用的匹配方式参见表1~表3多台测量仪器用电缆连接时的端部匹配参见8.2.6条。
9.3.4.7 测量系统应采取妥善的抗干扰措施。例如,良好的接地,特别需要注意分压器的接地、测量电缆和测量仪器的接地等;采用低压臂屏蔽、测量仪器的屏蔽室(或箱);测量电缆用双屏蔽同轴电缆;供电电源的隔离与滤波等等抗干扰的各项措施,参见9.2.2条。
10 冲击电压测量误差
10.1 系统误差及随机误差
冲击电压测量误差是测量值与真实值之差,它与其它任何测量误差一样,可按其性质分为系统误差和随机误差两大类。
系统误差通常采取校正的方法消除其影响,以求得准确的测量结果。随机误差通常用各个独立的分项误差ei估算其总误差E,估算公式为
(51)
10.2 冲击电压峰值测量误差
10.2.1 峰值测量误差的组成
冲击电压峰值测量误差Ep由分压器系统的测量误差Ed及示波器或峰值电压表等测量仪器的测量误差Em所组成。
分压器系统的峰值测量误差Ed包括分压比的误差eh和响应特性造成的误差eg等。分压比的误差带有一定的随机性,它反映了电桥的测量准确度以及周围物体、环境温度、被测电压的频率和幅值等对分压比的影响。若在特定的条件下,这些影响均可确定,则可作为系统误差处理,即按各影响因素对分压比进行校正。响应特性造成的误差一般属于系统误差,可通过校正消除其影响。
测量仪器的峰值测量误差Em包括偏转系数或刻度因数的误差es、响应特性造成的误差er、非线性误差en、不稳定性误差eu以及读数误差ev等,参见5.2及6.2条。这些误差除响应特性造成的误差一般属系统误差外,均可按随机误差处理。
10.2.2 冲击全波峰值测量误差的估算
测量冲击全波峰值时,分压器系统响应特性造成的误差eg一般可以忽略。于是,分压器系统的峰值测量误差Ed由分压比的误差ek所决定。按试验标准要求ek≤1%,见7.1.1条,因此分压器系统的峰值测量误差Ed为
(52)
测量仪器的各分项误差中,响应特性造成的误差er也可忽略。其它各项按试验标准要求,参见5.2及6.2条,偏转系数或刻度因数的误差es≤0.5%,非线性误差en≤1%,不稳定性误差eu≤1%,读数误差ev≤1%。以上各分项误差按随机误差处理,可得测量仪器的峰值测量误差Em为
(53)
它符合试验标准的要求Em≤2%。见4.2条。
按上述两项测量误差Ed和Em,可估算冲击全波峰值测量的总误差Ep为
(54)
由此可见,若分压器系统及测量仪器的测量误差能分别满足试验标准规定的要求1%及2%,则冲击全波峰值测量的总误差能在试验标准的要求3%以内,见1.2.1条。
10.2.3 冲击截波峰值的校正及测量误差估算
10.2.3.1 波前截断冲击波可按下式对所测的峰值进行近似校正
(55)
式中 Uc——校正后的峰值;
Um——测得的峰值;
S——截断前冲击波的斜率;
T——测量系统的方波响应时间。
为了检验校正的有效性,测量系统应采用两种长度的高压引线进行测试,一种是试验中本来拟用的长度,另一种则长得多,以便使测量系统的响应时间有明显改变。两种高压引线长度的测量系统测得的截波峰值经校正后相差在2%~3%以内,且校正值不超过20%,则认为校正是有效的。
10.2.3.2 测量波前截断冲击波时,分压器系统及测量仪器响应特性造成的误差eg及er影响较大,不能忽视。它们具有系统误差的性质,通常可由响应特性作近似估算,并把它们作为校正值对所测的截波峰值进行校正,见上述10.2.3.1条。当所选用的测量仪器上限截止频率很高或上升时间很小时,测量仪器响应特性造成的误差er可以忽略。分压器系统的分压比误差ek以及测量仪器的其它分项误差es、en、eu、ev等仍可按随机误差估算波前截断冲击波峰值测量的总误差Ep,估算公式见10.1条(51)式。
10.2.3.3 测量波尾截断冲击波时,其峰值测量误差的估算与测量冲击全波时基本相同,参见10.2.2条。在各分项误差与该条所述情况相同的条件下,波尾截断冲击波峰值测量的总误差也能满足试验标准要求的3%以内,见1.2.1条。
10.3 冲击电压波形测量误差
根据试验标准规定,冲击电压波形以波形时间参数来表征。冲击全波波形参数为波前时间T1和半峰值时间T2,冲击截波的主要波形参数为截断时间Tc。
冲击电压波形测量误差即为上述各波形时间参数的测量误差。
10.3.1 波形测量误差的主要因素
冲击电压波形测量误差主要取决于测量系统的响应特性,其中包括分压器测量系统的方波响应时间T,部分响应时间Tα和过冲β,以及测量仪器的上、下限截止频率f1、f2或上升时间Tr和幅值衰减时间常数Tα。

图28 波前时间T1测量误差的计算曲线
10.3.2 冲击全波波形测量误差的估算
10.3.2.1 波前时间T1的测量误差ET1可参考图28所示的计算曲线进行估算。图28中横坐标KT=Tα/T1是测量系统的部分响应时间Tα与测得的波前时间T1之比,β为测量系统方波响应的过冲。
根据试验标准要求,波形时间参数的测量误差应不大于10%。图28中以两条虚线为界画出了波前时间测量误差的允许范围。
10.3.2.2 半峰值时间T2的测量误差ET2一般都很小,可以忽略。但必须注意测量仪器的输入阻抗及下限截止频率f2符合规定的要求,参见5.3.2条及5.2.1.1条。
10.3.3 冲击截波截断时间的校正及测量误差
线性上升的波前截断冲击波(又称斜角截波)的截断时间可按下式作近似校正
(56)
式中 Tc——校正后的截断时间;
Tm——测得的截断时间;
T——测量系统的方波响应时间。校正的有效性可采用截波峰值校正时所用的方法进行检验。
冲击截波截断时间的测量误差按试验标准要求也应不超过10%。关于冲击截波时间参数测量误差的估算尚待研究。
___________________
附加说明:
本标准由中国电机工程学会高电压专业委员会高电压测试分专业委员会提出。
本标准由能源部高电压试验技术标准化技术委员会、中国电机工程学会高电压测量准确度工作组共同负责起草。
主要起草人:戚庆成 杨吟梅 姚宗干 陆宠惠 董宝骅 史文科 蒋国雄 。