中华人民共和国国家标准
UDC 621.165.018
∶621.311.22
GB 8117—87
电站汽轮机热力性能验收试验规程
Rules for power plant steam turbine
thermal acceptance tests
国家机械工业委员会1987-08-13批准 1988-01-01实施
1 范围和目的
1.1 范围
本标准主要适用于火力发电厂的凝汽式汽轮机的热力性能验收试验。有些条款也适用于其他型式和用途的汽轮机,如背压式、抽汽式汽轮机的热力性能验收试验。
假如出现了一些未被本标准条款所包罗的复杂或特殊情况,由买方和卖方在签订合同之前协商确定解决方案。
1.2 目的
制订本标准的目的是提出进行汽轮机热力性能验收试验的程序和原则,以使求得的试验结果能够用来验证制造厂提供的下列保证:
a.汽轮机组的热耗率或热效率;
b.汽轮机组的汽耗率或热力效率;
c.最大主蒸汽流量和(或)最大输出电功率。
制造厂对上述保证及其条件要阐述完整、清晰而无矛盾。
2 符号、单位、名词术语和定义
2.1 符号、单位
本标准有关参量的符号、单位按表1规定。
表 1
|
参 量 名 称 |
符 号 |
单 位 |
|
功率 |
P |
kW |
|
质量流量 |
qm |
kg/h |
|
热流量 |
Φ |
kJ/h[kcal/h] |
|
压力 |
p |
MPa[kgf/cm2] |
|
水柱当量压差 |
Δp |
MPa[kgf/cm2] |
|
温度 |
t |
K,℃ |
|
垂直距离 |
H |
m |
|
比焓 |
h |
kJ/kg[kcal/kg] |
|
比焓降 |
Δh |
kJ/kg[kcal/kg] |
|
比热 |
c |
kJ/(kg·K)[kcal/(kg·℃)] |
|
干度(按质量计算) |
Χ |
— |
|
转速 |
n |
s-1 |
|
速度 |
w |
m/s |
|
密度 |
ρ |
kg/m3 |
|
比容 |
v |
m3/kg |
|
直径 |
D |
m |
|
重力加速度 |
g |
m/s2 |
|
效率 |
η |
— |
|
热耗率 |
HR |
kJ/(kW·h)[kcal/(kW·h)] |
|
汽耗率 |
SR |
kg/(kW·h) |
|
汽蚀系数 |
K |
— |
|
等熵指数 |
ν |
— |
|
流出系数 流量系数 |
cd |
— |
|
|
α |
— |
注:表中方括号内系原使用单位,下同。
2.2 下标、上标和定义
本标准有关参量符号的下标、上标及其定义按表2规定。
表 2
|
有 关 参 量 |
下 标 |
位置或定义 |
|
功率 |
b a g c
i |
发电机出线端的功率 不是由主汽轮机驱动的辅助设备耗功1) 输出净功率,Pg=Pb-Pa 汽轮机联轴器处的功率,如果汽轮机的辅助设备不由主汽轮机驱动,就要扣除辅助设备的耗功 汽轮机功率 |
|
主蒸汽流量或输出功率 |
max |
调节阀全开时的数值 |
|
蒸汽的参数和流量 |
1 2 3 4 |
汽轮机主汽阀前,如果在汽轮机合同中包括滤汽器时则为滤汽器前 汽轮机高压部分排汽处,蒸汽从这里流向再热器 再热器之后,汽轮机再热主汽阀及(或)再热调节阀的进口处 汽轮机低压部分排汽处,蒸汽从这里进入凝汽器 |
|
凝结水与给水的参数和流量 |
5 6 7 9 |
凝汽器出口处 凝结水泵进口处 凝结水泵出口处 锅炉给水泵进口处 |
|
|
10 11 c b
d a is ir |
锅炉给水泵出口处 末级给水加热器出口处 除氧器入口处 凝结水泵之后,在合同包括的所有冷却器(油的、发电机用冷却气体空气的)出口处 疏水冷却器出口处 抽气凝结器出口处 送入过热器的减温水 送入再热器的减温水 |
|
补给水的参数和流量 |
m |
靠近凝结系统或蒸发器的进口法兰处测量 |
|
汽封蒸汽的参数和流量 |
g gl q
qy |
从外来汽源供来的汽封用汽 回到系统并包括在主蒸汽流量测量中的汽封和阀杆的漏汽 进汽端或再热器前的汽封和阀杆处漏汽,这股漏汽被移作他用,而且这股漏汽及其热量都没有返回汽轮机循环内 类似q的漏汽,不过这股漏汽是来自再热器之后的某一处或几处 |
|
凝汽器用冷却水 |
w wi wo wio |
凝汽器进口 凝汽器出口 凝汽器进出口之间的平均值 |
|
效率 |
t td |
热效率 热力效率 |
|
焓降 |
s |
等熵焓降 |
|
速度 |
throat |
测量流量的喷嘴喉部处 |
|
饱和压力 |
sat |
水在相应温度下的饱和压力 |
|
试验结果和保证值 |
g C m |
保证值 修正值 测量值 |
|
修正系数 |
tot 1,2,…,n η P |
所有单项修正系数的乘积 单项修正系数的编号 供效率修正用 供功率修正用 |
|
有关参量 |
上标 |
定义 |
|
效率 全部参量 |
— |
计算机算出的参考效率值 平均值 |
注:1)参见4.2.1条。
2)符号和添标的解释用图见图1。

图 1 符号和下标的解释用图
(a)再热回热凝汽式汽轮机;(b)没有给水加热的纯凝汽式或背压式汽轮机;
注:图中点的号码对其他各种类型汽轮机的相同项目而言都是相同的;例如,点9总是表示给水泵的进口处。点8可以是在点9的下游到点11之间的任意地点。
2.3 保证值和试验结果的定义
为了定量说明一台汽轮机或汽轮机组的热力性能,通常采用一些技术参量,保证值就是这些参量值中的一个或几个。据以提出保证值所相应的技术条件称为保证条件。试验结果是对应于保证条件下的这些参量的试验测定值。
注:这些参量的一般定义总是非常明确的,但其细节在不同场合下可以各不相同,因而必须引起充分注意。
2.3.1 热耗率
对于一台带有给水回热系统的电站汽轮机组,热耗率是重要的考核指标。热耗率的定义为该汽轮机系统从外部热源取得的热量与其输出功率之比,即:
(1)
式中Mj——质量流量;
Δhj——焓升。
对于一台具体的汽轮机组,必须规定一个热力循环系统,以便用来作为提出性能保证及进行试验评价的依据。这个热力系统应尽量简单,而且要尽可能与试验时的热力循环系统相同。
对于如图1(a)所示的汽轮机组,其热耗率可定义为:
(2)
注:式中Pb(或Pg或PC)按合同规定。
各种进、出系统的附加热量,例如补给水流量Mm温水流量Mir、暖风器用的附加抽气流量等所带的热量,在计算试验结果时必须予以考虑,其办法是对试验结果作适当的修正。原因不明的漏泄损失,没有包括在本定义中,但需要按本标准5.2.3.2条处理。
2.3.2 热效率
对于2.3.1所述的汽轮机组,也可采用热效率作为性能考核指标。热效率定义为:
(3)
注:原热耗率是使用
表示的,
2.3.3 汽耗率
如果一台汽轮机组是在某个进汽参数下接受全部蒸汽并在某个较低的压力下排出全部蒸汽的(没有给水回热和中间再热的凝汽式汽轮机或背压式汽轮机),汽耗率是恰当的性能考核指标。汽耗率定义为进汽流量与输出功率之比,即:
(4)
2.3.4 热力效率
对于2.3.3条中所述的汽轮机组,也可采用热力效率作为性能考核指标。热力效率定义为输出功率与等熵作功能力之比,即:
(5)
热力效率的数值并不取决于进汽参数和排汽参数的绝对量值,它只是一个度量膨胀性能的指标。对一台按图1b所示的纯凝汽式汽轮机组,其热力效率的计算公式为:
(6)
式中 Δ
——点1处进汽参数与点4处压力之间的等熵焓降。
注:式中Pb(或Pg或Pc)按合同规定。
2.3.5 最大主蒸汽流量
最大主蒸汽流量是汽轮机在规定的蒸汽参数、所有调节阀全开时的主蒸汽流量。
2.3.6 最大输出电功率
可以针对一种特定的热力循环系统,提出对应于最大主蒸汽流量下汽轮机输出电功率的保证值,即最大输出电功率的保证值。这一特定的热力循环系统,可以与确定热效率的保证循环系统有某些不同。
对于抽汽供热汽轮机组等,以最大输出电功率作为保证值是适宜的。
3 导则
3.1 试验筹备会议
组织试验工作的第一步,是由有关领导机关或按合同规定单位主持召开试验筹备会议,试验有关各方均应参加。
3.1.1 试验筹备会的任务
3.1.1.1 明确试验任务,制订试验大纲
试验大纲的内容包括:
a.试验的目的;
b.试验项目、负荷工况;
c.试验运行的热力系统和测点布置图;
d.试验测量仪表及其安装要求、试验所需要的器材和设备等一览表;
e.试验运行方式和要求。
3.1.1.2 成立试验小组并确定核心组成员和负责人。
3.1.1.3 明确试验各方的任务和职责。
3.1.1.4 确定试验的费用及其来源。
3.1.2 筹备会的召开时间
筹备会应在电站管路系统设计之前召开,根据试验需要,提出测点布置和测量技术要求。电站的管路设计及系统布置应满足这些要求,例如:
a.流量测量装置的位置及其管路布置;
b.为使机组能够实现单元制运行和机组内部汽、水系统的严格隔离而需要加装的阀门位置和数量;
c.处理泄漏的措施;
d.关键性的温度和压力测点的位置和数量。
3.2 试验工作会议
试验前通过专门会议,试验各方应达成下列协议:
a.试验工作计划;
b.对比性试验测量的方法;
c.试验各方对保证及其细节的解释,试验方法、运行方式和试验结果计算方法;
d.稳定蒸汽参数和输出电功率的方法;
e.检查泄漏和消除泄漏的方法;
f.对拟测的参数及其测量仪表、运行人员和记录人员的要求;
g.采用本规程以外的测量方法。
3.3 验收试验的时间
汽轮机的热力性能验收试验,应尽可能在第一次投入正常运行后八周内,或经一次停机检查并把影响热力性能的一切缺陷消除以后的八周内进行。除非另有协议,在任何情况下,应在合同规定的保证期内完成。
3.4 试验的准备
3.4.1 检查机组状况
试验开始前的汽轮机组应处在正常商业运行状态。试验前要对机组进行检查,应允许制造厂做一些测试。若有缺陷,应予消除。
3.4.1.1 汽轮机的状况
检查其通流部分是否异常,如积垢或局部损伤等。通常采用对比试验法或解体检查法。如果对比试验结果有较大偏差或无法解释的现象,可考虑对汽轮机或个别汽缸做解体检查。试验前必须确认汽轮机状况正常。
3.4.1.2 凝汽器的状况
当保证条件中规定的是冷却水量和水温时,凝汽器应清洁,真空系统的严密性必须达到规定的要求。
凝汽器状况,在停机状态下,可对凝汽器的水侧及汽侧做检查;在运行状态下,可由凝汽器的端差和温升来判别。若有积垢或阻塞,应由用户负责清洗,或者由试验各方商定一个合适的修正值。
3.4.2 系统隔离
为了保证试验结果的精度,试验系统要与外界隔离,机组按单元制方式运行。在系统内,凡有可能出现的旁路或再循环流动都要切断,否则就要布点测量,所有不用的管道接口均应封死,否则应在适当地方卸开,以便观察。
需要隔离的设备和流量,以及实现隔离的方法应在汽轮机试运之前商定好。
热力系统的总泄漏量可由系统内所有贮水容器中水量的变化情况来确定,总泄漏量中一部分是可测定的,一部分是可估算的,剩余部分即称“原因不明”的泄漏。如果“原因不明”的泄漏量超过额定负荷下主蒸汽流量的0.3%~0.5%1),试验双方要根据具体情况商定解决办法。
注:1)具体取值由试验双方在试验前确定。
3.4.2.1 必须隔离的流量和设备
a.大容量的贮水箱;
b.蒸发器及其配套设备,如蒸发器的凝结器和预热器;
c.启动旁路系统及辅助蒸汽管道;
d.流量测量装置的旁路管道;
e.汽轮机排汽减温水;
f.主汽阀、再热汽阀及调节阀的疏水管;
g.与其他机组联通的管道;
h.除盐装置(所谓“隔离”除盐装置,并不是指必须把它从系统中切除,而是指必须把它与其他机组严格分开);
i.耗用凝结水的加药设备;
j.锅炉向空排汽;
k.锅炉定期排污;
l.蒸汽吹灰器;
m.加热器的水侧旁路流量;
n.加热器疏水旁路管;
o.加热器壳侧放水阀;
p.加热器水室放气阀;
q.射汽抽气器的用汽(根据合同决定);
r.凝汽器水室灌水口;
s.厂用汽及厂用凝结水。
3.4.2.2 若不隔离时必须测量的流量
下述流量,在进出循环时,有可能使通过汽轮机的流量产生偏差,因此必须从系统中隔离或测定。
a.锅炉炉门或排渣口冷却管的冷却水量;
b.在下列设备轴封中用作密封和冷却的流量(包括进、回水):凝结水泵、锅炉给水泵、锅炉水循环泵、没有自密封的疏水泵、驱动泵的汽轮机;
c.锅炉部分用的减温水流量;
d.锅炉给水泵再循环和平衡盘的流量;
e.燃油雾化和加热用的蒸汽;
f.锅炉连续排污;
g.锅炉的上水管道;
h.汽轮机水封的流量;
i.汽轮机冷却蒸汽用的减温水量;
j.危急排汽阀或汽轮机汽封的漏气与供汽系统;
k.汽轮机水封的溢流;
l.汽轮机清洗用的汽、水管道;
m.除了汽封漏汽以外,送向汽封压力调节器的蒸汽;
n.补给水量;
o.低负荷下除氧器的备用汽源(指压力较高的汽轮机抽汽);
p.加热器的放气阀尽量关小,若有可能,应该关死;
q.除氧器溢流管;
r.漏入水封法兰(例如水封真空破坏门)的水;
s.从泵轴封漏出系统的水;
t.工业用的自动抽汽;
u.暖风器用汽;
v.化学取样设备用的水和蒸汽(如果取样用的水和蒸汽不可能隔离,而且取样的流量相当大,则应予测量);
w.除氧器排气;
x.其他。
对泵内部的泄漏、轴封和阀杆的泄漏以及汽轮机内部的泄漏,若无法测量,可采用计算值。
3.4.2.3 隔离及其检查的方法
a.在管路上装双重阀,并在双重阀间装上监视装置;
b.装盲法兰或堵板;
c.把管件拆掉或把接口松开,以供观察;
d.肉眼检查排入大气的蒸汽(例如安全阀);
e.把确信严密的阀门关紧,在试验前和试验过程中不再操作;
f.测量温度,用以判断在管路中有否泄漏;
g.监视那些已与系统隔离了的贮水箱的水位。
3.4.3 检查凝汽器和给水加热器的泄漏
试验前必须检查凝汽器和给水加热器的泄漏情况,并设法消除较明显的泄漏。若在试验过程中发现疑点,可在试验后复查。
3.4.4 检查蒸汽滤网
蒸汽滤网必须清洁。
3.4.5 检查试验测量设备
按照本标准第4章中对测量和仪表方面所规定的全部要求和注意事项进行检查,并证实符合要求。
3.5 对比试验
如果因汽轮发电机组以外的种种原因,导致不可能在本标准第3.3条所规定的期限内做满负荷热力性能试验,应尽早在规定好的主蒸汽压力、温度、阀门开度等条件下取得下列基本数据:
a.汽轮机各级段的压力;
b.汽轮机各级段的温度;
c.输出电功率;
d.调节阀的开度;
e.在过热蒸汽区各级段焓降效率;
f.汽耗量特性曲线,即主蒸汽流量与输出电功率的关系曲线;
g.轴封等处漏汽量。
在具备条件可进行正式试验之前,按同样条件复测上述数据,并与原先的基本数据做比较,以判别汽轮机的状况有否变化。
试验各方都应参加对比试验,其试验精度应与验收试验精度相同。
有关设备状况恶化的判别方法以及对试验结果的修正方法,试验各方要取得一致。
如果对比试验结果表明汽轮机可能有积垢,卖方可要求买方清洗汽轮机。如果对比试验结果一致,则验收试验可进行;如果对比试验结果不一致,试验双方可协商决定:消除缺陷后进行试验或者直接进行试验。
在某些情况下,汽轮机经第一次大修检查后立即进行试验是恰当的,但要求在大修检查期内,把凡是影响机组热力性能的一切缺陷予以彻底消除。
3.6 试验的调整
3.6.1 负荷调整
试验可在固定调节阀的开度下进行,也可在保持恒定的输出电功率下进行。
当以阀门开度不变条件下进行试验时,应尽可能使阀门开度保持在“阀点”上,试验负荷与保证负荷之间允许有±5%的偏差。
当把试验负荷准确地调整到规定值有困难时,应允许在该规定负荷值的上、下各选一个以上的负荷进行试验,然后用内插法求出对应于规定负荷下的试验结果。
3.6.2 非常规调整
在任何一个试验负荷下,原则上不允许对汽轮机组做违反正常连续运行的非常规调整。但试验必要时,当符合保证条件且在运行安全和技术方面又切实可行时,可以采用负荷限制器,放空气调整背压,或者其他调整措施,例如,通过关闭一些疏水阀或者其他阀门来隔离汽水系统。
在试验之前,应把汽轮机轴封调整到正常运行状态。如果进出轴封的流量将影响试验结果,还要布点测量。
3.7 预备性试验
预备性试验的目的:
a.确定汽轮机机组是否处在适于验收试验的状态;
b.检查系统中的流量平衡情况;
c.检查测量仪表的指示情况是否良好;
d.培训试验人员。
如果试验双方认可,预备性试验所获得的结果可作为正式试验结果。
3.8 正式试验
3.8.1 试验条件的稳定
在所有的试验之前,温度和流量都必须有一个稳定时间。稳定时间由试验双方商定。
凡影响试验结果的任何条件,在试验开始之前就必须尽量保持稳定,而且在整个试验过程中必须保持在3.8.2条中所规定的允许偏差范围内。
为了保持负荷的稳定,可在调节阀门的开启方向加以限制,再将同步器向增负荷方向摇数圈,使电网周波的正常波动不再影响阀门开度为止。
在试验过程中,除非发现危及机组安全情况,不允许运行人员随意调整机组的运行工况。
3.8.2 试验运行参数的最大允差和波动
除另有协议外,每个运行参数的观测平均值与规定值间的最大允差以及单个观测值偏离观测平均值的最大允差,不得超过表3所列的范围。
表 3 运行中参数的最大允差和波动
|
参 数 |
观测平均值与规定值之间的 量大允差 |
在任何一个试验过程中,每一观测值 偏离观测平均值的最大允差 |
|
主蒸汽压力 |
绝对压力的±3%1) |
绝对压力的±2% |
|
主蒸汽和再热蒸汽温度 |
±15℃1) |
±4℃ |
|
排汽压力 |
|
|
|
凝汽式 |
绝对压力的 |
±5% |
|
背压式 |
绝对压力的±5% |
±2% |
|
抽汽压力2) |
|
— |
|
给水温度 |
±8℃3) |
— |
|
电功率 |
±5% |
±3% |
|
电压 |
±5% |
— |
|
功率因数 |
(规定值-0.05)≤cosφ≤1 |
— |
|
当凝汽器在保证范围之内时 |
||
|
冷却水入口温度 |
±5℃ |
±1℃ |
|
冷却水流量 |
±10% |
— |
注:1)不能超出制造厂规定压力和温度的允许变化范围。
2)一般抽汽压力偏离设计值的百分之几对热耗率的影响是可以忽略的.如果由于加热器等的原因造成抽汽流量偏差过大,则它对热耗率的影响可能很严重,就必须商定一个解决的办法。
3)合理的范围可按锅炉的运行要求决定。
3.8.3 试验的持续时间和读数周期
试验所需的持续时间,与运行条件的稳定情况和读数周期有关,系统内贮水容器中水位变化的精确测定也是一个考虑的因素。
一个验收试验工况的持续时间可定为2h;主流量的差压流量计的指示值,输出电功率表的指示值,每1min读取一次;压力表和温度计的指示值,每5min读取一次。在波动剧烈的运行条件下,为取得有代表性的平均值,必须相应缩短表计指示值的读取周期或加长试验的持续时间。反之,若试验各方都同意,试验的持续时间可缩短到不少于1h。
3.8.4 积算式仪表的读数
也可以利用积算式仪表测定电功率和流量的平均瞬时值,它等于从试验开始到结束时表计指示值的差值除以相应的时间间隔。
试验过程中,应当以均等分割的时间间隔多次同时地读取所有积算式仪表的指示值,而与其相关的瞬时指示仪表的读数应同时进行。这样,试验结束以后,可分段检查试验记录,以证实各测量值的一致性,并且使之有可能对试验取数的起止时间加以合理的选定,从而据以对机组的性能作出正确的估计。
3.8.5 试验记录
应如实地记录读数。试验后将试验记录复印成册,试验双方各一份。
3.8.6 初步计算
为了确定所得试验数据的正确与否,在试验之后应立即进行试验结果的初步计算。
3.8.7 试验的一致性
如果在同一个负荷下的几组试验值修正到相同的运行条件后,各试验结果间的偏差大于1%,则应认为这些试验是不一致的。
在试验过程或试验结果计算过程中,如果发现确实不一致,整个试验或其中有关部分应予作废或双方协商确定解决办法。
3.8.8 重做试验
当验收试验的结果不满意时,应允许制造厂对设备进行调整,然后重做试验,费用由制造厂承担。如果合同双方的某一方有充分理由对试验结果表示怀疑时,也可以要求重做试验。
若制造厂因其本身的原因,在验收试验之后对设备作了更改,只要买方提出要求,就应重做验收试验。
4 测量方法和仪表
4.1 总论
4.1.1 测量仪表
4.1.1.1 汽轮机原则性热力系统及其测点布置
汽轮机原则性热力系统及其测点布置见图2。
4.1.1.2 汽轮机热力试验常用仪表
汽轮机热力试验常用仪表按表4规定。
表 4 汽轮机热力试验常用仪表
|
测量值名称 |
测量范围 |
测 量 仪 表 |
精 度 |
备 注 |
|
压力 |
p≥0.25MPa |
弹簧管压力表 |
0.16~0.4级 |
|
|
p≥0.25MPa |
水银压力计 |
分辨率0.25mm |
|
|
|
弹簧管压力表(当高于大气压) |
0.16~0.4级 |
|
||
|
压力变送器 |
±(0.2~0.5)% |
|
||
|
大气压力 |
|
精密气压计 绝对压力变送器 |
±20Pa |
|
|
差压 |
|
单管或双管水银差压计 |
分辨率0.25mm |
|
|
差压变送器 |
±(0.2~0.5)% |
|
||
|
流量 |
|
节流式流量计(标准节流装置和水银差压计) |
±(0.4~0.6)% |
|
|
温度 |
t≤600℃ |
镍铬-镍硅热电偶 |
±1.6℃ |
当t≤400℃ |
|
±0.004t |
当t>400℃ |
|||
|
镍铬-考铜热电偶 |
±1.2℃ |
当t≤300℃ |
||
|
±0.004t |
当t>300℃ |
|||
|
标准铂热电阻温度计 |
±0.3℃+4.57×10-3t |
|
||
|
t≤100℃ |
铜热电阻温度计 |
±0.3℃+3.5×10-3t |
|
|
|
0.1刻度玻璃水银温度计 |
±0.2℃ |
二级标准 |
||
|
t≤60℃ |
普通玻璃温度计 |
|
测室温用 |
|
|
t≤600℃ |
精密电位计 |
±(0.03~0.05)% |
|
|
|
精密电桥 |
±0.03% |
|
||
|
电量测量 |
|
电压和电流互感器 |
0.1~0.3级 |
|
|
电压和电流表 |
0.1~0.2级 |
|
||
|
瓦特表 |
0.1~0.2级 |
|
||
|
电度表 |
0.1~0.3级 |
|
||
|
转速 |
|
转速表 |
≤±0.1% |
|
|
时间 |
|
同步的钟、表及时间发信器 |
±0.03% |
|
若经试验双方协商同意,可尽量采用电子技术的仪表系统代替表4中规定的仪表,但其使用精度要与表4中要求的相符合。
根据试验结果精度的要求,选择测量方法及其仪表。
4.1.1.3 仪表安装和更换
在使用中容易失灵或损坏的仪表,应备有校验过的仪表,一旦需要,即可投入使用。在试验过程中,若有仪表更换,必须在记录纸上注明。
仪表的布置要便于正确读数。
4.1.1.4 仪表校验
所有仪表在试验前必须经过校验,必要时在试验后立即复校。在试验期间,凡经公认的权威机构签发的仪表检验证明书均可接受。
4.1.1.5 仪表用的水银
仪表用的水银必须纯净,不得混入杂物,纯水银在0℃时的密度为13600kg/m3。
水银蒸汽有毒,在使用中必须采取安全措施。
4.1.2 测量误差
供试验结果计算的每一参量的测量总有一些误差,试验结果的误差则为所有参量测量误差的综合。热耗率或汽耗率试验结果的综合误差,则为热耗率或汽耗率计算值中,由每个测量误差所导得的误差的综合,其值等于这些导得误差的平方和的平方根。按本标准要求进行试验,对于大型凝汽式汽轮机组,热耗率测定的综合误差约为1%。
4.2 电功率测量
4.2.1 电功率确定法
汽轮发电机的净电功率为:
(7)

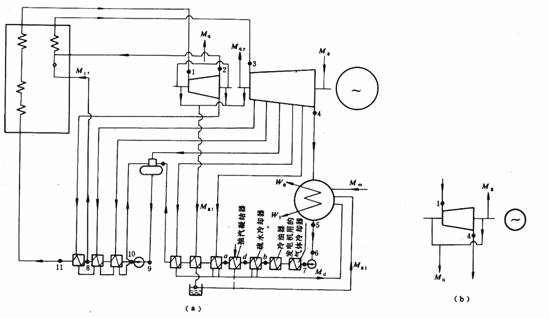
图 2 汽轮机原则性热力系统及试验测点布置
1—主汽阀;2—调节阀;3—再热联合汽阀;4—高压缸;5—中压缸;6—低压缸;7—发电机;
8—凝汽器热井;9—凝结水泵;10—轴封蒸汽冷却器;11—低压加热器;12—疏水泵;
13—除氧器;14—轴封供汽均压箱;15—给水泵;16—高压加热器;17—锅炉及过热器;
18—再热器
—流量测量节流装置;
—网笼探头;○—标准压力表;U—玻璃U形管;
×—热电偶或热电阻等温度计;
—功率表或电度表;
—电流表;
—电压表
当辅助设备是由电动机驱动时,Pa中应包括电动机的输入功率。不论电源来自发电机出线端P测点下游,或来自其他外部电源,式(7)都是适用的。
当以其他手段驱动辅助设备时,例如用某种原动机驱动励磁机、泵等,Pa中应包括联轴器或离合器传递的功率。
当励磁设备是在测点Pb的下游获得电源或由其他电源供电时,Pa中应包括输入励磁设备的功率。
当保证的是汽轮发电机组、凝汽设备和给水加热设备等组成的联合特性时,凝汽器和给水加热辅助设备的耗功必须按合同条款的规定处理。
总之,Pa应按合同规定的条款处理。
4.2.2 电功率的测量
对发电机输出的电功率,应以图3所示的三瓦特表法测量,若中线通过阻抗接地时,可按图4所示的两瓦特表法测量,但最好还是用三瓦特表法测量。在上述两种情况下,均可用电度表代表瓦特表。

图 3 在三相电路中用三瓦特表法测量电功率的仪表布置和接线图
V—电压表;A—电流表;W—瓦特表;Wh—电度表;
CT—电流互感器;PT—电压互感器

图 4 在三相电路中用两瓦特表法测量电功率的仪表布置和接线图
V—电压表;A—电流表;W—瓦特表;Wh—电度表;
CT—电流互感器;PT—电压互感器
若每相电功率均用两只瓦特表测量时,为提高测量精度,最好也配两套电流、电压互感器。
4.2.3 电气仪表接线
仪表接到发电机输出线上时,应尽可能靠近发电机的出线端,并位于发电机与外界发生电力往来的任何连接件的发电机侧。
接到仪表的导线不能因电磁感应或别的类似原因而影响仪表的读数。从仪表处引出的导线,把每对进、出线合并编成辫子,其长度至少为1m,这样可以消除电磁感应作用。
必须从仪表导线方面和其他电磁源方面仔细检查整个布置中可能出现的离散电磁场。
校验互感器时,必须与验收试验时所用的仪表及其接线相同。否则,在电压回路中导线电阻的变化不得造成电功率测量有可观的误差。
当给定导线长度和电压互感器的负载时,应适当考虑电压回路中所用保险丝的电阻后确定导线的截面积,因为导线电阻(包括保险丝)引起的误差是必须考虑 的。
4.2.4 电气仪表
测量电功率要用高精度的便携式瓦特表或电度表,并配以相应精度的电流和电压互感器。为了测定电流、电压和功率因数并确定在试验过程中的发电机负荷是否符合规定条件,在测量电路中应有便携式电流表、电压表。
当用电度表测量输出电功率时,必须在实验室中校验和调整电度表,使其在试验读数范围内具有最佳的工作特性。计时器的精度应达到0.03%。
4.2.5 仪用互感器
务必使用精度与倍率都符合试验要求的专用的电流、电压互感器。校验互感器时,电流、电压的取值范围根据试验值而定。与试验过程中所用仪表和导线相当的负载条件下相对应的变比和相角修正值,应按公认的校验方法获得。互感器的负载不能多于试验仪表和导线所组成的负载,否则必须确认没有超过允许负 载。
如果利用电站仪用互感器、事先应就它们的精度等级和校验事宜达成协议。
4.2.6 仪表和仪用互感器的复校
若每相只有一只瓦特表或电度表测量电功率,则所有的瓦特表或电度表在每次试验后应立即复校。当发现在某刻度点处,前后两次校验所得的修正值之差大于瓦特表量程或电度表读数的0.3%时,则应立即在这个点上再校一次或多次,所得该点的各校正值之差不超过仪表量程或电度表读数的0.1%,可认为仪表是正常的,但应取这些校正值的平均值作为该点的校正值。反之,若各校正值之差超过仪表量程或电度表读数的0.1%,这时应取新校正值的平均值作为该点的修正值,同时对所有试验工况进行分析,研究可能由该刻度点引起的误差。
当每相用两只或多只仪表测量电功率时,各表之间可相互校对,取其平均值以供计算用。如果各表间的差值大于0.3%,则要按上述规定校核仪表。
除对互感器的可靠性有重大怀疑外,对电流、电压互感器进行复校是没有必要的。校验互感器时,要注意导线接头、导线接触电阻等不能断路。
4.3 流量测量
4.3.1 流量的分类
在汽轮机热力试验中所测的流量可分为两类:
a.主流量
主流量是指与汽轮机输出电功率成正比,且必须以高精度测量的流量。为验证主流量测量的准确性,建议在系统中选择两个不同部位对主流量同时进行测 量。
b.辅助流量
辅助流量是指机组运行所必需的,而且从主流量的测量值推算出汽轮机主蒸汽流量和再热蒸汽流量时所必须考虑到的那些流量。
4.3.2 主流量的测量位置
测量主流量的理想位置是在末级高压加热器与锅炉之间的给水管路中。但由于此处给水的压力和温度较高而存在一些困难,尤其对大型汽轮机组,此处水流雷诺数已远远超过现有校验设备的校验范围,使精确测定成为不可能时,宜在给水回热系统的低压部分测量主流量。对具有除氧器的给水回热系统,主流量测量节流装置的位置,最好选择在除氧器入口的凝结水管道上。
4.3.3 流量测量节流装置
若无其他规定,试验时都应采用标准节流孔板或喷嘴作为流量测量节流装置来测定主流量。这些装置需经校验台精确标定。选择流量测量节流装置时,应遵循GB 2624—81《流量测量节流装置》的规定。
节流装置直径比(d/D)的使用范围推荐如下:
孔板 0.30~0.65
喷嘴 0.32~0.50
当水流经节流件时,不允许汽化,因此水的最低压力必须比水温实测值所对应的饱和压力高0.25MPa;或者水的温度必须比它的最低压力对应的饱和温度低15℃。
孔板和喷嘴上、下游所需直管段的最小长度取决于该直管段前、后的管件性质及管路布置,参见GB 2624。对一套可以单独校验的节流装置,在节流件的上游一般都要有整流装置。如果节流装置前面的管件是三通或扩散管,宜用钻孔的整流板。但应注意,整流装置使用不当会引起额外的误差。
试验前要仔细检查节流装置的通流部分,最好在试验后立即复查有否变形、损伤和积垢。
4.3.4 节流装置的校验
节流装置的校验应在与汽轮机试验时相同的雷诺数下进行,如果实验室设备达不到现代大型汽轮机组给水系统管路中的雷诺数,可由实验室校验所得的流量系数曲线适当外推。
节流装置校验时,最好要连带着试验时与节流装置相接的上、下游管路。若有整流装置,它也必须包括在内。
在校验过程中,要在同一雷诺数对节流装置作两次以上的校验,各次所得流量系数的偏差应小于±0.2%。
4.3.5 节流装置的安装
为尽量减小节流装置的热膨胀和热变形,最好把节流装置放在给水回热系统中温度低于150℃的地方。水温高,则雷诺数大,使流出系数校验曲线的外推量更大。为减少节流装置的热变形,节流装置的法兰和管道,要采用与节流件有相同热膨胀系数的耐腐蚀材料制造。
节流装置应装在远离水泵的下游直管段上,这样可以利用处在水泵与节流装置之间的热交换器和管路的阻尼作用,来达到比较稳定的流动。安装节流装置的地方不得有再循环和旁路流量,否则必须以足够的精度测定这些流量。
当节流装置装在垂直管路中时,要对传压管中的水与流经节流装置的水的密度之差作修正。
4.3.6 差压测量
差压测量要特别注意。在一台节流装置上应用两套独立的差压测量系统,以确保主流量测量的准确性。差压测量系统的安装要遵守下列注意事项:
a.从取压孔至差压计的传压管的内径不得小于6mm,以减小阻尼作用。从节流装置取压孔开始,将传压管水平引出1m,而后连续倾斜向下直到差压计,中间不得有起伏。传压管的严密性用水压试验来检查。
b.节流装置与差压计之间的传压管总长不宜超过7.5m,而且不应保温。
c.在敷设传压管时,要保证每台差压计与节流装置相连接的两根传压管中的水温之差不超过2℃。一般是把两根管子并在一起,同时尽量减小外部热源的影响。
d.在接入差压计之前,要很好地冲洗传压管。在冲洗以后,必须有足够的时间使传压管里形成水柱,且其温度能达到均衡。
e.最好是在每根传压管上靠近节流装置处装一只电磁阀。当按照规定的周期读数时,先关闭这些电磁阀以使水银柱保持稳定,它的关闭动作又要不改变差压计中水银柱的固有位置。对于其他定时读数的方法,只要不引起读数误差均可 采用。
f.差压计应设在节流装置的下方。当不可能时,必须在差压测量系统的适当位置装设放气阀。通常是在差压计的上方装设一只适当大小的水罐,而在水罐的顶部装有放气阀,同时还要求在水罐与差压计之间的传压管中灌满冷水,以防高温的汽、水直接冲击差压计。
g.差压计应力求精密,最好配置有游标或采用其他适当的措施,以便使读数的误差限制在±0.25mm之内。在灌入水银之前,必须仔细地清洗差压计。
4.3.7 水流的波动
水的流动尽可能是稳定的。在试验开始之前,必须仔细调整流量使其稳定。在差压计上加装阻尼器,不能消除水流脉动所引起的误差,因此是不可取的。如果抑制水流脉动的种种措施都已试过,而脉动仍然过大,那么在试验开始之前要共同商定一个解决办法。
4.3.8 辅助流量测量
要根据汽轮机装置的具体情况来决定必须测量哪些辅助流量,而后按照所有辅助流量的测量误差值引起的热耗误差的总和不大于0.2%的原则,推算每个辅助流量值测定的必要精度。若采用标准节流装置,可不必校验。
如果用节流装置测定辅助蒸汽流量,还要满足下列条件:
a.蒸汽流过节流装置时始终是过热的,而且在喷嘴或孔板最小截面处的过热度不得小于15℃。
b.凝结容器是必不可少的,而且必须装在节流装置的同一水平或稍高的地方,以便从节流装置取压孔引出的传压管能水平地或微微向上地接到凝结容器上去,这样有利于凝结容器中水位的稳定。为保证蒸汽的凝结,凝结容器与节流装置间要有一段适当的距离。两只凝结容器中的水位必须在同一水平,否则要对其水位差作修正。与凝结容器相接的传压管的内径要足够大,以免形成水栓。
c.引向差压计的传压管必须连续向下倾斜,在放气之后要有足够的时间让蒸汽凝结和冷却。在负压管路中,更须特别注意水柱的形成和充满。
4.3.8.1 给水加热器的耗汽量
a.如果加热器的进汽是过热的,可用热平衡计算来确定加热器的耗汽量。所得结果的精确性随给水在加热器中温升值的减小而降低。
b.如果加热器不漏泄,加热器的耗汽量也可通过疏水量的测量来确定。加热器的疏水量,除抽汽压力最低的一台因可用压降太小外,均可用节流装置测量。由于疏水流量是很不稳定的,节流件前、后的压差最好用差压变送器配以巡回检测装置来测量,检测周期不大于20s。变送器与节流装置间的传压管要尽可能短,这可以减弱差压传递中的阻尼作用。同时必须除尽传压管中的空气。在试验前、后必须校验差压变送器,每次校验必须升压与降压各一次。取校验结果的平均值作为它的指示值。
在确定节流件尺寸时,要综合考虑雷诺数、压损、直径比以及流动的不稳定幅度等因素,以使装置的临界汽蚀系数K不过分大。为防止汽蚀的发生,K值必须大于0.2,计算公式如下:
(8)
缓和汽蚀问题的办法是把节流装置布置在疏水调节阀之前,使流量测量装置处在较高压头下,这样可使临界汽蚀系数相应提高,如果疏水过冷,也能缓和汽蚀现象。
4.3.8.2 给水泵小汽轮机的供汽
如果给水泵小汽轮机有自备凝汽器时,最好是用测定凝结水流量的方法来确定它的耗汽量。
在再热机组中,若以再热冷段供汽给小汽轮机,为确定返回再热器的蒸汽流量,必须测出小汽轮机的耗汽量。
4.3.8.3 汽轮机的轴封漏汽
汽轮机的各段轴封漏汽量必须确定。
从再热凝汽式汽轮机高压缸两端轴封漏出的蒸汽,若未经过再热器而直接进入再热器下游的热力系统时,必须确定出它的数量,最好是用节流装置直接测定,因其在计算再热器的供热量时必须考虑。
4.3.8.4 减温水流量
当来自给水系统的再热器减温水不能停用时,或过热器减温水不是从末级给水加热器出口引来时,均应布点测量减温水流量。
4.3.8.5 给水泵轴封的密封水和冷却水流量
给水泵轴封的密封、冷却用水以及漏至系统中其他地方的水,其量可能很大,而且会直接影响主流量的测量值,应予以测量。
4.3.8.6 贮水量的变化
试验系统中贮水量的变化,在计算主蒸汽流量和给水流量时要考虑,它们包括凝汽器热井、除氧器给水箱、给水加热器壳体、锅筒中以及不能与试验系统隔离的贮水箱或疏水箱中那些贮水量的变化。
所有贮水容器中水位的变化,以固定在玻璃水位计旁的标尺来测量。
如果容器(例如除氧器给水箱)中的水温与室温的差值很大,而又使用外置式玻璃水位计时,那末,当把容器中的水位变化换算成质量变化时,要考虑到玻璃水位计中和容器中水的密度差。
装在高温容器外的玻璃水位计,在开始读数前约30min之内不准排放,以免因水位计中水柱温度改变而造成假水位。
实际上,水位表计的指示值是贮水量变化的累积值,它的测量和记录要求应同于本标准第3.8.4条规定。
4.3.8.7 抽气器用汽
射汽抽气器的耗汽量,可以根据测定的供汽压力、温度及喷嘴喉部面积等计算而得。抽气器从凝汽器中抽出的蒸汽量一般是可以忽略的。若要测量时,测量方法应由试验双方共同商定。
4.3.8.8 补给水流量
进入凝结水系统的补给水流量,应当用节流装置,容积量箱水位标尺或校过的水表进行测量。
4.3.9 水和蒸汽的密度
流量计算中所用到的水的密度,是根据精确测得的温度和压力确定的。如果在节流装置后布置温度测点,则应装在节流件下游至少10倍管径处。在有些情况下,也可使用上游加热器出口水温与下游加热器入口水温的平均值,但在该两加热器之间不得有别的流量进入。
流量计算中所用蒸汽的密度,是根据测出的压力和温度确定的。压力和温度的测量方法必须遵照流量测量节流装置的规定。
4.3.10 冷却水流量
凝汽器的冷却水流量可利用下列诸法之一来确定:
a.热平衡法;
b.盐云法;
c.毕托管;
d.校验过的或标准的喷嘴或孔板;
e.文丘利管;
f.三角堰测量法;
g.流速仪;
h.其他方法。
4.4 压力测量
4.4.1 待测的压力
凡是对蒸汽的温度进行测量的部位,都要相应地测量压力。属于主要测量的压力有主蒸汽、冷段再热蒸汽和热段再热蒸汽的压力,汽轮机的排汽压力,高压加热器进汽压力。此外,试验中尚要测量的还有各级抽汽室处的蒸汽压力,汽封系统的压力,各个汽缸的进、出口处以及通向给水加热器的抽汽管道两端处的蒸汽压力。
需要测量泵的入口处和出口处,以及给水管路上个别中间位置处的水流的压力。
测量主蒸汽压力的地方,要尽可能靠近汽轮机供货范围的衔接点。当蒸汽滤网由汽轮机厂供货时,应在滤网上游的管道上测定蒸汽的初压,否则就应在滤网的下游测定初压,除非汽轮机供货合同或技术规范中另有规定。
4.4.2 测压孔

图 5 静压测孔
l≥2d R<0.06d
汽轮机性能试验时,需要测量的都是静压力。所以,取压口的位置应处在能够避开局部阻力(如阀门、三通、弯头等)影响的直管段上,测压孔应垂直于介质流动的方向,孔口的边缘应是尖锐直角、无毛刺,孔壁要平直,且无刀纹(如图5所示)。孔的内径d应取6~12mm,压力高时取小值,在距离孔口为l≥2d的长度区间内,孔的内径应保持均匀不变。
4.4.3 传压管
从测压孔至测量仪表或一次感受元件之间的连接管路,称为传压管。
若在传压管中存有汽、水两相介质,将导致测量值中附加的系统误差。因此,在敷设传压管时必须使之在正常工作时能够保证管中完全充满水,或者能将其中的水彻底排尽。
一般应使仪表的安装位置低于取压孔,以便于使传压管中确能充满水。
当被测对象远高于0.25MPa(绝对压力)时,压力表可以装在高于测压孔的位置上,但应保证能使传压管中确实完全充满水。
若被测对象系高度真空,则要求传压管内不得积水,故测压表计的安装位置必须高于测压孔,而敷设传压管时,必须从压力表计接口处就开始持续向下倾斜,直抵测压孔接口。若取压口的内径较小,最好采用厚壁橡胶管作传压管,以减缓管中蒸汽的凝结过程。在接装仪表的一端,应备有放气冲洗装置,以便能在某相邻两次读数的间歇内放气排尽传压管中积聚起来的凝结水。
特殊情况下,为确实保证传压管中能够充满水,可以在靠近测点的同一水平位置或适当偏高一些地方,加装一个特制的凝结容器,如图6所示。

图 6 低压测量用的凝结容器布置图
为避免发生堵塞或阻滞,传压管的内径以大于8mm为好。在靠近仪表接口处,传压管必须具有水封的结构型式,以防止仪表遭受高温汽、水的热冲击。
4.4.4 截止阀
每一条传压管道上,在靠近测压孔处必须装一只适当的截止阀,作为俗称的“一次阀”;当压力较高时,在靠近仪表接口处还应添装一只“二次阀”。
4.4.5 仪表
当绝对压力高于0.25MPa时,用标准弹簧管压力表或静重压力计。绝对压力低于0.25MPa时,一般用水银压力计。
水银压力计必须是高级无铅玻璃管制品。测量时必须垂直放置。如果用单管压力计,玻璃管的内径应均匀一致,且最好不小于12mm,以减小毛细作用的影响。在整个工作高度区间内,贮液杯的所有横截面面积都必须相等。
也可以采用精度等级相当的压力变送器或绝对压力变送器作为测量压力的一次感受元件,与之相应,可以配用精度等级相当的专用表计或巡回检测装置作为二次测量仪表。
4.4.6 仪表的精度
各主要压力测量值,应采用高精度等级的仪表进行测量。其他压力值的测量仪表,可以放宽到±0.4%精度等级。参与试验的各方,应在试验前就选用的各个压力仪表的精度等级,取得协商一致的意见。
4.4.7 仪表的校验
所用的压力表计或压力变送器,都应当在试验前用实验室标准压力计量装置加以校验,证明是合格的方可使用。必要时,试验后立即进行复校。若无正当理由可以否定前后两个校验结果中的任意一个,则应当使用两个校验结果的平均值,作为整理试验结果的依据。
压力变送器和绝对压力变送器,及与之配用的二次仪表或巡回检测装置,应尽可能组合为一个完整的测量系统,然后再用实验室标准计量装置对其进行整体的校验标定。
4.4.8 大气压力
为了把压力表计的指示值换算成绝对压力值,必须要精确地测定当时当地的大气压力值。大气压力可以用玻璃水银气压计测量,气压计应尽可能放置在试验现场内的适当位置处。
也可以按照下列方法,确定所需的大气压力值:
a.从当地的气象台获得试验时间内的大气压力值。必要时,需对气象台与汽轮机之间的海拔高度差进行修正。
b.用经计量部门证明为正确和适用的其他型式气压计。
水银气压计玻璃管的内径不得小于6mm。为保证测量值的准确性,必要时应当把气压计送往气象台或有关实验室进行校验。
4.4.9 读数的修正
试验时记录的读数,经算术平均后,应作下列修正:
当传压管内充满水时,应对压力表计与测压孔之间的水平高度差作修正。
凡经过校验的压力表计,都应按仪表的校验值及其使用环境条件等导致的偏差进行相应的读数修正,除非参与试验各方另有协议规定。
对于液体压力计或玻璃水银压力计的试验读数,还需作下列各项修正:
a.环境温度
把标尺的长度换算到表计制造厂进行标尺刻度时的环境气温(通常为20℃)下的数值;应把液柱的高度换算成0℃条件下的数值。
b.毛细影响
当单管水银压力计之管径小于12mm时,必须对毛细作用的影响进行修正。
玻璃水银气压计的标尺,通常在刻度时已考虑了毛细作用的影响,故无需进行本项修正。
c.重力加速度
必须把仪表读数换算到国际标准重力加速度9.8066m/s2下的数值。
d.海拔高度差
当大气压力计与液体压力计各自所处的海拔高度有显著差别时,应对此高度差作修正。这项修正,应在气压计就环境温度、重力加速度及仪表校验值的修正之后进行。
4.4.10 压力测量值
经过各项修正以后的试验读数值,即可换算为各测点处介质压力的真实物理量值,以备计算试验结果时应用。
4.5 凝汽式汽轮机排汽压力的测量
4.5.1 概述
凝汽式汽轮机热力试验时所需测量的排汽压力,应该是排汽缸出口截面上的平均静压力值。测量时,一般应以一个压力取样孔配接一台压力计;也可以利用歧管,使几个压力取样孔与一台压力计相连接,以便直接测量上述各取样点处的平均压力值。但事先需经参与试验各方协商一致。
4.5.2 测量截面
除另有协议者外,应当把凝汽器的进口规定为汽轮机排汽压力值的测量取样截面。若由于某种原因不得不偏离这一位置时,必须在试验报告中予以说明。对于悬挂式凝汽器,它的入口就是汽轮机的排汽口。对于某些型式的凝汽器,如果比较难于规定其入口的确切位置,原则上可将趋近凝汽器第一排管束的某个截面规定为凝汽器的入口。
4.5.3 压力取样
汽轮机排汽压力测量截面上的静压力分布是极不均匀的,为了获得具有代表性的平均压力测量值,必须布置多个测压点。一般可在测量截面的四周壁面上钻取压孔,取压孔应垂直于周壁的内表面,孔径为10mm左右,不应小于8mm。在以孔口为中心,边长为300mm的正方形区域内,内壁表面要平整光洁。其他要求与本标准第4.4.2条相同。若因排汽口的构造或其所处的位置妨碍钻取测压孔,或因侧壁钻孔取样所得的压力值不具有或不完全具有代表性,则可以采用图7所示的静压感受装置或其他类似的装置实施静压取样。它们应分别置于测量截面内的各测量分区的中心或其他特定的位置上。

图 7 静压感受装置
(a)网笼探头;(b)导流板静压测针
如若测量截面上的压力分布情况不明,应按每1.5m2截面积上布置一个测点的原则进行压力测量,并取其平均值作为测量结果。但每个测量截面上的测点总数不需要多于8个。若预先获知截面上的压力分布情况,可据以把压力感受装置安设在平均静压值的等压线上,以减少所需的测点总数,但不得少于2个。
4.5.4 歧管
在同一低压缸的几个排汽导管中,只要具备几何相似及流体运动相似的条件,在排汽截面上的各个压力取样孔就可用歧管予以并联连接,合用一台压力计直接测定平均压力值。歧管及其连通管的横截面积至少应是各取压孔横截面积总和的5倍。同时还应当配备相应的隔离切换装置,以使能够分别测出每个取样孔传出的压力值。
从连接到同一根歧管上的各个取样孔所分别测取的压力值,应当与利用该歧管所测定的各取样孔的平均压力值相接近,差值不大于333Pa。对超过上述差值,且又不能单独测量的取压孔,必须另行协商确定相应的处理方法。
4.5.5 传压管
布置传压管时,必须使压力计高于歧管,而歧管又必须高于取压孔,以使在测量系统中生成的凝结水能够自动地排入凝汽器。否则,为了能充分有效地疏水,就要对测量系统作专门的安排。参与试验各方,可以协商确定不使传压管中积水的办法。
每一台压力计,都应当尽可能地布置在靠近于压力取样孔处,并且是既无振动,又能够方便准确地进行读数的地方。
其他要求,见本标准第4.4.3条。
4.5.6 测量仪表
通常用水银压力计测量排汽压力。压力计读数标尺的分辨率应达到0.25mm。每根歧管上至少应装一台水银压力计。
为确定排汽压力的绝对值,正确地测定当地的大气压力是十分重要的。
也可以采用高于±0.25%精度等级的绝对压力变送器,配以适当精度的二次仪表和巡回检测装置来直接测定排汽压力的绝对值。
4.5.7 测量系统的严密性
试验测量前,要检查测量系统的严密性。在汽轮机设计规定的真空度下,关闭靠近取压孔处的截止阀时,由压力计指示值反映的真空下降速度,平均每5min不得超过800Pa。
4.5.8 排汽压力测量值
排汽压力测量的确定,可参照本标准第4.4.9及4.4.10条规定进行。
4.6 温度测量
4.6.1 温度测点
为了确定工作介质的焓值,温度测定应尽量靠近相应的压力测点。每一个对试验结果影响较大的主要温度,应在互相靠近的部位上布置两个独立的测点,并取两个测量读数的平均值作为该处工质的温度。当两个读数的差值超过1℃时,就必须作分析研究,并且尽可能设法缩小或消除差别。
如果怀疑管内流体的温度分布不均匀,则应根据具体情况,协商确定测量管道横截面上流体温度的分布状态和求取平均温度值的方法。
存在旁路流动或多路流动的情况时,应在各路汇合点的下游足够远处测量工质的温度,以保证测出各路流体在获得充分混合后的真实温度值。
4.6.2 仪表
测量主要温度的表计,试验前应经校验,必要时,在试验后立即进行复校。
测量较高温度的适用仪表为:
a.经过校验的高精度热电偶和精密电位差计或数字电压表。测量主要温度
用的热电偶丝,从温度感测点到冷端参考点之间,应尽可能采用同一种材料。
b.经过校验的铂电阻温度计和精密电桥或数字电压表。
当被测温度低于100℃时,可以使用0.1℃分刻度的高精度玻璃水银温度计,或用高精度的电阻温度计配以精密电桥或巡回检测装置进行测量。
4.6.3 主要温度的测量
所谓主要温度,是指那些对试验结果有直接影响的温度,如主蒸汽温度,冷段再热蒸汽和热段再热蒸汽温度,高压加热器进汽、给水温度等。有时,根据保证条件的规定,冷却水温度也成为主要温度之一。此外,在主流量测量装置系统中,据以确定流体密度用的温度,也是主要温度。
如果在循环的某个区段内,蒸汽或水的流量系用两根以上的管道并列输送时,可取各条管道上分别独立测量所得的温度的算术平均值作为工质在该区段内的平均工作温度。但当质量流量在并列管道间的分配不均匀,且其温度水平相差较大时,应考虑取其加权平均值作为工质的平均工作温度,参见本标准第5.2.4.2 条。
4.6.4 给水加热系统温度测量
为要进行给水加热系统的热平衡计算,必须在每台加热器周围布置必要的温度测点。
多数情况下,一台加热器入口给水的温度的位于上游且与其邻接的加热器的出口水温是相同的,所以两台加热器之间可以合用一个水温测点。如果已用两个温度测点,为避免在热平衡计算中出现矛盾,应取两者的算术平均值作为该处给水的温度。若在两台相邻加热器之间的给水连接管路上装有汇流三通,则需在三通的上、下游分别布置温度测点。
从汽轮机引向加热器的抽汽管道的两端,都必须布置温度测点。靠近汽轮机一端的抽汽温度测点,必须布置在逆止阀和汇流三通的上游。另一端,即靠近加热器的抽汽温度测点,则应尽可能紧挨加热器的蒸汽进口截面布置。
4.6.5 冷却水温度测量
仅当汽轮机热力性能的保证条件中包括凝汽器特性时,才需要测量冷却水温度。
a.进水温度
通常,在进水管道的横截面上,冷却水的温度分布是均匀的,因而在每根进水管上设一个温度测点就可以了。可以用温度套管插入管道内的方法测量;也可以从进水管内连续抽出一股试样水流,以裸露的玻璃水银温度计测量该试样水温的方法进行测量。若确有理由怀疑进水管道内的水温分布不均匀时,可按照出水温度测量方法处理。
b.出水温度
在凝汽器出水室内的冷却水温度分布是极不均匀的。同样,在靠近凝汽器的出水管道横截面内,水温分布也是极不均匀的。为获取具有真实代表性的出水温度,一般是在出水管道的某个截面处,在至少两个直径方向上布置水温取样器,它可以是抽取试样水的笛形管,也可以是组合式热电偶。一般要求每0.2m2面积上至少设一个取样点,而且要求布置在等分面积的中心。
4.6.6 温度套管
温度套管的材料要适用于被测对象的温度水平。套管的内径应尽可能小,在保证安全的前提下,套管壁的厚度应尽量小些。但应注意保持套管内部的清净光洁、内外管壁没有腐蚀产物或氧化物附着。在高压高温区域,把套管焊装在管道上的结构方式比较安全。温度套管内部要干燥,高温区使用时更需如此。为减少空气对流和散热损失,要用适当的纤维材料仔细密封和覆盖套管外露部分。
如果必须测量给水泵中的温升,装在水泵进、出口处的温度套管的型式和材料必须完全一致。此外,为了使水流能够充分混温,在水泵出口管上的温度套管,应装在下游足够远的地方。
4.6.7 温度测量中的注意事项
a.在温度套管的凸出部分及其插座的周围,应予妥善的保温。那些不是从被测介质经由传导或辐射而传入或传出测温元件的热量,应当减小到最低限度。
b.当管道内径小于150mm时,应在弯头或三通处安装套管,将套管顺着管道的轴线插入。在没有弯头或三通可供利用时,应对管道的布置作适当的改动。
当管道内径等于或大于150mm时,除特大规格的管道和确定流体温度平面分布的多点测温装置外,原则上要求使感温元件的体积中心处于管道的轴线上。
套管在管道内的插入长度不小于75mm,一般也不必大于150mm。
c.测量流动介质的温度时,套管应在垂直于或逆于流动的方向插入,切不可顺着流动的方向插入或置于不流动的死区。
d.试验用的玻璃水银温度计,一般应采用全浸没式的。读数时,若需要把温度计从套管内向外拔出一些,应注意只能拔到水银柱顶端刚巧露头可以读出指示值时为止,且套管内应充有适量的润滑油。
e.每套温度测量装置,至少在开始试验记录前2h,就应被置于正常的工作环境中。
4.7 其他测量
4.7.1 转速
可以利用机械式或电动式的测频仪或转速表、闪光测速仪等测量转速;也可采用计数器与计时器的记录组合,计算试验过程中的平均转速。
4.7.2 时间测量
试验的起始、终止时刻和中间读数时刻的确定方法如下:
a.由一台讯号钟或一个计时员按时发出规定讯号。
b.以每个记录人员的手表定时,试验前,所有这些手表必须统一对准。
当测量设备中有积算器时,时间的测量必须高度准确,可使用误差小于0.03%的秒表或电子计时装置。要特别注意,计时装置与积算器的读数起止时刻要准确同步。
5 试验数据处理
5.1 计算的准备
每次试验结束后,参与试验的各方应派代表协同审阅全部试验记录数据,并在全部记录纸上划定统一的时间间隔。这一时间间隔不得短于1h,在此期间的运行条件应符合本标准第3.8.2条的规定。此后,即以这一时间间隔内的试验记录数据作为计算试验结果的依据。
审阅时,若发现个别记录数据显著异常,就应进行针对性的分析和统计推断,如确认是由于记录人员的疏失所致,则应将这个异常数据删除。
5.2 测量值的计算
5.2.1 仪表读数平均值
在按照5.1条所述划定取值的时间间隔后,计算该时间间隔内每个测量仪表读数的平均值。该期间内,若因某个测量仪表短暂失灵而空缺个别读数时,只要参与试验各方协商同意,可以按其他的正常读数记录数据作为计算确定该测量值的依据。
大部分被测参数的测定值与所用仪表的指示值之间具有线性关系,可取算术平均值。
精密的流量测量中,仪表读数多半是节流元件前后的压差值,而流量值则与压差的平方根成正比。因此,为求得其准确的平均值,理论上应先计算每个压差值的平方根,而后计算所得各平方根的算术平均值,此平均值的平方才是准确的压差平均值。然而,当试验记录的各个压差测量值之间的偏差均小于10%时,可直接取他们的算术平均值作为计算被测流量值的依据,其误差将小于±0.1%。
若取累积式仪表的读数来计算被测参数的瞬时平均值,则仪表累计过程的始、终两个时刻,应就是在记录纸上为取值而划定的时间间隔的始、终两个时刻。在与此法所得的瞬时平均值作比较时,指示式仪表读数的算术平均值中,起始时刻和终止时刻的两个读数只能各取半权。
5.2.2 对平均值的修正和换算
在导出被测参数的真实值之前,需要根据测量装置或系统的状态,对读数的平均值作必要的修正,然后再换算为相应的被测物理量。需要进行修正的主要项目为:
a.仪表常数和零位的修正;
b.仪表校验值的修正;
c.测量装置的系统修正,如传压管内水柱的高度、测量导线的阻抗等;
d.试验读数时,仪表所处环境条件的修正,如大气压力、环境温度等。
5.2.3 测量值的检查
5.2.3.1 合理性
把已经求得的被测参数的真实值汇集制表。对于反常的测量值,应根据汽轮机组的设计条件与热力学方面的知识分析研究,必要时需作专项测量校核,以去伪存真。如检查和校核的结果证明,被怀疑的测量值确系真实地记录了被测对象在试验当时的物理状态,就需要协商确定处理的方法。明显不真实的测量值应予 排除。
当发现个别主要测量值所反映的物理特征其相互之间具有较大矛盾且又找不出合理的原因据以恰当阐释时,试验要全部重做,或至少重做必要的部分。
5.2.3.2 热力系统的不明漏泄量
系统的漏泄应尽可能加以消除或使之局部化。如果不可能精确测量残余的漏泄流量,则应对他们作出合理的估量,并在计算主流量的过程中予以考虑。
试验期间,系统不明漏泄流量总和不应超过全负荷时主蒸汽流量的0.3%~0.5%1)。否则,需要由参与试验的各方协商确定本次试验是否可以被接受,或者是否需要重做一次试验。
注:1)具体取值由试验双方在试验前确定。
5.2.4 试验结果的计算
5.2.4.1 汽水性质图表
计算试验结果时,应采用保证值所依据的汽水性质图表或公式,除非合同另有规定。所用蒸汽性质表,应当与第六届国际蒸汽品质会议(1963年)制订的国际骨架表相一致,一般应采用适用于工程目的、为第七届国际蒸汽品质会议(1968年)批准的1967IFC公式所确定的数值。
在试验报告中,应记述所用图表的名称和版本。
5.2.4.2 平均温度
在现代大型汽轮机组上,常遇有两条以上的管道并列布置,在循环系统中的同一工作区段内输送工质的情况。在抽汽回热给水系统中,还常有两股以上工质汇流的情况。在对此类工质进行热平衡计算或能量转换计算时,需要事先根据加权平均法则求出它的混合焓值和平均焓值。
根据平均焓值或混合焓值及其压力测量平均值,可以从汽水性质表中查出该工质的平均温度值。
5.2.4.3 蒸汽膨胀过程线
试验工况下,工作蒸汽在汽轮机通流部分中的膨胀过程线,应以下列实测状态点为根据,参考制造厂的设计资料,在h-s图上逐点逐段连接而成:
a.主蒸汽;
b.再热蒸汽冷段;
c.再热蒸汽热段;
d.中压缸排汽;
e.低压缸进汽;
f.汽轮机排汽(过程线终端)。
其中,a、b、c、d、e状态点均可能由实测的蒸汽压力和温度值确定。f状态点应落在排汽压力线上,该点的焓值则等于机组能量平衡计算中求得的排汽焓减去排汽损失。
5.2.4.4 修正计算概述
与保证条件相对应的试验结果,是用以评价保证值的依据。实际上,试验中机组的全部运行条件,是以一系列参变量的随机组合形式呈现的,所以不可能维持全部运行条件使之与保证条件完全一致。因此,必须借助计算的方法,针对由于运行条件偏离保证条件而导致的试验结果的偏差进行修正。
通常把需要修正的运行条件分为两大类:
a.系统及设备条件的修正;
b.参数的修正。
对设备老化现象的效率修正问题,由买卖双方在合同谈判中具体商定。
5.2.4.4.1 系统及设备条件的修正
凡试验中,热力系统和设备的运行条件与对应的保证条件不符时,应考虑对试验结果作计算修正。但是,凡属在同一个售买合同中规定提供的,或者是属于汽轮机制造厂统一供货范围内的系统部件和设备,即使其试验运行条件与计算保证值时作为基准的条件不同,也不应予以修正,除非合同另有规定。
属于这一类保证条件的,通常有:
a.抽汽管道压降率及其散热损失;
b.给水加热器的端差;
c.疏水冷却器的端差;
d.锅炉给水流量;
e.系统补充水流量;
f.厂用辅助抽汽流量;
g.主蒸汽和再热蒸汽的减温喷水流量;
h.给水泵、凝结水泵和疏水泵中水的焓升;
i.凝汽器中凝结水的过冷度;
j.轴封供汽条件;
k.发电机的效率。
修正计算的原则:令试验实测的主蒸汽流量和通流部分的效率(即蒸汽膨胀过程线)保持不变,根据流量平衡和能量守恒定律和汽轮机在变工况下运行时性能变化的规律,用逐次逼近法,求出当系统部件及设备的运行条件转化为保证条件时的输出电功率和热耗率。
5.2.4.4.2 参数修正
参数修正的项目,通常可能包括:
a.主蒸汽压力的修正;
b.主蒸汽温度的修正;
c.再热蒸汽温度的修正;
d.再热系统压降的修正;
e.排汽压力或凝汽器冷却水进口温度和流量的修正;
f.汽轮机转速的修正。
凡试验中,上述参数测量值与保证条件中的规定值不符时,必须对试验结果作计算修正。
参数修正计算可借助于修正曲线进行。根据试验实测参数值,可以在修正曲线上查得相应的修正系数。然后,根据修正曲线图上注明的方式,求得机组在保证条件下的输出电功率和热耗率。
5.2.4.4.3 修正曲线的准备
所述的参数修正曲线,均应由制造厂家或卖方在合同规定的机组投产日期的三个月前提供给买方。这些曲线,需经参与试验各方协商认可方能使用。若参与试验的一方对修正曲线的形状发生疑问时,制造厂代表有义务给予详细的说明和解释。必要时,也可以协商通过专门的试验测量来制定。
6 试验结果与保证值的比较
必要时,应根据试验测量情况给出试验结果的误差范围,供试验结果与保证值比较时考虑。
试验结果与保证值的比较,应根据汽轮机订货合同中有关条款规定的方法进行,也可以根据汽轮机的型式和保证值的形式由参与试验的各方在试验前协商确定。
______________________-
附加说明:
本标准由上海发电设备成套设计研究所提出并归口。
本标准由上海发电设备成套设计研究所、西安热工研究所负责起草。
本标准主要起草人张华民、刘晨、任启华、许立敏。